Запчасти Case IH 2500 ECOLO-TIL (75.200.17) - DISC LEVELR (75) - SOIL PREPARATION

Схема запчастей Case IH 2500 ECOLO-TIL - (75.200.17) - DISC LEVELR (75) - SOIL PREPARATION
2
11
12
9
20
3
16
1
17
19
11
18
14
13
6
11
21
8
8
14
7
13
5
10
22
14
4
FIT
1:1
100%

Артикул

Название

Примечание

Количество

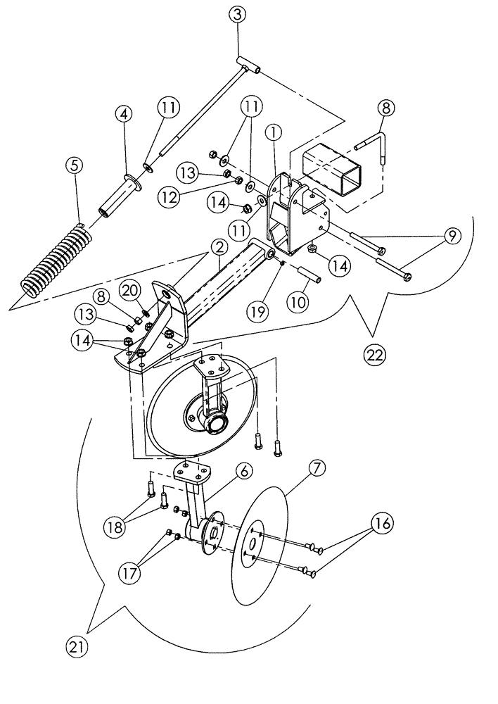
1

09103200

LEVELLING DEVICE

Mount

1шт.

2

09103300

LEVELLING DEVICE

Pivot

1шт.

3

09103250

LEVELLING DEVICE

T-Bolt

1шт.

4

09103020

RETAINER

Long Spring

1шт.

5

24146820

SPRING

Compression

1шт.

6

87328481

HUB

Disc Spindle

2шт.

7

84180366

DISK HARROW

MC,FLT CNTR 460X63.5X3

2шт.

8

87427190

SPECIAL BOLT

5-5/16, Square

1шт.

9

16901022

CAPSCREW,Hex, 5/8" - 11 x 6"

5/8 x 6, NC, Hex, A325

2шт.

10

09103030

PLUG

Heat Treated Bushing

1шт.

11

80299

WASHER,0.69" ID x 1.75" OD x 0.13" Thk

5/8 Flat

4шт.

12

85700693

NUT,5/8" - 11, Gr C

2шт.

13

425-1410

JAM NUT,Jam, 5/8"-11, G5

Jam, NC

2шт.

14

231-53410

FLANGE NUT,Flg, 5/8"-11

6шт.

15

425-1010

NUT,5/8"-11, G5

1шт.

16

433-816

CARRIAGE BOLT,Sq Nk, 1/2" - 13 x 1", Gr 5

8шт.

17

425-108

NUT,1/2" - 13, Gr 5

8шт.

18

413-1032

BOLT,Hex, 5/8" - 11 x 2", Gr 5

4шт.

19

219-86

LUBE NIPPLE,1/8" NPTF

Self Tap

1шт.

20

17411011

WASHER,17.2mm ID x 32mm OD x 4.37mm Thk

5/8 Flat

1шт.

21

09102020

PLOW DISC

Leveler With 1 Blade, Inc. 6 - 7 & 22

1шт.

21

09102099

PLOW DISC

Leveler WIth 2 Blades, Inc. 6 - 7 & 22

1шт.

22

09103000

BRACKET

Leveler Without Blades, Disc Spindle Assemblies, And Hardware

1шт.

Выбрано товаров: 0