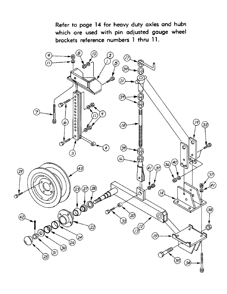
Запчасти Case IH 400-SERIES (10) - PIN ADJUSTED AND SCREW ADJUSTED GAUGE WHEEL

Схема запчастей Case IH 400-SERIES - (10) - PIN ADJUSTED AND SCREW ADJUSTED GAUGE WHEEL
41
4
11
28
14
15
16
37
12
3
27
39
34
39
39
26
41
21
6
11
37
35
38
29
31
33
13
30
9
36
19
18
23
43
22
40
24
7
8
9
20
1
10
17
25
32
42
2
5
FIT
1:1
100%

Артикул

Название

Примечание

Количество

1

T53008

GAUGE WHEEL BRACKET - R.H.

1шт.

2

T53009

GAUGE WHEEL BRACKET - L.H.

1шт.

3

T53010

LINK

4шт.

4

T28975

BUSHING

2шт.

5

113-410

BOLT,Hex, 1/2" - 13 x 1-1/2", Gr 5, Full Thd

2шт.

6

113-626

BOLT,Hex, 5/8" - 11 x 2-1/2", Gr 5

4шт.

7

113-630

BOLT,Hex, 5/8" - 11 x 6", Gr 5

SCREW, hx. hd. cap, 5/8 x 6

4шт.

8

129-105

NUT,Hex, 1/2" - 13, Gr 5

2шт.

9

129-107

NUT,5/8"-11, G5

8шт.

10

192-23

LOCK WASHER,1/2"

WASHER, LOCK, 1/2"

2шт.

11

192-25

LOCK WASHER,5/8"

WASHER, LOCK, 5/8"

8шт.

12

T53018

AXLE - R.H.

1шт.

13

T53022

AXLE - L.H.

1шт.

14

T53019

MOUNTING BRACKET - upper

2шт.

15

T53020

MOUNTING BRACKET - lower

2шт.

16

T37826

CONTROL BRACKET

2шт.

17

T37825

HANDLE

2шт.

18

T37828

CONTROL ROD

2шт.

19

T53021

ADJUSTING BRACKET

4шт.

20

T28975

BUSHING

2шт.

21

T37936

SWIVEL

2шт.

22

T1935

HUB

W/CUPS

2шт.

23

B12408

BEARING CUP,59.156 mm OD x 11.862 mm

CUP BEARING INNER

2шт.

24

B12410

BEARING, CUP,1.782" OD

CUP BEARING INNER

2шт.

25

F63222

DUST CAP,53.98mm OD x 34.92mm W

HUB CAP

2шт.

26

B12411

ROLLER BEARING,0.75" ID x 0.655"

CONE BEARING - outer

2шт.

27

B12409

BEARING, ROLLER,31.763 mm ID x 16.84 mm

CONE BEARING - inner

2шт.

28

T28889

SEAL

GREASE SEAL

2шт.

29

T28977

LUG BOLT

8шт.

30

195-45

WASHER,3/4"

2шт.

31

25-1312

SLOTTED NUT,3/4"-16, G5

NUT, slotted, 3/4

2шт.

32

113-410

BOLT,Hex, 1/2" - 13 x 1-1/2", Gr 5, Full Thd

8шт.

33

113-626

BOLT,Hex, 5/8" - 11 x 2-1/2", Gr 5

2шт.

34

113-630

BOLT,Hex, 5/8" - 11 x 6", Gr 5

SCREW, hx. hd. cap, 5/8 x 6

8шт.

35

113-818

BOLT,Hex, 7/8" - 9 x 3-1/2", Gr 5

SCREW, hx. hd. cap, 7/8 x 3-1/2

2шт.

36

129-105

NUT,Hex, 1/2" - 13, Gr 5

8шт.

37

129-107

NUT,5/8"-11, G5

10шт.

38

131-1132

LOCK NUT,7/8"-9, GA

NUT, hx. lock, 7/8

2шт.

39

425-1414

JAM NUT,Jam, 7/8"-9, G5

hx. jam, 7/8

8шт.

40

192-23

LOCK WASHER,1/2"

WASHER, LOCK, 1/2"

8шт.

41

192-25

LOCK WASHER,5/8"

WASHER, LOCK, 5/8"

10шт.

42

132-311

COTTER PIN,5/32" x 1 1/4"

PIN, SPLIT (COTTER), 5/32" x 1 1/4"

2шт.

43

F60951

WHEEL

RIM - 15", 4-hole

2шт.

Выбрано товаров: 43