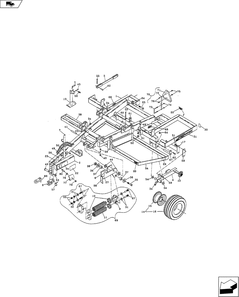
Запчасти Case IH 527 (39.100.01) - MAIN FRAME (39) - FRAMES AND BALLASTING

Схема запчастей Case IH 527 - (39.100.01) - MAIN FRAME (39) - FRAMES AND BALLASTING
64
68
70
78
76
65
4
10
30
34
38
37
12
3b
14
7
73
50
52
67
74
66
16
69
55
1
55
40
20
68
57
60
22
34
54
25
3a
54
9
61
36
56
48
33
34
13
31
29
45
8
58
32
72
37
2
75
28
67
51
27
80
44
15
23
51
16
17
5
59
79
39
11
64
41
77
21
46
31
35
24
49
47
20
36
71
62
6
FIT
1:1
100%

Артикул

Название

Примечание

Количество

1

09650700

FRAME ASSY

Main

1шт.

2

09650600

FRAME ASSY

Pull

1шт.

3a

09650400

FRAME ASSY

Disc

1шт.

3b

09650510

FRAME

Coulter

1шт.

4

09650300

STUB AXLE/STEERING S

Arm - RH

1шт.

4

09650320

STUB AXLE/STEERING S

Arm - LH

1шт.

5

84401370

LINKAGE

Lift

1шт.

6

09651000

LINKAGE

1шт.

7

09651000

LINKAGE

1шт.

8

20092051

CLEVIS

Double

1шт.

9

09581510

PIVOT ASSY.

Spring Weld

2шт.

10

20090091

HOLDER

Spring Casting

4шт.

11

24162502

COMPRESSION SPRING

2шт.

12

28178300

HUB ASSY.

783 6-Bolt

2шт.

13

32230000

JACK

5000 lb

1шт.

14

10010154

LAND WHEEL

12.5 x 15 8-Ply Tire Assy.

2шт.

15

10110151

WHEEL

10 x 15 6-Hole

2шт.

16

11012158

12.5 x 15 8-Ply

2шт.

17

PL

PROCURE LOCALLY

Tire, 12.5 x 15 8-Ply

1шт.

20

18534261

DECAL

DMI

3шт.

21

18534254

DECAL

Ecolo-Tiger (Not Shown)

2шт.

22

18534107

DECAL

Caution

1шт.

23

18534134

DECAL

Level Frame

1шт.

24

18534165

DECAL

Depth Indicator

1шт.

25

18534189

DECAL

Caution

1шт.

26

18534228

DECAL

Amber

1шт.

27

18534241

DECAL

Red

2шт.

28

18534240

DECAL

3/4" NC Jam Nut

2шт.

29

18534243

REFLECTOR

1/8" NPT Self Tapping Zerk

11шт.

30

18534244

REFLECTOR

5/8" x 7-1/2" Hex. Gd 5 Z.P.

2шт.

31

17413011

WASHER

1/4" Thick, Z.P.

4шт.

32

NSS

NOT SOLD SEPARAT

3/4" NC Hex Nut

4шт.

33

NSS

NOT SOLD SEPARAT

3/4" NC Jam Nut

2шт.

34

NSS

NOT SOLD SEPARAT

118" NPT Self Tapping Zerk

11шт.

35

16901025

CAPSCREW,Hex, 5/8" - 11 x 7 1/2", Spcl, Gr 5

5/8" x 7-1/2" Hex., Gd 5 Z.P.

2шт.

36

NSS

NOT SOLD SEPARAT

5/8" Standard Washer Z.P.

4шт.

37

44006200

BUSHING,16.38mm ID x 28.58mm OD x 15.75mm L

Hardened

4шт.

38

14011001

NUT

5/8" NC Lock

2шт.

39

16007105

BOLT

7/16" x 2-1/2" NC Hex. Gd 5 Z.P.

1шт.

40

NSS

NOT SOLD SEPARAT

7/16" NC Hex Lock Nut

1шт.

41

14892066

PIN

1-1/4" x 8-1/2"

1шт.

42

14816201

SMALL PIN

1" x 2-3/32''

2шт.

44

17620020

BUSHING,32.15mm ID x 47.63mm OD x 2.08mm L

1-1/4" Machined

4шт.

45

14810251

HEADED PIN,15.88mm OD x 96.77mm L

5/8" x 3-1/8" Clevis

1шт.

46

14820445

CLEVIS PIN,31.75mm OD x 160.27mm L

1-1/4" x 5-1/2"

1шт.

47

09576180

HITCH PIN

2шт.

48

NSS

NOT SOLD SEPARAT

3/8" x 1" NC Hex. Bolt

2шт.

49

16014115

BOLT

7/8" x 2-3/4" NC Hex Gd. 5

6шт.

51

NSS

NOT SOLD SEPARAT

7/8" NC Hex. Nut

14шт.

52

NSS

NOT SOLD SEPARAT

7/8" NC Hex. Jam Nut

6шт.

53

17421021

WASHER

1-1/4" Heavy

1шт.

54

17627010

WASHER,41.67mm ID x 60.33mm OD x 2.08mm Thk

1-5/8" x 14 Ga. Machined

4шт.

55

NSS

NOT SOLD SEPARAT

1/4" x 1-1/2" Cotter Pin

4шт.

56

NSS

NOT SOLD SEPARAT

1/8" x 2" Hair Pin

1шт.

57

14710814

SMALL PIN

1/4" x 1 - 3/4" Klik

1шт.

58

09650333

SHIM,.134" Thk

1шт.

59

16014125

BOLT

7/8" x 3" NC Hex. Gd. 5

4шт.

60

14816382

SMALL PIN

1" x 3-3/4"

4шт.

61

17616021

BUSHING,25.8mm ID x 38.1mm OD x 2.08mm L

1" Machined

4шт.

62

16010085

BOLT

1" Machined Bushing

2шт.

63

413-680

BOLT,Hex, 3/8" - 16 x 5", Gr 5

2шт.

64

NSS

NOT SOLD SEPARAT

5/8" Hex. Nut

6шт.

65

16010165

BOLT

5/8" x 4" NC Hex. GD 5

4шт.

66

20092071

ADJUSTABLE CLEVIS

Single (Optional)

1шт.

67

16512692

THREADED ROD

3/4" x 20-1/2" NC

2шт.

68

18534255

527

2шт.

69

09651600

SPRING BOX

Relief Assy.

1шт.

70

18584000

WARNING SIGN

SMV Kit, Includes Ref. 71 - 76

1шт.

71

NSS

NOT SOLD SEPARAT

SMV Emblem

1шт.

72

NSS

NOT SOLD SEPARAT

SMV Bracket

1шт.

73

NSS

NOT SOLD SEPARAT

3/8" x 4" x 6" U-Bolt

1шт.

74

NSS

NOT SOLD SEPARAT

3/8" NC Hex Lock Nut

2шт.

75

NSS

NOT SOLD SEPARAT

1/4" x 3/4" NC Hex. Bolt Gd. 2

2шт.

76

NSS

NOT SOLD SEPARAT

1/4" NC Hex. Lock Nut

2шт.

77

04681210

BRACKET

1шт.

78

04681211

BUSHING

Spacer

1шт.

79

7914011601

1" NC

1шт.

80

16016124

1" x 3", NC, Hex.

1шт.

Выбрано товаров: 0