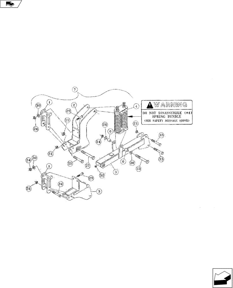
Запчасти Case IH 527 (75.200.01) - AUTO-RESET SHANK ASSEMBLY (75) - SOIL PREPARATION

Схема запчастей Case IH 527 - (75.200.01) - AUTO-RESET SHANK ASSEMBLY (75) - SOIL PREPARATION
3
34
2
1
33
6
30
27
22
24
26
32
24
21
31
31
6
5
23
29
29
7
24
25
4
33
26
1
30
FIT
1:1
100%

Артикул

Название

Примечание

Количество

1

09651540

MOUNTING CLIP

Quick Mount

1шт.

2

09651518

MOUNTING PARTS

Auto Reset

1шт.

3

09651560

MOUNTING PARTS

Shear Bolt

1шт.

4

09651530

COIL SPRING

Assembly

1шт.

5

09651520

BEAM ASSY.

Auto Reset

1шт.

6

44006201

BUSHING,16.38mm ID x 28.58mm OD x 15.75mm L

H.T.

4шт.

7

09651590

SPRING BOX

AutoReset Assembly

1шт.

21

425-1012

NUT,3/4"-10, G5

NC Hex.

1шт.

22

86992218

LOCK NUT

7/8" NC Stover

1шт.

23

16901025

CAPSCREW,Hex, 5/8" - 11 x 7 1/2", Spcl, Gr 5

5/8" x 7-1/2" NC Hex. Gd 5

2шт.

24

86992216

NUT

5/8" NC Stover

5шт.

25

16901226

SPECIAL BOLT

3/4" x 6-7/8" Hex.

1шт.

26

495-21069

WASHER,5/8"

Std. Z.P.

4шт.

27

16901435

BOLT

7/8" x 7-3/4" NC Hex. Gd. 5

1шт.

29

413-10112

BOLT,Hex, 5/8" - 11 x 7", Gr 5

7" NC . Gd. 5

2шт.

30

17411012

WASHER

11/16" x 1-3/4" O.D. x 0.250"

2шт.

31

86992217

NUT

3/4" NC Stover

1шт.

32

219-86

LUBE NIPPLE,1/8" NPTF

NPT

1шт.

33

16901215

BOLT

3/4" x 3-3/4" A325 Hex. Gd. 5

1шт.

34

16901217

BOLT

3/4" x 6" NC Special Hex.

1шт.

Выбрано товаров: 20