Запчасти Case IH 527 (35.100.02) - HYDRAULICS (WITH DISC ATTACHMENT) (35) - HYDRAULIC SYSTEMS

Схема запчастей Case IH 527 - (35.100.02) - HYDRAULICS (WITH DISC ATTACHMENT) (35) - HYDRAULIC SYSTEMS
6
19
18
21
5
15
10
13
1
18
16
18
11
18
17
7
3
9
24
14
3
15
19
6
8
4
19
22
7
10
17
18
2
4
17
17
6
13
20
19
23
19
2
14
18
12
25
17
7
19
19
12
8
19
16
FIT
1:1
100%

Артикул

Название

Примечание

Количество

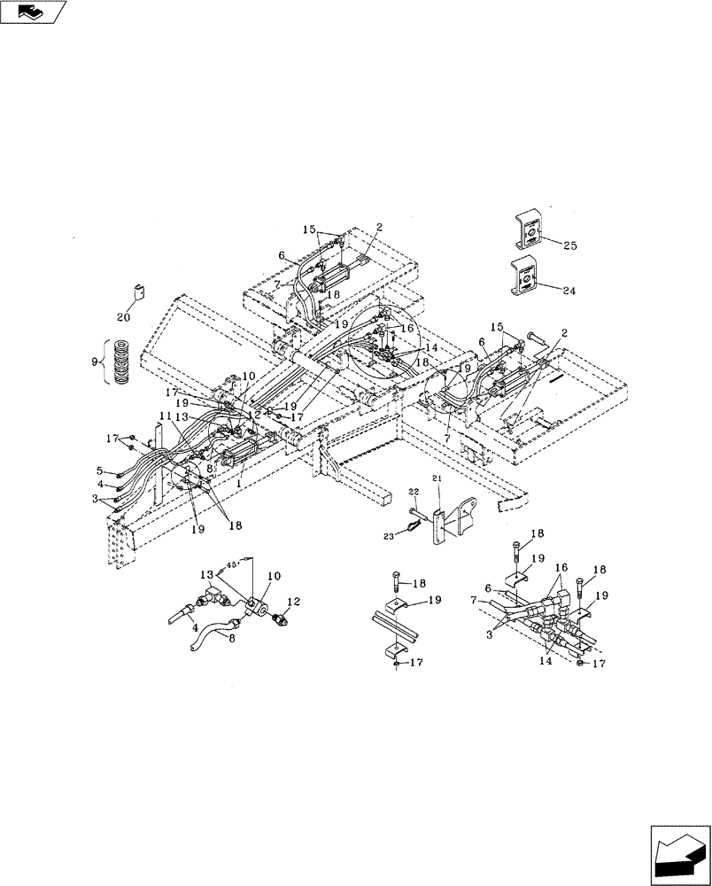
1

25330081

HYDRAULIC CYLINDER,Double Acting, 31.75mm Rod, 203.2mm Stroke

3" x 8" , 3000 Psi

1шт.

2

25330101

HYDRAULIC CYLINDER,Double Acting, 31.75mm Rod, 254mm Stroke

3" x 10" ,3000 Psi

2шт.

2

25330101R

REMAN-HYD CYLINDER

527 DMI ECOLO-TIGER®, 3000 Psi

2шт.

2

25330101C

CORE-HYD CYLINDER

Return Number

2шт.

3

25610901

HYDRAULIC HOSE

1/2" x 196" Long

2шт.

4

25610713

HYDRAULIC HOSE

3/8" x 118" Long

1шт.

5

25610712

HYDRAULIC HOSE

3/8" x 110" Long

1шт.

6

25600651

HYDRAULIC HOSE,0.38" ID x 52.00", SAE 100R17

Long

2шт.

7

25600635

HYDRAULIC HOSE,0.38" ID x 48.00", SAE 100R17

Long

2шт.

8

25600813

HOSE ASSY.

3/8" Hydralic x 12" Long

1шт.

9

25800010

CYLINDER

Stroke Kit - 1-1/4"

4шт.

10

25405022

VALVE PRESSURE RELIE

1шт.

11

25707522

3 WAY CONNECTION

(2) 3/4" JICM x 3/4" SAEM Tee

1шт.

12

25707526

FITTING

3/4" SAEM x 7/8" SAEM Adapter

1шт.

13

25707528

ELBOW

7/8" SAEM x 3/4" JICM 90°

1шт.

14

25707518

3 WAY CONNECTION

3/4" - 16 JICM Tee

2шт.

15

25707521

ELBOW

3/4" JICM x 3/4" SAEM 90°

4шт.

16

25707531

ELBOW

3/4" JICM x 3/4" JlCF 90°

2шт.

17

NSS

NOT SOLD SEPARAT

3/8" NC Hex. Nut Gd. 2

9шт.

18

NSS

NOT SOLD SEPARAT

3/8" x 1-1/2" NC Hex. Bolt

6шт.

19

06200125

HOSE CLAMP

9шт.

20

09650207

STAY

Disc Cylinder Stop

1шт.

21

04632700

STAY

Cylinder Stop

2шт.

22

14810251

HEADED PIN,15.88mm OD x 96.77mm L

5/8" x 3-1/8" Clevis

3шт.

23

NSS

NOT SOLD SEPARAT

1/8" x 2" Hair Pin

3шт.

24

18534237

DECAL

Main Lift

1шт.

25

18534239

DECAL

Disc Unit

1шт.

Выбрано товаров: 27