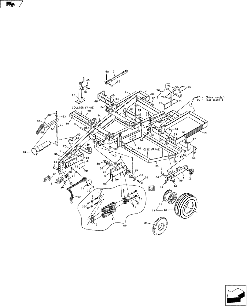
Запчасти Case IH 527B (39.100.01) - MAIN FRAME (39) - FRAMES AND BALLASTING

Схема запчастей Case IH 527B - (39.100.01) - MAIN FRAME (39) - FRAMES AND BALLASTING
70
46
17
82
57
72
50
28
87
60
52
27
11
39
94
37
85
86
40
33
15
44
24
45
34
31
75
81
69
54
9
16
64
73
67
93
22
64
32
50
68
76
41
18
13
42
77
25
56
55
31
3a
51
32
49
4
54
12
74
8
79
61
48
36
59
38
21
91
55
88
34
37
9
65
23
78
17
84
71
34
26
30
58
80
62
5
89
66
10
3b
1
36
6
2
91
20
43
33
35
92
14
29
50
19
32
51
90
FIT
1:1
100%

Артикул

Название

Примечание

Количество

1

09650800B

FRAME ASSY

Main -Blue

1шт.

2

09650900B

FRAME ASSY

Pull Assembly -Blue

1шт.

3a

09650400B

FRAME ASSY

Disc -Blue

1шт.

3b

09650510B

SUPPORT

Coulter Frame -Blue

1шт.

4

09650350

AXLE

Spindle Arm - RH

1шт.

4

09650360

AXLE

Spindle Arm - LH

1шт.

5

84401370

LINKAGE

Lift

1шт.

6

09651000

LINKAGE

1шт.

8

20092051

CLEVIS

Double

1шт.

9

20090133

HINGE

Spring Pivot Casting

2шт.

10

05302150

STAND

Swinging Hose Boom

1шт.

11

24162502

COMPRESSION SPRING

2шт.

12

28178300

HUB ASSY.

783 6-Bolt

2шт.

13

32230000

JACK

5000 lb

1шт.

14

10010154

LAND WHEEL

12.5 x 15 8-Ply T/W (Tubeless) -White

2шт.

14

10010153

LAND WHEEL

12.5 x 15 8-Ply T/W (Tube Type) -White

2шт.

15

10110154

WHEEL

10 x 15 6-Hole -White

2шт.

16

NSS

NOT SOLD SEPARAT

12.5 x 15 8-Ply Tire

2шт.

17

09650330

BRACKET

Torque Tube

1шт.

18

09983458

BAR ASSY.

Hose Boom Mount

1шт.

19

NSS

NOT SOLD SEPARAT

Tube for 12.5L x 15 Tire

2шт.

20

18534261

DECAL

DMI

1шт.

21

18532035

DECAL

Tiger Stripe - (Blue Machine Only)

2шт.

22

18534107

DECAL

Patent

1шт.

23

18534134

DECAL

Caution

1шт.

24

18534165

DECAL

Level Frame

1шт.

25

18534189

DECAL

Depth

1шт.

26

18534228

DECAL

Caution

1шт.

27

18534241

DECAL

Important

1шт.

28

18534240

DECAL

Red/Green

1шт.

29

311864A1

REFLECTOR

Amber

2шт.

30

18534243

REFLECTOR

Amber (Coulter Frame Only)

2шт.

31

17411012

WASHER

5/8"

4шт.

32

425-1010

NUT,5/8"-11, G5

NC Hex.

6шт.

33

06200125

HOSE CLAMP

2шт.

34

219-86

LUBE NIPPLE,1/8" NPTF

NPT Self Tapping

11шт.

35

16901025

CAPSCREW,Hex, 5/8" - 11 x 7 1/2", Spcl, Gr 5

5/8" x 7-1/2" Hex. Bolt Gd 5 Z.P.

2шт.

36

495-21069

WASHER,5/8"

Standard Z.P.

4шт.

37

44006200

BUSHING,16.38mm ID x 28.58mm OD x 15.75mm L

Hardened

4шт.

38

86992216

NUT

5/8" Stover

2шт.

39

413-740

BOLT,Hex, 7/16" - 14 x 2-1/2", Gr 5

NC Gd 5 Z.P.

1шт.

40

86992214

LOCK NUT

7/6" NC Stover

1шт.

41

14892066

PIN

1-1/4" x 8-1/2"

1шт.

42

14816201

SMALL PIN

1" x 2-3/32''

2шт.

43

09650950

HITCH PIN

Klik-Pin Protector

1шт.

44

17620020

BUSHING,32.15mm ID x 47.63mm OD x 2.08mm L

1-1/4" Machined

4шт.

45

14810251

HEADED PIN,15.88mm OD x 96.77mm L

5/8" x 3-1/8" Clevis

1шт.

46

14820447

PIN

1-1/4"x5-1/2" Pin

1шт.

47

09576180

HITCH PIN

2шт.

48

413-616

BOLT,Hex, 3/8" - 16 x 1", Gr 5

2шт.

49

413-1444

BOLT,Hex, 7/8" - 9 x 2-3/4", Gr 5

Gd 5

6шт.

50

86992213

NUT

3/8" NC Hex.

1шт.

51

425-1014

NUT,7/8"-9, G5

NC Hex.

14шт.

52

425-1414

JAM NUT,Jam, 7/8"-9, G5

NC Hex.

6шт.

54

17627010

WASHER,41.67mm ID x 60.33mm OD x 2.08mm Thk

1-5/8" x 14 Ga. Machined

4шт.

55

432-1624

COTTER PIN,1/4" x 1 1/2"

4шт.

56

14720411

COTTER PIN

PIN, COTTER 1/8" x 2" Hair

1шт.

57

A30338

PIN

1/4" x 1- 3/4" Klik

1шт.

58

09650333

SHIM,.134" Thk

1шт.

59

413-1448

BOLT,Hex, 7/8" - 9 x 3", Gr 5

NC Gd. 5

4шт.

60

14816382

SMALL PIN

1" x 3- 3/4"

4шт.

61

17616021

BUSHING,25.8mm ID x 38.1mm OD x 2.08mm L

1" Machinery

4шт.

62

413-1032

BOLT,Hex, 5/8" - 11 x 2", Gr 5

NC Gd 5

2шт.

63

413-680

BOLT,Hex, 3/8" - 16 x 5", Gr 5

NC Gd 5 Z.P. (Not Shown)

2шт.

64

425-1010

NUT,5/8"-11, G5

Hex.

6шт.

65

413-1064

BOLT,Hex, 5/8" - 11 x 4", Gr 5

NC Gd 5

4шт.

66

20092071

ADJUSTABLE CLEVIS

Single (Optional)

1шт.

67

16510720

ROD

Threaded (5/8")

2шт.

68

18534307

DECAL

"Helping Plants Thrive"

1шт.

69

09650960

SPRING BOX

Spring Relief Assembly

1шт.

70

18584000

WARNING SIGN

SMV Kit, Includes Ref, 71-76

1шт.

71

311860A1

EMBLEM

SMV Emblem

1шт.

72

06000099

BRACE

SMV Bracket

1шт.

73

16309101

U-BOLT,3/8" - 16, Square, 4" W x 6" L

BOLT "U" 3/8" x 4" x 6"

1шт.

74

86992213

NUT

3/8" NC Stover

2шт.

75

413-412

BOLT,Hex, 1/4" - 20 x 3/4", Gr 5

2шт.

76

86992211

NUT

1/4" NC Stover

2шт.

77

04681210

BRACKET

1шт.

78

04681211

BUSHING

Spacer

1шт.

79

232-41416

LOCK NUT,1"-8, GC

NC Stover

1шт.

80

413-1648

BOLT,Hex, 1" - 8 x 3", Gr 5

NCGd 5

1шт.

81

18532029

DECAL

ecolo-tiger 527B Left Hand - Blue

1шт.

82

18532030

DECAL

ecolo-tiger 527B Right Hand - Blue

1шт.

85

30026030

TUBE

Operator's Manual Canister

1шт.

87

214-1452

HOSE CLAMP,#52, 2.81" - 3.75", Type F Worm

Worm Gear

1шт.

88

413-636

BOLT,Hex, 3/8" - 16 x 2-1/4", Gr 5

1шт.

88

413-648

BOLT,Hex, 3/8" - 16 x 3", Gr 5

1шт.

89

18534343

DECAL

Yield-Till System

1шт.

90

18534277

DECAL

Stored Energy

1шт.

91

18534333

DANGER DECAL

Pinch Points

1шт.

93

63506C3

CHAIN (AG)

20,200 Ib Safety

1шт.

94

18534223

DECAL

Torque

1шт.

Выбрано товаров: 92