Запчасти Case IH 55 (F-18) - HAND WINCH ASSEMBLY, MACHINES BUILT MAY, 1973 AND SINCE

Схема запчастей Case IH 55 - (F-18) - HAND WINCH ASSEMBLY, MACHINES BUILT MAY, 1973 AND SINCE
FIT
1:1
100%

Артикул

Название

Примечание

Количество

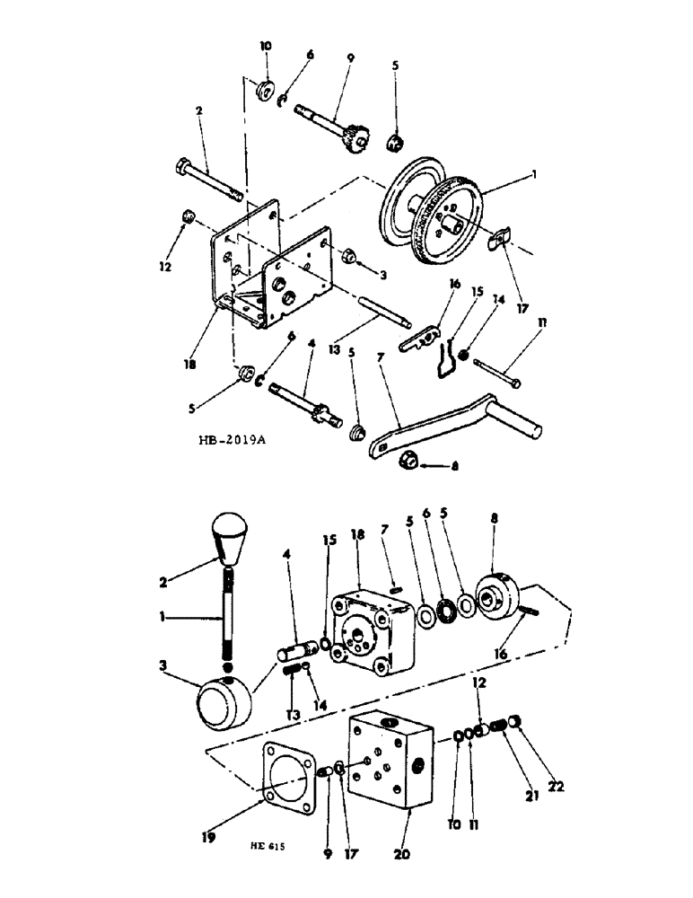
1

812281C1

REEL

winch

1шт.

2

812282C1

SHAFT, reel

1шт.

3

9411655

LOCK NUT,3/8"-16, GB

NUT, 3/8-16 hex lock

1шт.

4

812283C1

SHAFT

upper drive

1шт.

5

812284C1

BUSHING

drive shaft

3шт.

6

21405R1

RING

shaft retaining

2шт.

7

812285C1

HANDLE, winch

1шт.

8

19258R1

LOCK NUT,1/2"-20, GB

NUT, 1/2-20 hex lock type NTE

1шт.

9

812286C1

SHAFT, lower drive

1шт.

10

812287C1

BUSHING

drive shaft

1шт.

11

24649R1

BOLT, 1/4-20 x 4-1/4 hex-hd

1шт.

12

9413992

LOCK NUT,1/4"-20, GC

NUT, 1/4-20 hex lock type

1шт.

13

812288C1

SLEEVE

ratchet

1шт.

14

812289C1

SPACER

ratchet

1шт.

15

812290C1

SPRING, ratchet

1шт.

16

812291C1

RATCHET

winch

1шт.

17

598043R1

CLAMP

cable

1шт.

598795R1

CARRIAGE BOLT,Sht Sq Nk, 1/4" - 20 x 3/4", Gr 5

BOLT, 1/4-20 x 3/4 crg

1шт.

120375

NUT,Hex, 1/4" - 20, Gr 5

1шт.

18

BASE, hand winch, not serviced separately, for service order 1-812271C91, hand winch assy

1шт.

598157R91

VALVE ASSY, hydraulic diverter

1шт.

Выбрано товаров: 21