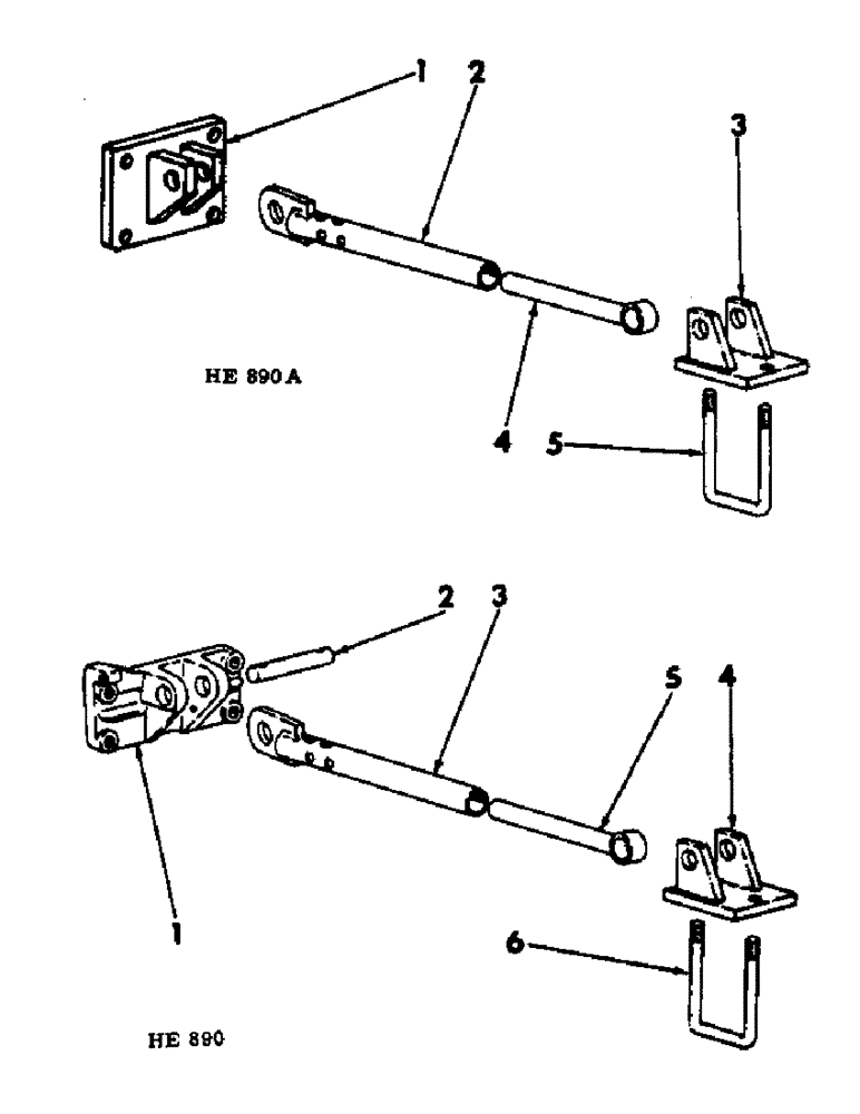
Запчасти Case IH 55 (B-13) - VERTICAL LIMITER, 7 FOOT AND 11 FOOT, BUILT PRIOR TO JULY 1972 SEASON

Схема запчастей Case IH 55 - (B-13) - VERTICAL LIMITER, 7 FOOT AND 11 FOOT, BUILT PRIOR TO JULY 1972 SEASON
FIT
1:1
100%

Артикул

Название

Примечание

Количество

1

473168R91

BRACKET

ASSY, anchor upper

1шт.

271723

SNAP RING,Hex, 5/8" - 11 x 2", Gr 5

5/8-11 x 2 hex-hd

4шт.

492-11062

BEARING WASHER,5/8"

WASHER, LOCK, 5/8"

4шт.

2

473172R92

PIPE ASSY, restrictor

1шт.

722344R1

PIN, 1 x 3-3/4 std-hd-dld

1шт.

599744R1

AXLE PIN

PIN, quick-attachable cotter

1шт.

3

609894R91

BRACKET ASSY, anchor lower

1шт.

4

473175R11

ROD, restrictor

1шт.

722344R1

PIN, 1 x 3-3/4 std-hd-dld

1шт.

599744R1

AXLE PIN

PIN, quick-attachable cotter

1шт.

5

608294R1

U-BOLT,U, 5/8" - 11 x 134mm

anchor bracket lower

1шт.

280374

NUT,Hex, 5/8" - 11, Gr 5

5/8-11 hex

2шт.

492-11062

BEARING WASHER,5/8"

WASHER, LOCK, 5/8"

2шт.

1

389372R21

BRACKET

ASSY, anchor upper, includes 1-20024R1, pin

1шт.

20024R1

PIN

bracket dowel

1шт.

413-1032

BOLT,Hex, 5/8" - 11 x 2", Gr 5

5/8-11 x 2 hex-hd

4шт.

492-11062

BEARING WASHER,5/8"

WASHER, LOCK, 5/8"

4шт.

2

481985R1

PIN, anchor

1шт.

432-1624

COTTER PIN,1/4" x 1 1/2"

Pin, Split (Cotter), 1/4" x 1 1/2"

1шт.

520175R1

CLIP

PIN, quick-attachable cotter

1шт.

3

473172R92

PIPE ASSY, restrictor

1шт.

722344R1

PIN, 1 x 3-3/4 std-hd-dld

1шт.

599744R1

AXLE PIN

PIN, quick-attachable cotter

1шт.

4

609894R91

BRACKET ASSY, anchor lower

1шт.

5

473175R11

ROD, restrictor

1шт.

722344R1

PIN, 1 x 3-3/4 std-hd-dld

1шт.

599744R1

AXLE PIN

PIN, quick-attachable cotter

1шт.

6

608294R1

U-BOLT,U, 5/8" - 11 x 134mm

anchor bracket lower

1шт.

280374

NUT,Hex, 5/8" - 11, Gr 5

5/8-11 hex

2шт.

492-11062

BEARING WASHER,5/8"

WASHER, LOCK, 5/8"

2шт.

Выбрано товаров: 30