Запчасти Case IH 5700 (9-116) - SECONDARY WING LIFT HINGES - REAR, LEVEL LIFT MODELS, DOUBLE FOLD, 41 FOOT WIDE (18) - MISCELLANEOUS

Схема запчастей Case IH 5700 - (9-116) - SECONDARY WING LIFT HINGES - REAR, LEVEL LIFT MODELS, DOUBLE FOLD, 41 FOOT WIDE (18) - MISCELLANEOUS
32
21
12
8
3
1
4
6
23
20
16
20
4
29
20
11
23
13
19
14
10
33
7
24
18
29
30
17
23
26
23
14
13
5
2
15
31
5
28
27
25
26
12
22
32
9
FIT
1:1
100%

Артикул

Название

Примечание

Количество

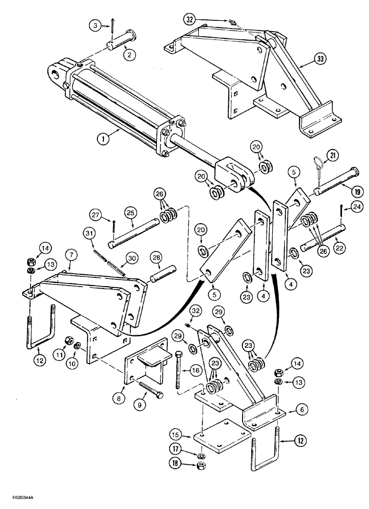
1

1272149C92

CYLINDER,Double Acting, 38.1mm Rod, 406.4mm Stroke

ASSEMBLY, 3-1/2 (89) ID x 16 inch (406 mm) stroke (See Fig. 8-52)

2шт.

1

1272149C92R

REMAN-HYD CYLINDER

5600, 5700, Both CASE IH CHISEL PLOW, ASSEMBLY

2шт.

1

1272149C92C

CORE-HYD CYLINDER

Return Number

2шт.

2

427-20375

CLEVIS PIN,31.75mm OD x 95.25mm L

clevis, 1-1/4 x 3-3/4 inch, hardened

2шт.

3

432-1632

COTTER PIN,1/4" x 2"

1/4" x 2"

2шт.

4

186864A1

BAR

radius (Replaces 1284364C1)

4шт.

5

189248A1

BAR

rigid (Replaces 1284391C1)

4шт.

6

1284372C1

HINGE

SPARE PART wing frame, outer (Order hinge assembly 1980892C1)

2шт.

7

1284370C1

HINGE

SPARE PART wing frame, inner (Order hinge assembly 1980892C1)

2шт.

8

812373C1

STOP

frame

2шт.

9

413-1060

BOLT,Hex, 5/8" - 11 x 3-3/4", Gr 5

BOLT hex, 5/8 NC x 3-3/4 inch

8шт.

10

492-11062

BEARING WASHER,5/8"

8шт.

11

425-1010

NUT,5/8"-11, G5

8шт.

12

608294R1

U-BOLT,U, 5/8" - 11 x 134mm

BOLT "U" 5/8 inch NC, x 5-1/4 inch long, if used

1шт.

12

597023R1

BOLT,U, 5/8" - 11 x 7.50"

U, 5/8 inch NC, x 7-1/2 inch long, if used

1шт.

13

492-11062

BEARING WASHER,5/8"

8шт.

14

425-1010

NUT,5/8"-11, G5

8шт.

15

1284069C1

PLATE

clamping

2шт.

16

413-1096

BOLT,Hex, 5/8" - 11 x 6", Gr 5

hex, 5/8 NC x 6 inch

8шт.

17

492-11062

BEARING WASHER,5/8"

8шт.

18

425-1010

NUT,5/8"-11, G5

8шт.

19

427-20625

CLEVIS PIN,31.75mm OD x 158.75mm L

1-1/4 x 6-1/4 inch, hardened

2шт.

20

495-81203

WASHER,1 9/32" x 2" x .120"

flat, 1-9/32 x 2 x 1/8 inch

12шт.

21

A30338

PIN

lock

2шт.

22

854527C1

PIN

pivot

2шт.

23

495-81074

WASHER,1 1/32" x 1 3/4" x .120"

Flat

16шт.

24

438-31636

PIN,1/4" x 2 1/4", Coiled

1/4" x 2 1/4", Coiled

4шт.

25

811962C1

PIN

pivot

2шт.

26

495-81074

WASHER,1 1/32" x 1 3/4" x .120"

Flat

12шт.

27

438-31636

PIN,1/4" x 2 1/4", Coiled

1/4" x 2 1/4", Coiled

4шт.

28

1284375C2

PIN

hinge pivot

2шт.

29

396-11106

WASHER,1 1/16" x 2" x .134", HDN

flat, 1-1/16 x 2 x 1/8 inch, hardened

4шт.

30

438-12040

LOCK PIN,5/16" x 2 1/2", Slotted

5/16" x 2 1/2", Slotted

4шт.

31

438-11240

LOCK PIN,3/16" x 2 1/2", Slotted

3/16" x 2 1/2", Slotted

4шт.

32

219-87

LUBE NIPPLE,1/4" - 28 NPTF

2шт.

33

1980892C1

HINGE

ASSEMBLY, wing frame

2шт.

Выбрано товаров: 36