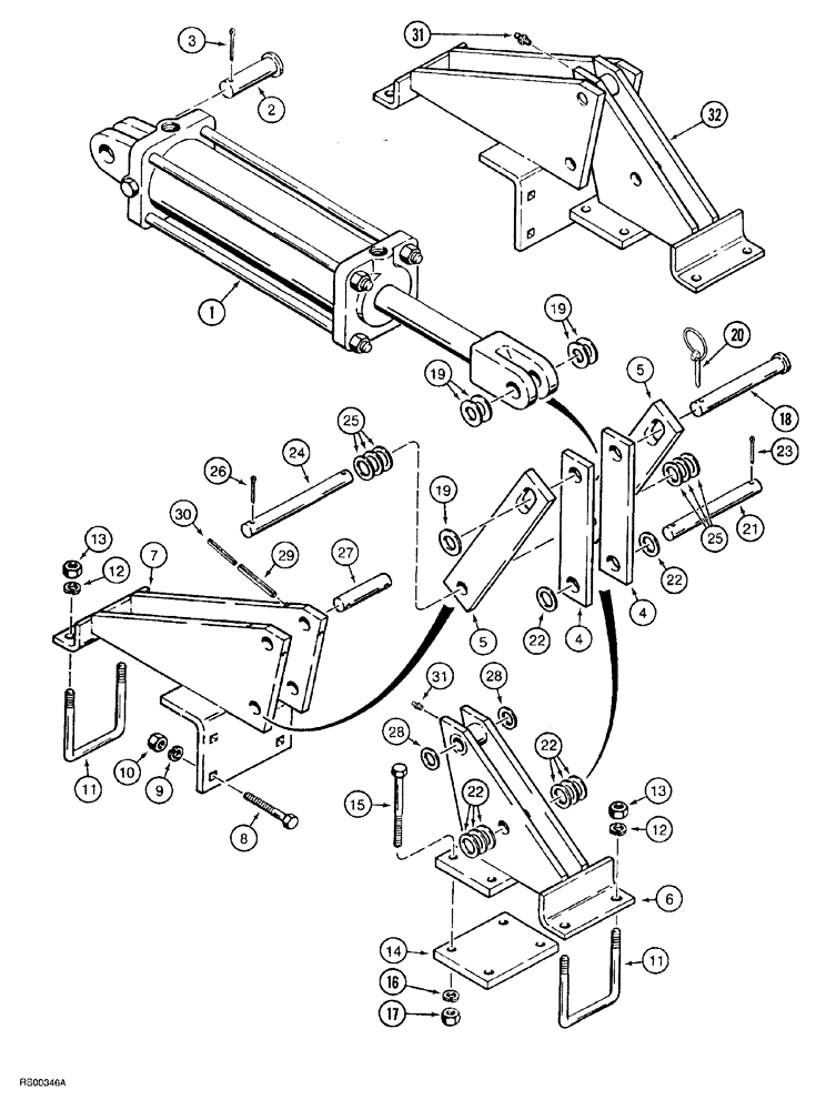
Запчасти Case IH 5700 (9-120) - SECONDARY WING LIFT HINGES - REAR, LEVEL LIFT MODELS, DOUBLE FOLD, 47 FOOT THROUGH 53 FOOT WIDE (18) - MISCELLANEOUS

Схема запчастей Case IH 5700 - (9-120) - SECONDARY WING LIFT HINGES - REAR, LEVEL LIFT MODELS, DOUBLE FOLD, 47 FOOT THROUGH 53 FOOT WIDE (18) - MISCELLANEOUS
22
11
10
5
22
18
7
11
5
16
28
3
29
12
6
30
2
20
27
17
4
22
8
25
15
12
19
4
22
31
25
19
28
32
13
24
31
13
14
19
26
23
1
21
9
FIT
1:1
100%

Артикул

Название

Примечание

Количество

1

1286452C91

CYLINDER ASSY.,Double Acting, 50.8mm Rod, 406.4mm Stroke

5 (127) ID x 16 inch (406 mm)stroke (See Fig. 8-56)

2шт.

2

427-20375

CLEVIS PIN,31.75mm OD x 95.25mm L

clevis, 1-1/4 x 3-3/4 inch, hardened

2шт.

3

432-1632

COTTER PIN,1/4" x 2"

1/4" x 2"

2шт.

4

186864A1

BAR

radius (Replaces 1284364C1)

4шт.

5

186863A1

BAR

floating (Replaces 1284363C1)

4шт.

6

1284372C1

HINGE

SPARE PART wing frame, outer (Order hinge assembly 1980892C1)

2шт.

7

1284370C1

HINGE

SPARE PART wing frame, inner (Order hinge assembly 1980892C1)

2шт.

8

413-1060

BOLT,Hex, 5/8" - 11 x 3-3/4", Gr 5

BOLT hex, 5/8 NC x 3-3/4 inch

8шт.

9

492-11062

BEARING WASHER,5/8"

8шт.

10

425-1010

NUT,5/8"-11, G5

8шт.

11

608294R1

U-BOLT,U, 5/8" - 11 x 134mm

BOLT "U" 5/8 inch NC, x 5-1/4 inch long, if used

1шт.

11

597023R1

BOLT,U, 5/8" - 11 x 7.50"

U, 5/8 inch NC, x 7-1/2 inch long, if used

1шт.

12

492-11062

BEARING WASHER,5/8"

8шт.

13

425-1010

NUT,5/8"-11, G5

8шт.

14

1284069C1

PLATE

clamping

2шт.

15

413-1096

BOLT,Hex, 5/8" - 11 x 6", Gr 5

hex, 5/8 NC x 6 inch

8шт.

16

492-11062

BEARING WASHER,5/8"

8шт.

17

425-1010

NUT,5/8"-11, G5

8шт.

18

427-20625

CLEVIS PIN,31.75mm OD x 158.75mm L

1-1/4 x 6-1/4 inch, hardened

2шт.

19

495-81203

WASHER,1 9/32" x 2" x .120"

flat, 1-9/32 x 2 x 1/8 inch

12шт.

20

A30338

PIN

lock

2шт.

21

854527C1

PIN

pivot

2шт.

22

495-81074

WASHER,1 1/32" x 1 3/4" x .120"

Flat

16шт.

23

438-31636

PIN,1/4" x 2 1/4", Coiled

1/4" x 2 1/4", Coiled

4шт.

24

811962C1

PIN

pivot

2шт.

25

495-81074

WASHER,1 1/32" x 1 3/4" x .120"

Flat

12шт.

26

438-31636

PIN,1/4" x 2 1/4", Coiled

1/4" x 2 1/4", Coiled

4шт.

27

1284375C2

PIN

hinge pivot

2шт.

28

396-11106

WASHER,1 1/16" x 2" x .134", HDN

flat, 1-1/16 x 2 x 1/8 inch, hardened

4шт.

29

438-12040

LOCK PIN,5/16" x 2 1/2", Slotted

5/16" x 2 1/2", Slotted

4шт.

30

438-11240

LOCK PIN,3/16" x 2 1/2", Slotted

3/16" x 2 1/2", Slotted

4шт.

31

219-87

LUBE NIPPLE,1/4" - 28 NPTF

2шт.

32

1980892C1

HINGE

ASSEMBLY, wing frame

2шт.

Выбрано товаров: 33