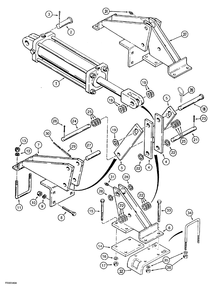
Запчасти Case IH 5700 (9-108) - WING LIFT HINGES - REAR, LEVEL LIFT MODELS, FLAT FOLD, 23 FOOT THROUGH 27 FOOT WIDE (18) - MISCELLANEOUS

Схема запчастей Case IH 5700 - (9-108) - WING LIFT HINGES - REAR, LEVEL LIFT MODELS, FLAT FOLD, 23 FOOT THROUGH 27 FOOT WIDE (18) - MISCELLANEOUS
14
19
28
33
25
27
5
4
37
6
4
8
19
10
17
11
20
29
2
35
22
23
9
7
28
21
25
18
3
16
19
26
36
22
22
15
24
5
22
30
12
31
13
32
34
1
31
FIT
1:1
100%

Артикул

Название

Примечание

Количество

1

1272150C91

CYLINDER

ASSEMBLY, 4 (102) ID x 16 inch (406 mm) stroke (See Fig. 8-54)

2шт.

2

427-20375

CLEVIS PIN,31.75mm OD x 95.25mm L

clevis, 1-1/4 x 3-3/4 inch, hardened

2шт.

3

432-1632

COTTER PIN,1/4" x 2"

1/4" x 2"

2шт.

4

186864A1

BAR

radius (Replaces 1284364C1)

4шт.

5

186863A1

BAR

floating (Replaces 1284363C1)

4шт.

6

1284372C1

HINGE

SPARE PART wing frame, outer (Order hinge assembly 1980892C1)

2шт.

7

1284370C1

HINGE

SPARE PART wing frame, inner (Order hinge assembly 1980892C1)

2шт.

8

413-1060

BOLT,Hex, 5/8" - 11 x 3-3/4", Gr 5

BOLT hex, 5/8 NC x 3-3/4 inch

8шт.

9

492-11062

BEARING WASHER,5/8"

8шт.

10

425-1010

NUT,5/8"-11, G5

8шт.

11

608294R1

U-BOLT,U, 5/8" - 11 x 134mm

BOLT "U" 5/8 inch NC, x 5-1/4 inch long

2шт.

12

492-11062

BEARING WASHER,5/8"

4шт.

13

425-1010

NUT,5/8"-11, G5

4шт.

14

1284069C1

PLATE

clamping

2шт.

15

413-1096

BOLT,Hex, 5/8" - 11 x 6", Gr 5

hex, 5/8 NC x 6 inch

8шт.

16

492-11062

BEARING WASHER,5/8"

8шт.

17

425-1010

NUT,5/8"-11, G5

8шт.

18

427-20625

CLEVIS PIN,31.75mm OD x 158.75mm L

1-1/4 x 6-1/4 inch, hardened

2шт.

19

495-81203

WASHER,1 9/32" x 2" x .120"

flat, 1-9/32 x 2 x 1/8 inch

12шт.

20

A30338

PIN

lock

2шт.

21

854527C1

PIN

pivot

2шт.

22

495-81074

WASHER,1 1/32" x 1 3/4" x .120"

Flat

16шт.

23

438-31636

PIN,1/4" x 2 1/4", Coiled

1/4" x 2 1/4", Coiled

4шт.

24

811962C1

PIN

pivot

2шт.

25

495-81074

WASHER,1 1/32" x 1 3/4" x .120"

Flat

12шт.

26

438-31636

PIN,1/4" x 2 1/4", Coiled

1/4" x 2 1/4", Coiled

4шт.

27

1284375C2

PIN

hinge pivot

2шт.

28

396-11106

WASHER,1 1/16" x 2" x .134", HDN

flat, 1-1/16 x 2 x 1/8 inch, hardened, special

4шт.

29

438-12040

LOCK PIN,5/16" x 2 1/2", Slotted

5/16" x 2 1/2", Slotted

4шт.

30

438-11240

LOCK PIN,3/16" x 2 1/2", Slotted

3/16" x 2 1/2", Slotted

4шт.

31

219-87

LUBE NIPPLE,1/4" - 28 NPTF

2шт.

32

1284067C1

SUPPORT

BRACKET shank clamping

2шт.

33

413-1096

BOLT,Hex, 5/8" - 11 x 6", Gr 5

hex, 5/8 NC x 6 inch

4шт.

34

608294R1

U-BOLT,U, 5/8" - 11 x 134mm

BOLT "U" 5/8 inch NC, x 5-1/4 inch long, if used

2шт.

34

597023R1

BOLT,U, 5/8" - 11 x 7.50"

U, 5/8 inch NC, x 7-1/2 inch long, if used

2шт.

35

492-11062

BEARING WASHER,5/8"

8шт.

36

425-1010

NUT,5/8"-11, G5

8шт.

37

1980892C1

HINGE

ASSEMBLY, wing frame

2шт.

Выбрано товаров: 38