Запчасти Case IH 645 (D-13) - 645 VIBRA CHISEL, 18 FOOT WING, HAND WINCH ASSEMBLY, MACHINES BUILT MAY 1973 TO MAY 1974

Схема запчастей Case IH 645 - (D-13) - 645 VIBRA CHISEL, 18 FOOT WING, HAND WINCH ASSEMBLY, MACHINES BUILT MAY 1973 TO MAY 1974
FIT
1:1
100%

Артикул

Название

Примечание

Количество

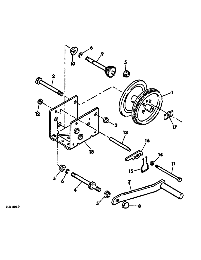
812271C91

WINCH

ASSY, wing lift hand

1шт.

1

812281C1

REEL

winch

1шт.

2

812282C1

SHAFT, reel

1шт.

3

9411655

LOCK NUT,3/8"-16, GB

NUT, 3/8-16 hex-lock

1шт.

4

812283C1

SHAFT

upper drive

1шт.

5

812284C1

BUSHING

drive shaft

3шт.

6

21405R1

RING

shaft retaining

2шт.

7

812285C1

HANDLE, winch

1шт.

8

19258R1

LOCK NUT,1/2"-20, GB

NUT, 1/2-20 hex-lock type NTE

1шт.

9

812286C1

SHAFT, lower drive

1шт.

10

812287C1

BUSHING

drive shaft

1шт.

11

24649R1

BOLT, 1/4-20 x 4-1/4 hex-hd

1шт.

12

9413992

LOCK NUT,1/4"-20, GC

NUT, 1/4-20 hex lock type 1

1шт.

13

812288C1

SLEEVE

ratchet

1шт.

14

812289C1

SPACER

ratchet

1шт.

15

812290C1

SPRING, ratchet

1шт.

16

812291C1

RATCHET

winch

1шт.

17

598043R1

CLAMP

cable

1шт.

598795R1

CARRIAGE BOLT,Sht Sq Nk, 1/4" - 20 x 3/4", Gr 5

BOLT, 1/4-20 x 3/4 crg

1шт.

120375

NUT,Hex, 1/4" - 20, Gr 5

1шт.

18

BASE, winch, not serviced separately, for service order 1-812271C91, hand winch assy

1шт.

Выбрано товаров: 21