Запчасти Case IH 645 (L-12) - HYDRAULIC CYLINDERS, HYDRAULIC CYLINDER, IH, 3.5 X 8 DOUBLE ACTING

Схема запчастей Case IH 645 - (L-12) - HYDRAULIC CYLINDERS, HYDRAULIC CYLINDER, IH, 3.5 X 8 DOUBLE ACTING
FIT
1:1
100%

Артикул

Название

Примечание

Количество

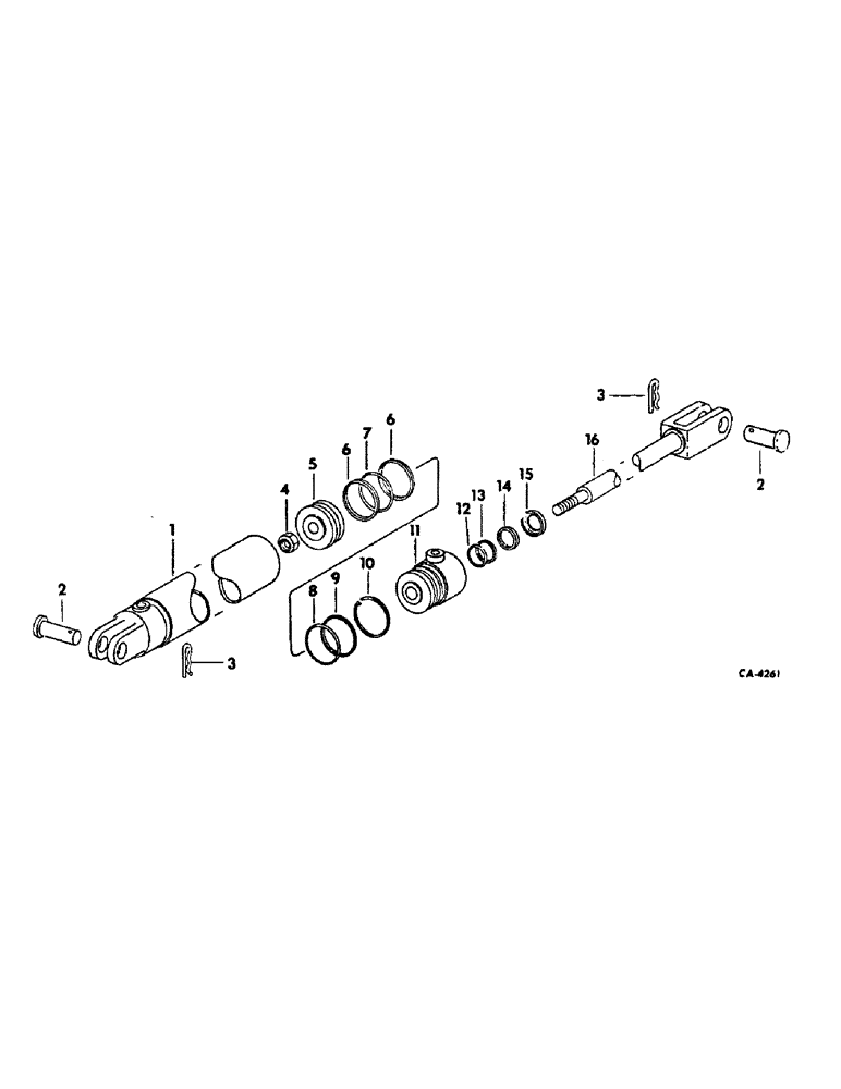
546719R91

CYLINDER

ASSY, 3.5 x 8 in. DA, IH

1шт.

1

547711R1

BODY ASSY, hydraulic cylinder

1шт.

2

616571C1

RING

PIN, cylinder pivot, replaces pin, 547659R1 by also ordering pin, 520175R1

2шт.

3

520175R1

CLIP

PIN, quick attachable cot, replaces retainer, 547660R1 by also ordering pin, 61571C1

2шт.

4

9413974

LOCK NUT,7/8"-14, GB

NUT, 7/8-14 hex lock

1шт.

5

547724R1

PISTON

cylinder

1шт.

6

WASHER, back-up, note (NSS)

2шт.

7

O-RING, 3-1/8 x 3-1/2 x 3/16, note, piston seal (NSS)

1шт.

8

O-RING, 3-1/4 x 3-1/2 x 1/8, note, front head (NSS)

1шт.

9

WASHER, back-up, note (NSS)

1шт.

10

RETAINER, front head, note (NSS)

1шт.

11

547722R1

HEAD

front

1шт.

12

O-RING, 1-1/4 x 1-1/2 x 1/8, note, piston rod seal (NSS)

1шт.

13

WASHER, back-up, note (NSS)

1шт.

14

WIPER, piston rod, note (NSS)

1шт.

15

RETAINER, piston rod, note (NSS)

1шт.

16

547719R1

ROD

ASSY, piston

1шт.

547725R91

SEAL KIT

PACKAGE, hyd cyl seal ring, consists of ref nos. 6 thru 10, 12 thru 15

1шт.

Выбрано товаров: 18