Запчасти Case IH 730 (39.100.03) - MAIN FRAME HYDRAULIC (39) - FRAMES AND BALLASTING

Схема запчастей Case IH 730 - (39.100.03) - MAIN FRAME HYDRAULIC (39) - FRAMES AND BALLASTING
8
9
15
13
12
2
10
6
10
4
21
4
14
6
18
14
10
1
20
16
3
16
1
10
17
19
22
3
18
7
16
13
6
5
6
15
13
15
15
15
5
5
6
11
FIT
1:1
100%

Артикул

Название

Примечание

Количество

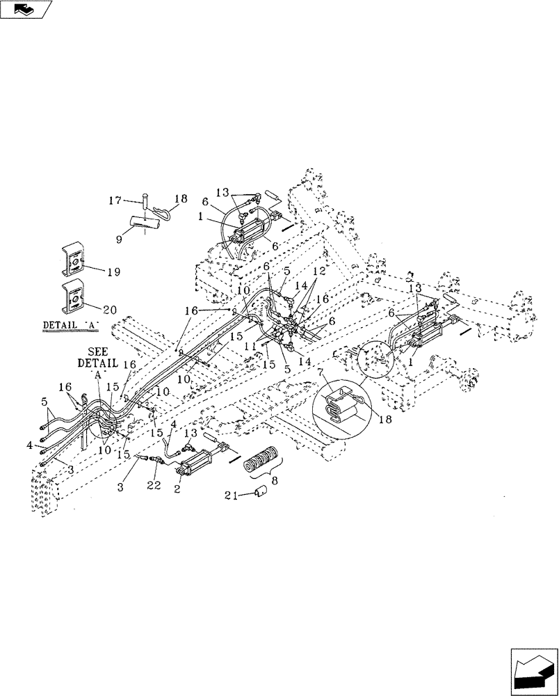
1

25330121

CYLINDER ASSY.,Double Acting, 31.75mm Rod, 304.8mm Stroke

3" x 12" - 3,000 P.S.I. (5-Shank), Start Serial: 522399

2шт.

1

25030120

CYLINDER ASSY.

3" x 12" - 2,500 P.S.I. (5-Shank), Serial Range: -422398

2шт.

1

25335121

CYLINDER

3-1/2" x 12" - 3,000 P.S.I. (7-Shank), Start Serial: 522399

2шт.

1

25335120R

REMAN-HYD CYLINDER

530;730 , Start Serial : 522399 , Reman For New P/N 25335121

2шт.

25335120C

CORE-HYD CYLINDER

Return Number

1шт.

1

25035120

CYLINDER ASSY.

3-1/2" x 12" - 2,500 P.S.I. (7-Shank), Serial Range: -422398

2шт.

25335120R

REMAN-HYD CYLINDER

530;730 , Serial Range : - 422398 , Reman For New P/N 25035120

2шт.

25335120C

CORE-HYD CYLINDER

Return Number

1шт.

2

25330081

HYDRAULIC CYLINDER,Double Acting, 31.75mm Rod, 203.2mm Stroke

3" x 8" - 3,000 P.S.I., Start Serial: 522399

1шт.

2

25030082

HYDRAULIC CYLINDER

3" x 8" - 2,500 P.S.I., Serial Range: -422398

1шт.

3

25610714

HOSE ASSY.

3/8" Hydraulic x 125" Long (5-Shank)

1шт.

3

25610716

HYDRAULIC HOSE

3/8" x 144" Long (7-Shank)

1шт.

4

25610715

HOSE ASSY.

3/8" Hydraulic x 133" Long (5-Shank)

1шт.

4

25610717

HYDRAULIC HOSE

3/8" x 150" Long (7-Shank)

1шт.

5

25610902

HOSE ASSY.

1/2" Hydraulic x 230" Long (5-Shank)

2шт.

5

25610903

HYDRAULIC HOSE,0.50" ID x 245.00", SAE 100R17

2шт.

6

25600664

HYDRAULIC HOSE,0.38" ID x 60.00", SAE 100R17

4шт.

7

09900250

KIT

Stroke 1-1/4" (Main Lift 5-Shank)

1шт.

7

09900240B

KIT

1-1/2" (Main Lift 7-Shank)

1шт.

8

25800010

CYLINDER

Stroke Kit 1-1/4" Rod (Disc or Colter)

1шт.

9

09967021

STOP

(11-1/2")

2шт.

10

06200125

HOSE CLAMP

5шт.

11

22530601

HOSE CLAMP

Double

2шт.

12

25707518

3 WAY CONNECTION

Tube Tee Side Swivel

2шт.

13

25707521

ELBOW

3/4" JICM x 3/4" SAEM 90°

5шт.

14

25707531

ELBOW

3/4" JICM x 3/4" JlCF 90°

2шт.

15

NSS

NOT SOLD SEPARAT

3/8" x 1-1/2" NC Bolt

7шт.

16

NSS

NOT SOLD SEPARAT

3/8" NC Hex. Nut

7шт.

17

14810251

HEADED PIN,15.88mm OD x 96.77mm L

5/8" x 3-1/8" Clevis

5шт.

18

NSS

NOT SOLD SEPARAT

1/8" x 2" Hair Pin

7шт.

19

18534237

DECAL

Cylinder - Main Unit

1шт.

20

18534239

DECAL

Cylinder - Disc Unit

1шт.

21

09650207

STAY

Cylinder Stop (4-1/2")

1шт.

22

25707537

HYD CONNECTOR

3/4" JICM x 3/4" SAEM x 45 Deg. Swivel

1шт.

Выбрано товаров: 34