Запчасти Case IH 730C (75.200.12) - DISC LEVELER (09) - CHASSIS/ATTACHMENTS

Схема запчастей Case IH 730C - (75.200.12) - DISC LEVELER (09) - CHASSIS/ATTACHMENTS
14
14
23
13
3
6
16
13
4
8
9
11
19
20
12
7
22
15
5
1
2
11
18
11
10
14
21
17
FIT
1:1
100%

Артикул

Название

Примечание

Количество

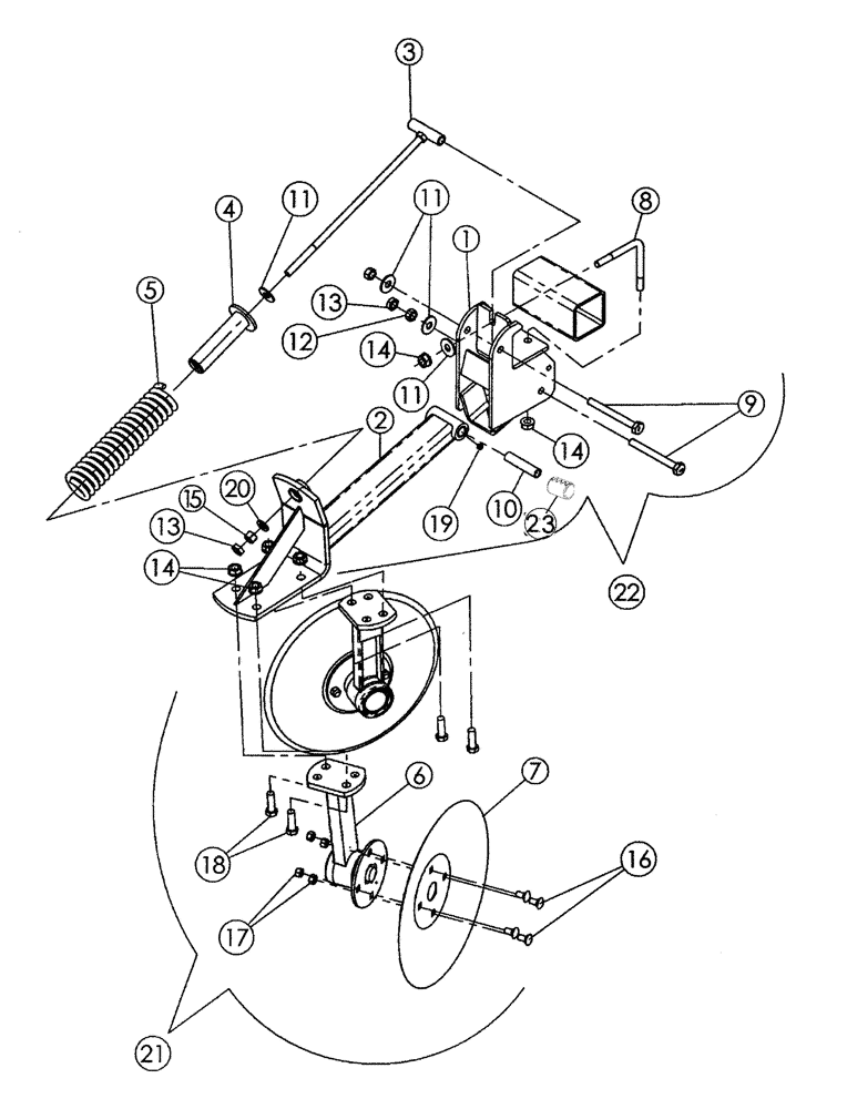
1

09103200

LEVELLING DEVICE

Mount

1шт.

2

09103300

LEVELLING DEVICE

Pivot

1шт.

3

09103250

LEVELLING DEVICE

T

1шт.

4

09103020

RETAINER

Long Spring

1шт.

5

24146820

SPRING

Compression

1шт.

6

87328481

HUB

Disc Spindle

2шт.

7

84180366

DISK HARROW

DISK, MC,FLT CNTR 460X63.5X3

2шт.

8

87427190

SPECIAL BOLT

5-5/16, Square

1шт.

9

16901022

CAPSCREW,Hex, 5/8" - 11 x 6"

5/8 x 6, NC, Hex, A325

2шт.

10

09103030

PLUG

Heat Treated, Bushing

1шт.

11

80299

WASHER,0.69" ID x 1.75" OD x 0.13" Thk

Flat

4шт.

12

85700693

NUT,5/8" - 11, Gr C

2шт.

13

425-1410

JAM NUT,Jam, 5/8"-11, G5

2шт.

14

231-53410

FLANGE NUT,Flg, 5/8"-11

6шт.

15

425-1010

NUT,5/8"-11, G5

1шт.

16

433-816

CARRIAGE BOLT,Sq Nk, 1/2" - 13 x 1", Gr 5

8шт.

17

425-108

NUT,1/2" - 13, Gr 5

8шт.

18

413-1032

BOLT,Hex, 5/8" - 11 x 2", Gr 5

4шт.

19

219-86

LUBE NIPPLE,1/8" NPTF

1шт.

20

17411011

WASHER,17.2mm ID x 32mm OD x 4.37mm Thk

5/8, Flat

1шт.

21

09102020

PLOW DISC

Leveler, With 1 Blade, Inc. 6 - 7 And 22

1шт.

21

09102099

PLOW DISC

Leveler, With 2 Blades, Inc. 6 - 7 And 22

1шт.

22

09103000

BRACKET

Leveler, Without Blades, Disc Spindle Assemblies, And Hardware

1шт.

23

51200158

BUSHING,22.72mm ID x 29.08mm OD x 38.1mm L

2шт.

Выбрано товаров: 24