Запчасти Case IH 900 (35.100.01) - HYDRAULICS(WITH COLTER ATTACHMENT) (35) - HYDRAULIC SYSTEMS

Схема запчастей Case IH 900 - (35.100.01) - HYDRAULICS(WITH COLTER ATTACHMENT) (35) - HYDRAULIC SYSTEMS
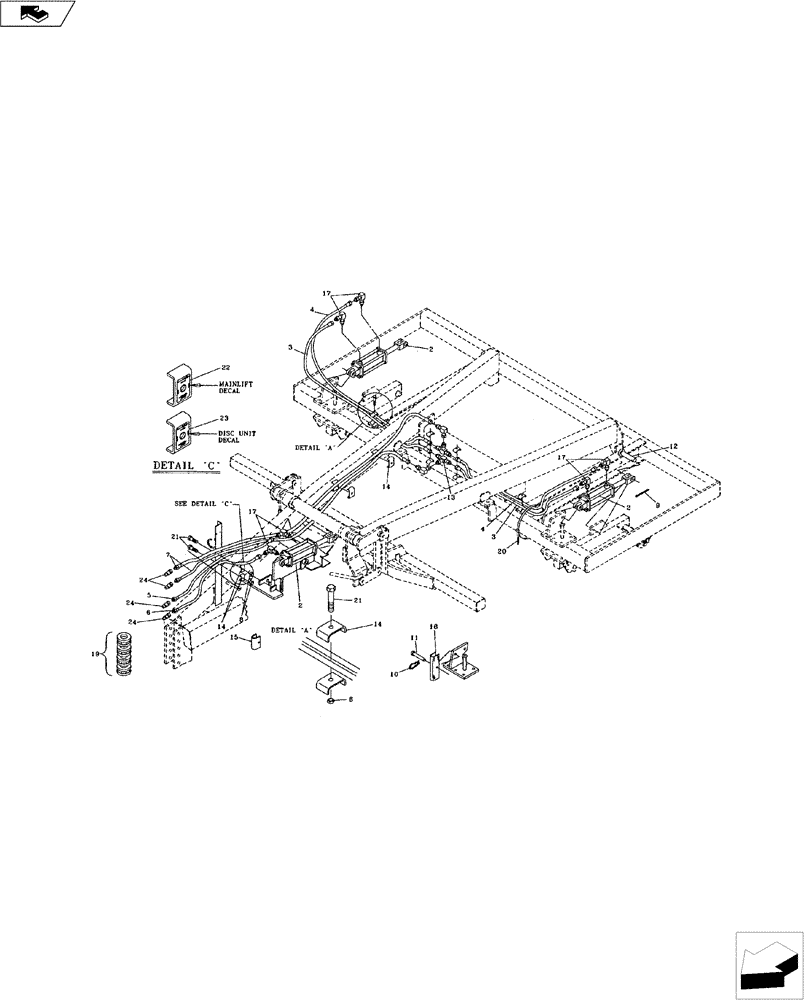
13
17
3
15
6
20
21
2
23
11
24
24
17
4
6
16
12
21
9
4
2
22
14
19
2
24
3
14
10
7
17
FIT
1:1
100%

Артикул

Название

Примечание

Количество

2

25330082

HYDRAULIC CYLINDER,Double Acting, 31.75mm Rod, 203.2mm Stroke

3" x 8" Cylinder - 3000 psi. (7,9 Shank)

3шт.

2

87423763

HYDRAULIC CYLINDER,Double Acting, 31.75mm Rod, 203.2mm Stroke

3-1/2" x 8" Cylinder - 3000 p s i . (1 1, 13 Shank)

2шт.

3

25600655

HYDRAULIC HOSE,0.38" ID x 55.00", SAE 100R17

7, 9, 13 Shank

2шт.

3

25600662

HYDRAULIC HOSE,0.38" ID x 72.00", SAE 100R17

11 Shank

2шт.

4

25600664

HYDRAULIC HOSE,0.38" ID x 60.00", SAE 100R17

7, 9, 13 Shank

2шт.

4

25600678

HYDRAULIC HOSE,0.38" ID x 78.00", SAE 100R17

11 Shank

2шт.

5

25610713

HYDRAULIC HOSE

3/8" x 118" Long

1шт.

6

25610712

HYDRAULIC HOSE

3/8" x 110" Long

1шт.

7

25610901

HYDRAULIC HOSE

1/2" x 196" Long

2шт.

8

425-106

NUT,3/8"-16, Cl 5

NC, Hex

10шт.

9

432-1232

COTTER PIN,3/16" OD x 2" L

Long

6шт.

10

14720411

COTTER PIN

PIN, COTTER 1/8" x 2" Long Hair

2шт.

11

14810251

HEADED PIN,15.88mm OD x 96.77mm L

5/8" x 3-1/8" Clevis

2шт.

12

25890100

KIT

Clevis Pin, 1" x 3", Set of 2

3шт.

12

25890100

KIT

1" Cylinder Pin Bag of Parts

3шт.

13

218-594

TEE,3/4"-16, 37 Degree

JICM

2шт.

14

06200125

HOSE CLAMP

Double

9шт.

15

09650207

STAY

Cylinder Transport Stop - Coulter/Disc

1шт.

16

04632700

STAY

Cylinder Stop - Main Lift

2шт.

17

218-5106

90 ELBOW,90 Degree Elbow, 3/4" - 16 Male JIC x 3/4" - 16 Male ORB

3/4" SAEM x 3/4" JICM 90°

6шт.

19

25800010

CYLINDER

1-1/4" Stroke Control Kit

3шт.

20

30007000

CABLE TIE,.350" x 20.9"

CABLE STRAP Plastic

4шт.

21

424-624

BOLT,Hex, 3/8" - 16 x 1-1/2", Gr 2

8шт.

22

18534237

DECAL

Main Lift

1шт.

23

18534239

DECAL

Disc Unit

1шт.

24

25705041

COUPLING

Male ISO-314" SAEF Hyd.

4шт.

Выбрано товаров: 26