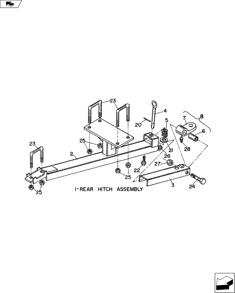
Запчасти Case IH CHIZZL CHAMP (39.110.01) - REAR HITCH ASSM. (39) - FRAMES AND BALLASTING

Схема запчастей Case IH CHIZZL CHAMP - (39.110.01) - REAR HITCH ASSM. (39) - FRAMES AND BALLASTING
20
25
24
7
21
6
8
22
23
25
27
5
23
3
4
1
25
2
26
28
FIT
1:1
100%

Артикул

Название

Примечание

Количество

1

09253000

HITCH

Rear Assembly

1шт.

2

09249000

1шт.

3

09248000

CHANNEL

Hitch

1шт.

4

14816245

HITCH PIN

1" Ø

1шт.

5

24111200

SPRING

Compression

1шт.

6

02135000

TUBE

Spacer

1шт.

7

20092081

SUPPORT

Hitch Casting

1шт.

8

02134100

TOW BAR

Hitch Casting w/Bushing

1шт.

20

NSS

NOT SOLD SEPARAT

1/4" Ø Roll Pin

1шт.

21

NSS

NOT SOLD SEPARAT

1" Mach. Washer

1шт.

22

16010044

SCREW

5/8" x 1" NC Gd. 5

1шт.

23

16310011

U-BOLT

BOLT "U" 5/8" x 4" x 5 1/2" Lg.

1шт.

24

NSS

NOT SOLD SEPARAT

3/4" x 4 1/2" NC Cap Screw

1шт.

25

NSS

NOT SOLD SEPARAT

5/8" NC Hex. Nut

6шт.

26

NSS

NOT SOLD SEPARAT

5/8" NC Hex. Lock Nut

1шт.

27

NSS

NOT SOLD SEPARAT

3/4" NC Hex. Nut

1шт.

28

NSS

NOT SOLD SEPARAT

1/8" NPT Grease Zerk

1шт.

Выбрано товаров: 17