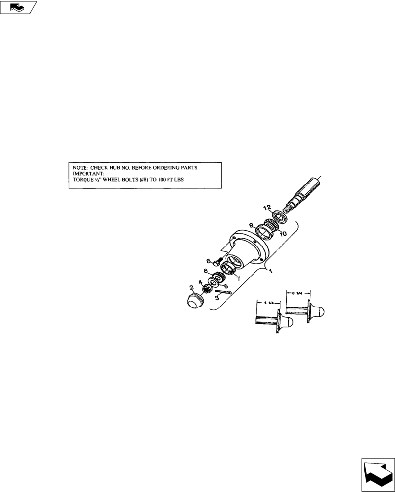
Запчасти Case IH COULTER (44.100.01) - 633 HUB & SPINDLE ASSEMBLY (44) - WHEELS

Схема запчастей Case IH COULTER - (44.100.01) - 633 HUB & SPINDLE ASSEMBLY (44) - WHEELS
5
9
7
4
1
2
8
3
10
6
12
FIT
1:1
100%

Артикул

Название

Примечание

Количество

1

28163300

HUB ASSY.

633 4-Bolt W/Tapered Lug Bolts

1шт.

1

28163311

HUB ASSY.

633 4-Bolt W/Flat Head Bolts

1шт.

2

28463300

HUB CAP

1шт.

3

NSS

NOT SOLD SEPARAT

5/32" x 1-1/2" Cotter Pin

1шт.

4

NSS

NOT SOLD SEPARAT

3/4" NF Slotted Nut

1шт.

5

NSS

NOT SOLD SEPARAT

3/4" SAE Washer

1шт.

6

651815R91

BEARING ASSY,7.508" ID x 17.82" OD x 6"

0.75 Bore Timken LM11949

1шт.

6

651815R91GV

BEARING CONE

Value, Cone Bearing

1шт.

7

651814R1

BEARING CUP

1.78 OD Timken LM11910

1шт.

8

16408053

SPECIAL BOLT

1/2" X 1" NF Tapered Lug

4шт.

8

414-820

BOLT,Hex, 1/2" - 20 x 1-1/4", Gr 5

4шт.

8

16408052

SPECIAL BOLT

1/2" x 1-1/4" NF Tapered Lug

4шт.

8

414-816

BOLT,Hex, 1/2" - 20 x 1", Gr 5

4шт.

9

651817R1

BEARING CUP

2.33 OD Timken LM67010

1шт.

10

651818R91

ROLLER BEARING,31.77 mm ID x 16.08 mm

1.25 Bore Timken LM67048

1шт.

11

28063304

HUB ASSY.

Spindle Assy. (6-1/4") W/Tapered Lug Bolts (Not Shown)

1шт.

11

28063311

HUB

Spindle Assy. (4-1/4") W/Tapered Lug Bolts (Not Shown)

1шт.

11

28063321

HUB ASSY.

Spindle Assy. (4-1/4") W/Flat Head Bolts (Not Shown)

1шт.

12

126621C1

SEAL

1.50 ID x 2.33 OD CR14975

1шт.

Выбрано товаров: 19