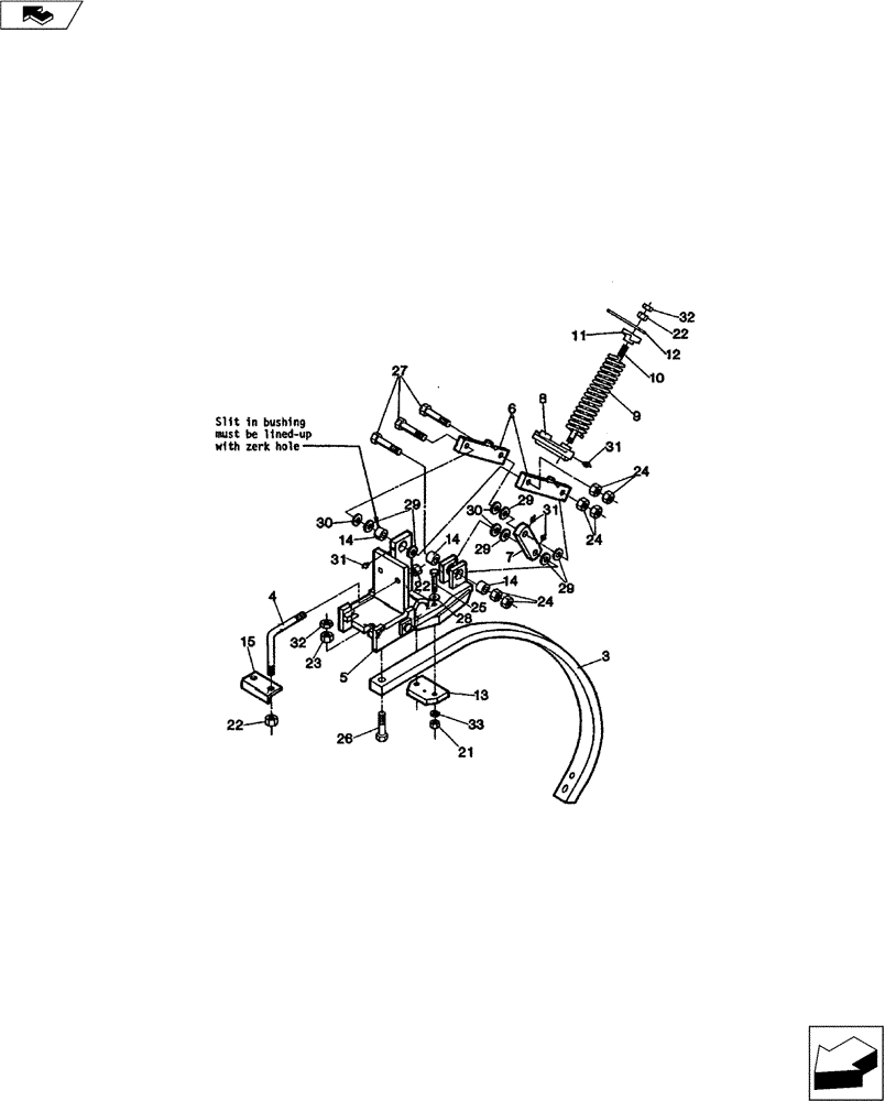
Запчасти Case IH COULTER (75.200.06) - AUTO-RESET SHANK - 1984 (75) - SOIL PREPARATION

Схема запчастей Case IH COULTER - (75.200.06) - AUTO-RESET SHANK - 1984 (75) - SOIL PREPARATION
10
24
13
15
22
3
28
22
29
24
29
9
8
14
5
22
12
29
31
32
14
29
23
6
24
32
4
27
31
26
25
31
30
14
7
30
21
33
11
FIT
1:1
100%

Артикул

Название

Примечание

Количество

1

09580004

SHANK

A/R W/1-1/2" x 25" (Not Shown)

1шт.

1

09560002

SHANK

A/R W/1-1/4" x 25" (Not Shown)

1шт.

2

09562000

KIT

A/R Bundle Less Shank (Not Shown)

1шт.

3

33020026

SHANK

1-1/2" x 2" x 25"

1шт.

3

33020025

SHANK

1-1/4" x 2" x 25"

1шт.

4

16512470

SPECIAL BOLT

Bent Threaded Rod

2шт.

5

09561000

MOUNTING PARTS

Auto Reset Shank

1шт.

6

09563000

UPPER LINK

1шт.

7

09564000

LOWER LINK

1шт.

8

09565100

HOLDER

Spring Casting

1шт.

9

24156203

SPRING

Compression

2шт.

10

16909128

ROD

2шт.

11

20090050

HOLDER

Spring Casting

2шт.

12

09566000

Bar

1шт.

13

09568000

PLATE

Flat

1шт.

14

44008750

BRONZE BUSHING

0.875 ID x 0.62 Lg.

3шт.

15

09561200

PLATE

1шт.

21

NSS

NOT SOLD SEPARAT

5/8" NC Hex. Nut

2шт.

22

NSS

NOT SOLD SEPARAT

3/4" NC Hex. Nut

8шт.

23

NSS

NOT SOLD SEPARAT

3/4" NC Heavy Hex. Nut

1шт.

24

NSS

NOT SOLD SEPARAT

7/8" NC Hex. Jam Nut

6шт.

25

413-1064

BOLT,Hex, 5/8" - 11 x 4", Gr 5

2шт.

26

426-1256

BOLT,Hex, 3/4" - 10 x 3-1/2", Gr 8

1шт.

27

16901413

BOLT

7/8" x 3-1/4" Special Hex.

3шт.

28

17411012

WASHER

5/8" Heavy

3шт.

29

17614010

BUSHING

7/8"Machine 18 Ga.

6шт.

30

17614020

BUSHING

7/8"Machine 14 Ga.

3шт.

31

NSS

NOT SOLD SEPARAT

1/4" - 28 Thd. Grease Zerk

5шт.

32

NSS

NOT SOLD SEPARAT

3/4" NC Jam Nut

3шт.

33

NSS

NOT SOLD SEPARAT

5/8" Lock Washer

2шт.

Выбрано товаров: 30