Запчасти Case IH COULTER CHAMP (39.100.01[02]) - COLTER-CHAMP ASSY (39) - FRAMES AND BALLASTING

Схема запчастей Case IH COULTER CHAMP - (39.100.01[02]) - COLTER-CHAMP ASSY (39) - FRAMES AND BALLASTING
9
36
39
25
10
24
18
26
42
11
21
23
28
6
41
17
39
38
7
12
4
32
16
42
2
44
3
37
31
44
22
44
5
19
33
30
35
20
14
27
1
34
home
29
20
24
15
40
FIT
1:1
100%

Артикул

Название

Примечание

Количество

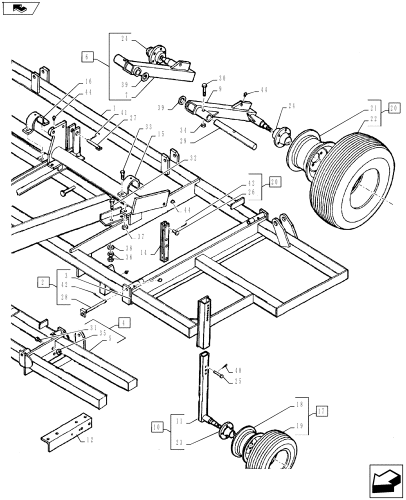
1

09601100

1шт.

2

09569000

11"

2шт.

2

09552000

L.H. 42"

1шт.

3

09569100

11"

2шт.

4

09554000

L.H. 10"

1шт.

4

09557000

L.H. 40"

1шт.

5

09554100

L.H. 10"

1шт.

5

09557100

L.H. 40"

1шт.

6

09506000

CHOPPER BODY ASSY

R.H. Spindle Arm With Hub

1шт.

7

09526000

CHOPPER BODY ASSY

R.H. Spindle Arm Less Hub

1шт.

8

09507000

CHOPPER BODY ASSY

L.H. Spindle Arm With Hub

1шт.

9

09527000

CHOPPER BODY ASSY

L.H. Spindle Arm Less Hub

1шт.

10

09403000

Wheel Spindle With Hub

1шт.

11

09415000

Wheel Spindle Less Hub

1шт.

12

09553220

Angle (See Figure 75.200.04)

1шт.

13

09613000

LIFT LINK

Assembly

2шт.

14

04605310

LIFT LINK

2шт.

15

09503000

CLAMP

Outer Lift Tube

2шт.

16

09504000

CLAMP

Inner Lift Tube

2шт.

17

10005146

LAND WHEEL

7.50 x 14 TireAssembly

2шт.

18

10105146

LAND WHEEL

5 x 14 4-Hole

2шт.

19

NSS

NOT SOLD SEPARAT

7.50 x 14 4-Ply Tire

2шт.

20

10010158

12.5L x 15

2шт.

21

10110151

WHEEL

10 x 15 6-Hole

2шт.

22

NSS

NOT SOLD SEPARAT

12.5L x 15 Tire

2шт.

23

28163300

HUB ASSY.

Q-633 4-Bolt (See Figure 44.100.01)

2шт.

24

28180300

HUB ASSY.

Q-803 6-Bolt (See Figure 44.100.02)

2шт.

25

14810251

HEADED PIN,15.88mm OD x 96.77mm L

5/8" Dia. x 3 1/8" EL Clevis

2шт.

26

14816180

HEADED PIN

1" Dia. x 2 1/8" EL Clevis (Hardened)

4шт.

27

14816395

CLEVIS

1" Dia. x 4 7/8" EL Pin

1шт.

28

14816685

CLEVIS

1" Dia. x 8 1/2" EL Pin

4шт.

29

09308000

ROD ASSY.

2" Dia. x 18 5/8" Lg. Pin

2шт.

30

16008134

BOLT

1/2" x 3 1/4" NC Cap Gd. 5

2шт.

31

NSS

NOT SOLD SEPARAT

5/8" x 2" NC Cap Screw

4шт.

32

16012125

BOLT

3/4" x 3" NC Cap Gd. 5

4шт.

33

16014105

BOLT

7/8'' x 2 1/2" NC Cap Gd. 5

8шт.

34

NSS

NOT SOLD SEPARAT

1/2" NC Hex. Nut

2шт.

35

NSS

NOT SOLD SEPARAT

5/8" NC Hex. Nut

4шт.

36

NSS

NOT SOLD SEPARAT

3/4" NC Hex. Nut

28шт.

37

NSS

NOT SOLD SEPARAT

7/8" NC Hex. Nut

8шт.

38

17413011

WASHER

3/4" x .24 Thick

8шт.

39

17632020

BUSHING

2" Machinery

1шт.

40

NSS

NOT SOLD SEPARAT

1/8" x 2" Hairpin

2шт.

41

NSS

NOT SOLD SEPARAT

3/16" x 3" Hairpin

1шт.

42

NSS

NOT SOLD SEPARAT

1/4" x 1 1/2" Cotter Pin

8шт.

43

NSS

NOT SOLD SEPARAT

1/8" NPT Grease Zerk

17шт.

44

NSS

NOT SOLD SEPARAT

1/4-28 Thread Grease Zerk

5шт.

Выбрано товаров: 47