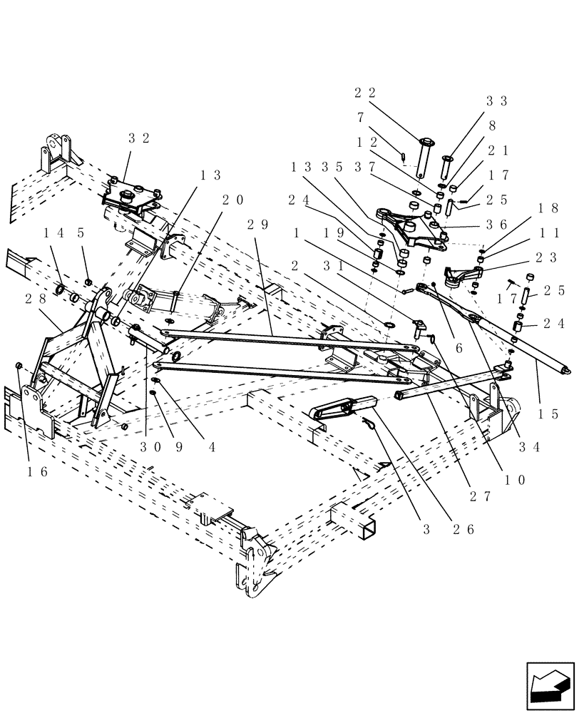
Запчасти Case IH PTX300 (1.102.1) - DEPTH CONTROL ASSEMBLY, CENTER SECTION ASN CBJ0015121 (12) - FRAME

Схема запчастей Case IH PTX300 - (1.102.1) - DEPTH CONTROL ASSEMBLY, CENTER SECTION ASN CBJ0015121 (12) - FRAME
6
20
21
24
24
9
17
11
5
14
1
15
17
13
10
2
30
31
16
37
32
12
19
35
22
8
13
33
3
4
25
25
27
29
34
7
26
23
18
36
28
FIT
1:1
100%

Артикул

Название

Примечание

Количество

1

87974

BOLT,Hex, 1/2" - 13 x 2 3/4", Gr 5

1шт.

2

87325446

WASHER,1.75" ID x 2.5" OD x 0.07" Thk

1 3/4" id 2 1/2" x 14 ga

2шт.

3

136-251

HAIR PIN COTTER,Int, 7/16" x .177"

1шт.

4

86511191

WASHER,0.81" ID x 2" OD x 0.15" Thk

4шт.

5

86523224

BUSHING,25.58mm ID x 32.77mm OD x 26.16mm L

tension 1 1/4" x 1" x 1" long

1шт.

6

87530607

NUT

1/2"-13, GB

1шт.

7

4770

ROLL PIN

1/2" x 3"

2шт.

8

87325445

WASHER,1.25" ID x 1.88" OD x 0.07" Thk

1 1/4" id 1 7/8" 14ga

1шт.

9

280375

NUT,3/4"-10, GC

2шт.

10

6425

LINCH PIN

7/16" x 1 3/8"

1шт.

11

87420246

BUSHING,25.5mm ID x 31.84mm OD x 25.4mm L

Garmax MGL composite 1 1/4" x 1" x 1"

2шт.

12

87420247

BUSHING,31.85mm ID x 38.19mm OD x 25.4mm L

gar mgl 1 1/2" x 1 1/4" x 1" polygon

4шт.

13

6637

BUSHING

composite 2" x 1 3/4" x 1"

6шт.

14

7871

WASHER

1 3/4" x 2 1/2" x 3/16"

2шт.

15

7903

HOSE,2.00" ID x 28.00"

Water Discharge

1шт.

16

87500592

BUSHING,25.5mm ID x 31.84mm OD x 19.05mm L

composite 1 1/4" x 1" x 3/4"

8шт.

17

425291A1

ROLL PIN

3/8" x 1 1/2" spiral

3шт.

18

121189

OIL SEAL

1 1/4" od x 1/8" thick

8шт.

19

8059

SEAL,0.139" Thk x 1.734" ID, -224, Cl 5, 75 Duro

2" od x 1/8" thick

2шт.

20

84450

BOLT,Hex, 3/4" x 4 1/2", Gr 8

2шт.

21

87010463

CAP

vinyl 1 3/8" x 1"

3шт.

22

87454767

PIVOT PIN

crank

2шт.

23

NW-332

ROCKER

depth crank with bushings

2шт.

Includes 6635 and 7995

1шт.

24

NW-334

ARM

weeble with bushing

2шт.

Includes two 7995

1шт.

25

NW-453

PIN

1" x 3 7/8"

3шт.

26

TH-318

LINK

adjuster, wheel standard

1шт.

27

TH-319

LINK

adjuster, lower

1шт.

28

TH-364

STABILIZER BAR

swaybar

1шт.

Includes 64601C1, two 6637 and two 7995

1шт.

29

TH-365

LINK

drive

2шт.

30

TH-380

PIN

1 3/4" x 12"

1шт.

31

TH-383

PIN

saddle

1шт.

32

TH-590

CRANK

Depth, Center RH

1шт.

33

TH-591

PIN

1 1/4"

1шт.

34

TH-592

LINK

wing hinge, bolt style, Years: -01-MAR-06

1шт.

34

87399285

LINK

wing hinge, bolt style, Start Year: 01-APR-06

1шт.

35

TH-593

SPACER

2" od x 1 7/8"

2шт.

36

TH-595

CRANK

Depth, Center LH

1шт.

37

TH-597

SPACER

1.485" od x 1.265" id x 1.688"

2шт.

Выбрано товаров: 41