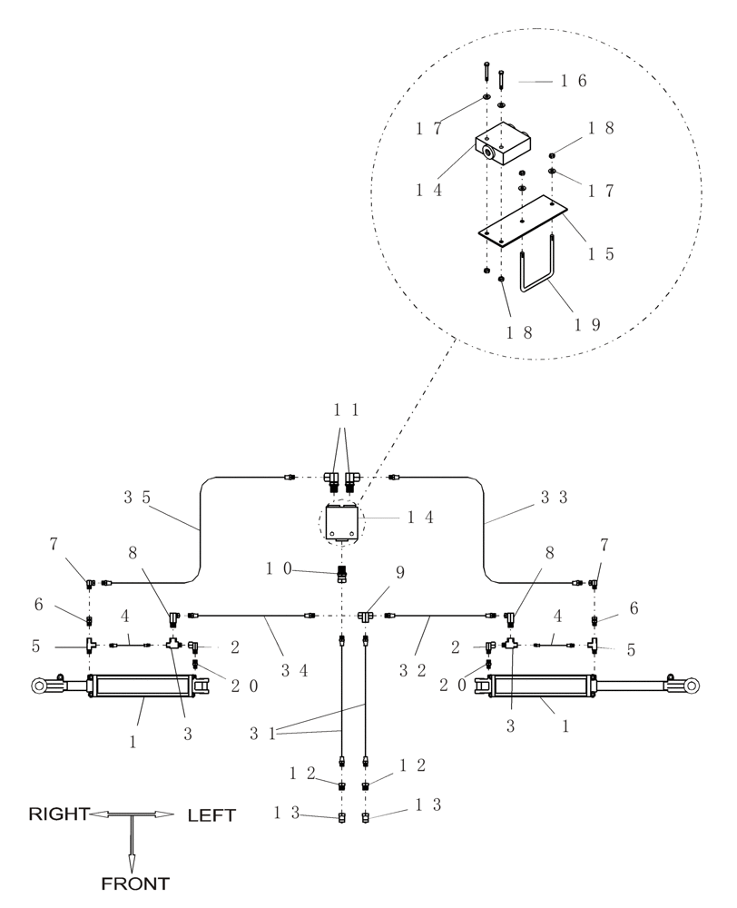
Запчасти Case IH PTX600 (2.070.1) - DUAL ENDMARKER HYDRAULICS (07) - HYDRAULICS

Схема запчастей Case IH PTX600 - (2.070.1) - DUAL ENDMARKER HYDRAULICS (07) - HYDRAULICS
17
14
3
4
34
4
35
31
18
8
10
18
16
14
7
9
11
3
20
12
17
32
6
13
5
6
1
8
13
12
2
15
7
19
33
1
20
2
5
FIT
1:1
100%

Артикул

Название

Примечание

Количество

1

8180

HYDRAULIC CYLINDER,28.57mm Rod, 304.8mm Stroke

2" X 12" Monarch, 2500 psi with pins

2шт.

Refer to hydraulic cylinder page for replacement parts

1шт.

2

8145

ELBOW

90º swivel 1/2" fpt x 1/2" fpt

2шт.

3

6453

CHECK VALVE

1/2" mp x 1/2" fp x 1/4" fpt

2шт.

4

432615A1

HYDRAULIC HOSE,0.25" ID x 11.00"

1/4" x 11" fl, 1/4" mpt x 3/8" mpt

2шт.

5

6415

TEE

3/8" fpt x 3/8" mpt x 3/8" fpt

2шт.

6

218-1422

FITTING

3/8" fpt x 3/8" mpt, .040" orifice

2шт.

7

218-926

90 ELBOW,90 Degree, 3/8" NPTF Male x 3/8" NPSM Fem Sw

2шт.

8

2668

ELBOW

90º 3/8" fpt x 1/2" mpt

2шт.

9

3821

TEE

3/8" fpt x 3/8" fpt x 3/8" fpt

1шт.

10

218-5252

HYD CONNECTOR,3/4" - 16 ORB x 3/8" NPT

1шт.

11

218-5387

90 ELBOW,90 Degree, 3/4"-16 O-Ring x 3/8" NPSM Fem

2шт.

12

221-89

REDUCER,Hex, 1/2" x 3/8" NPT

2шт.

13

435414A1

QUICK MALE COUPLING,1/2"-14 NPTF

2шт.

14

87506235

REMOTE CONTROL VALVE

sequence 2 way 3 port

1шт.

15

DR-781

BRACKET

mount, sequence valve

1шт.

16

9707515

BOLT,Hex, 5/16 - 18" x 1 3/4", Gr 5

2шт.

17

80664

WASHER,0.38" ID x 0.88" OD x 0.08" Thk

2шт.

18

281010

LOCK NUT,7/8"-14, GC

2шт.

19

419990A1

U-BOLT

us 5/16" x 4 1/8" w x 4 3/4" d 3/4" thread

1шт.

20

3814

FITTING

close nipple 3/8" mpt x 1/2" mpt

2шт.

31

432611A1

HYDRAULIC HOSE,0.25" ID x 288.00"

1/4" x 288" fl, 3/8" mpt x 3/8" mpt

2шт.

25', 31', 37' and 43' models

1шт.

31

6918

HYDRAULIC HOSE,6.35 mm ID x 8229.60 mm, SAE 100R17

1/4" x 324" fl

2шт.

40' and 46' models

1шт.

32

6771

HYDRAULIC HOSE,6.35 mm ID x 4267.20 mm, SAE 100R17

1/4" x 168" fl

1шт.

25' models

1шт.

32

6723

HYDRAULIC HOSE,0.25" ID x 240.00", SAE 100R17 Class 2 Type 2, SAE J517, SAE J516

1/4" x 240" fl

1шт.

31' models

1шт.

32

6917

HYDRAULIC HOSE

1/4" x 264" fl

1шт.

37', 40', 43' and 46' models

1шт.

33

6771

HYDRAULIC HOSE,6.35 mm ID x 4267.20 mm, SAE 100R17

1/4" x 168" fl

1шт.

25' models

1шт.

33

6723

HYDRAULIC HOSE,0.25" ID x 240.00", SAE 100R17 Class 2 Type 2, SAE J517, SAE J516

1/4" x 240" fl

1шт.

31' models

1шт.

33

6917

HYDRAULIC HOSE

1/4" x 264" fl

1шт.

37' and 40' models

1шт.

33

432611A1

HYDRAULIC HOSE,0.25" ID x 288.00"

1/4" x 288" fl, 3/8" mpt x 3/8" mpt

1шт.

43' and 46' models

1шт.

34

6917

HYDRAULIC HOSE

1/4" x 264" fl

1шт.

25' models

1шт.

34

6918

HYDRAULIC HOSE,6.35 mm ID x 8229.60 mm, SAE 100R17

1/4" x 324" fl

1шт.

31' models

1шт.

34

6919

HYDRAULIC HOSE,0.25" ID x 360.00", SAE 100R17 Class 2 Type 2, SAE J517, SAE J516

1/4" x 360" fl

1шт.

37' and 43' models

1шт.

34

432619A1

HYDRAULIC HOSE,0.25" ID x 390.00"

1/4" x 390" fl, 3/8" mpt x 3/8" mpt

1шт.

40' models

1шт.

34

6920

HYDRAULIC HOSE,6.35 mm ID x 10363.20 mm, SAE 100R17 Class 2 Type 2

1/4" x 408" fl

1шт.

46' models

1шт.

35

6917

HYDRAULIC HOSE

1/4" x 264" fl

1шт.

25' models

1шт.

35

6918

HYDRAULIC HOSE,6.35 mm ID x 8229.60 mm, SAE 100R17

1/4" x 324" fl

1шт.

31' models

1шт.

35

6919

HYDRAULIC HOSE,0.25" ID x 360.00", SAE 100R17 Class 2 Type 2, SAE J517, SAE J516

1/4" x 360" fl

1шт.

37' models

1шт.

35

6920

HYDRAULIC HOSE,6.35 mm ID x 10363.20 mm, SAE 100R17 Class 2 Type 2

1/4" x 408" fl

1шт.

40' and 46' models

1шт.

35

432619A1

HYDRAULIC HOSE,0.25" ID x 390.00"

1/4" x 390" fl, 3/8" mpt x 3/8" mpt

1шт.

43' models

1шт.

Выбрано товаров: 59