Запчасти Case IH S-SERIES (75.200.06) - 32" SPRING SHANK ASSEMBLY (75) - SOIL PREPARATION

Схема запчастей Case IH S-SERIES - (75.200.06) - 32" SPRING SHANK ASSEMBLY (75) - SOIL PREPARATION
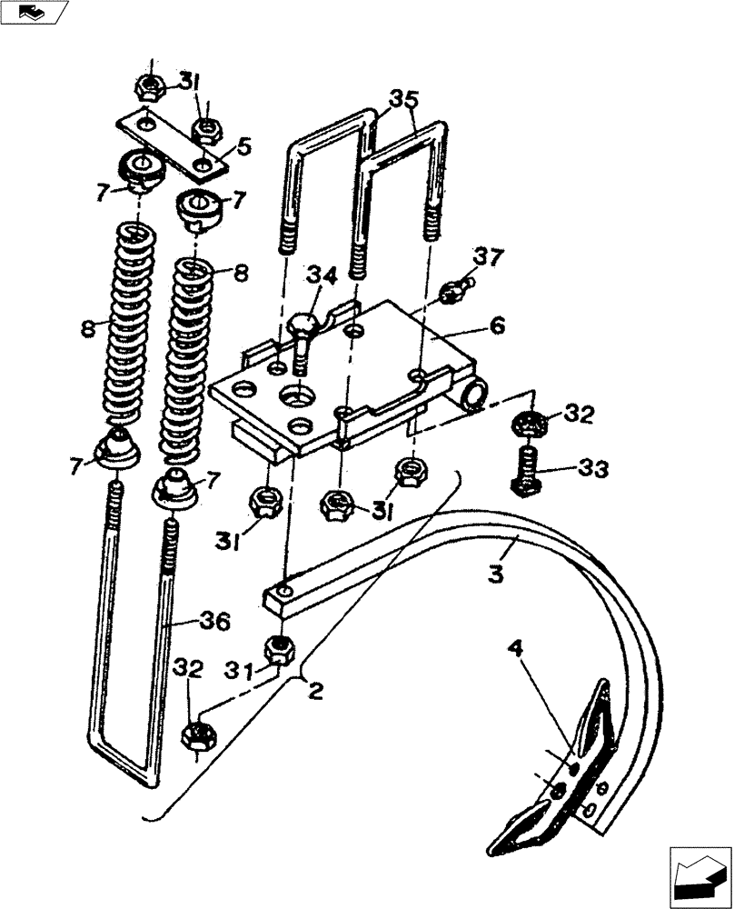
7
4
37
2
7
31
34
5
31
3
32
36
33
8
32
31
6
8
31
7
35
7
FIT
1:1
100%

Артикул

Название

Примечание

Количество

1

09350081

SHANK

32" Spring Assy Less Point (Not Shown)

1шт.

2

09350085

Less Point

1шт.

3

33020032

SHANK

1-1/4" x 2" x 32"

1шт.

4

33310041

POINT

Heavy Duty Chisel W/Hardware

1шт.

5

09007000

BAR

Spacer Plate

1шт.

6

09351000

BRACKET

Spring Shank Pivot

1шт.

7

20090050

HOLDER

Spring Casting

4шт.

8

24156202

SPRING

Compression

2шт.

31

NSS

NOT SOLD SEPARAT

3/4" NC Hex. Nut

7шт.

32

NSS

NOT SOLD SEPARAT

3/4" NC Jam Nut

2шт.

33

16812084

SET SCREW,3/4" - 10 x 2"

3/4" x 2" Sq. Hd. Set

1шт.

34

326-1248

BOLT,Hex, 3/4" - 10 x 3", Gr 8

NC

1шт.

35

16312230

U-BOLT

BOLT "U" 3/4" NC x 4" x 5-1/2" Sq.

2шт.

36

16312770

U-BOLT

3/4" NC x 3-1/8" x 19-3/8" Sq.

1шт.

37

NSS

NOT SOLD SEPARAT

1/8" NPT Grease Zerk

1шт.

Выбрано товаров: 15