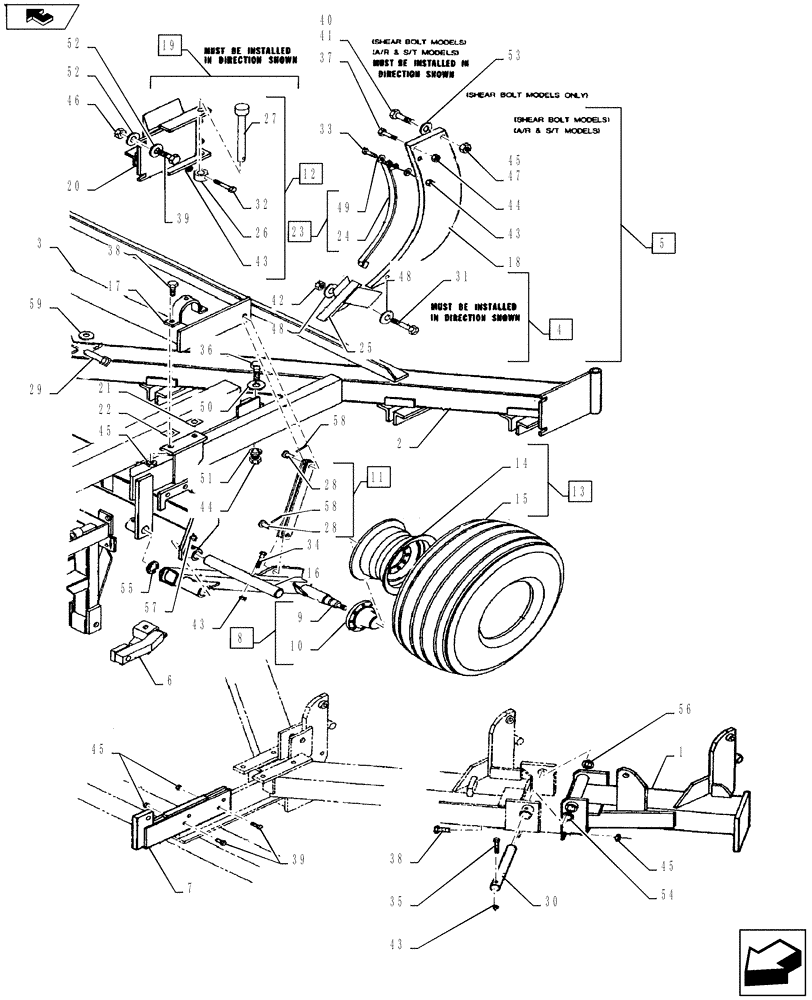
Запчасти Case IH TURBO-TIGER (39.100.02) - MAIN FRAME ASSEMBLY (39) - FRAMES AND BALLASTING

Схема запчастей Case IH TURBO-TIGER - (39.100.02) - MAIN FRAME ASSEMBLY (39) - FRAMES AND BALLASTING
20
58
41
52
28
16
51
26
43
2
38
57
33
11
49
31
47
59
13
38
43
35
52
4
55
42
43
45
23
25
58
15
29
43
27
45
10
21
17
48
3
8
50
39
6
14
7
45
1
18
40
56
5
39
19
34
24
46
30
36
12
home
44
32
28
37
45
53
44
54
48
9
22
FIT
1:1
100%

Артикул

Название

Примечание

Количество

1

09946100

FRAME

RH Wing

1шт.

1

09947100

FRAME

LH Wing

1шт.

2

09940100

FRAME

Main (SB Model)

1шт.

2

09931100

FRAME

Main (SB Model)

1шт.

2

09801100

FRAME

Main

1шт.

2

09858100

FRAME

Auto Reset Main

1шт.

3

09806000

FRAME

Main Lift Tube (S/B Model)

1шт.

3

09926000

FRAME

Main Lift Tube (A/R & S/T Model)

1шт.

3

09803000

TUBE

Lift

1шт.

3

09902300

TUBE

Rear Pivot

1шт.

4

09907000

POINT

10" Standard

5шт.

5

09945000

SHANK

Assy., W/Point (A/R & S/T Model)

5шт.

5

09910000

SHANK

Assy., W/Wing Point

5шт.

6

09905200

BRACKET

Right Disc Moun

5шт.

7

09923000

MOUNTING PARTS

Cylinder (A/R & S/T Model)

1шт.

8

09834001

ARM

LH Spindle (SB Model)

1шт.

8

09834000

ARM

LH Spindle Weld

1шт.

8

09805000

ARM

LH Spindle (SB Model)

1шт.

8

09939000

ARM

LH Spindle (A/R & S/T Model)

1шт.

9

09839000

ARM

LH Spindle L/Hub (SB Model)

1шт.

9

09841000

ARM

LH Spindle L/Hub (SB Model)

1шт.

9

09952000

ARM

LH Spindle L/Hub (A/R & S/T Model)

1шт.

10

28082100

HUB

Q-821 Assy.

2шт.

10

28177800

HUB ASSY.

Q-778

2шт.

11

09817000

LINK/SHACKLE

Lift Assy. (S/B Model)

2шт.

11

09924000

LINK/SHACKLE

Lift Assy. (A/R & S/T Model)

2шт.

12

09820010

PIN

Hinge Assy.

2шт.

13

10010162

TYRE/TIRE

11.00 x 16 Wheel Assy.

2шт.

13

10111166

LAND WHEEL

11 x 16.1 8-Hole

2шт.

14

10110166

WHEEL

10 x 16 8-Hole

2шт.

14

10111166

LAND WHEEL

11 x 16.1 8

2шт.

15

NSS

NOT SOLD SEPARAT

11.00 x 16 8-Ply Tire

2шт.

15

NSS

NOT SOLD SEPARAT

16.5 X 16.1 8-Ply Tire

2шт.

16

09308000

ROD ASSY.

Pin

2шт.

17

09503000

CLAMP

Outer Tube

2шт.

18

09936000

SHANK

1-1/2" (SB Model)

5шт.

18

09930000

SHANK

1-1/2" (A/R & S/T Model)

5шт.

18

09809000

SHANK

5шт.

19

09900019

KIT

RH Hinged Wing W/Hardware

1шт.

19

09900020

KIT

LH Hinged Wing W/Hardware

1шт.

20

09917000

KIT

RH Hinged Wing

1шт.

20

09918000

KIT

LH Hinged Wing

1шт.

21

09503020

SHIM

12 Ga.

8шт.

22

09503021

SHIM

14 Ga.

8шт.

23

09916000

PLOW

Wear Strip w/hardware

5шт.

24

09916100

TIP

Wear Strip

5шт.

25

09907000

POINT

10" Tiger

5шт.

26

02613000

COLLAR

2шт.

27

14820755

PIN

2шт.

28

14816180

HEADED PIN

1" x 2-7/32''

4шт.

29

14816395

CLEVIS

1" x 4-7/8" Pin

1шт.

30

14893299

PIN

2шт.

31

413-744

BOLT,Hex, 7/16" - 14 x 2-3/4", Gr 5

NC Cap Screw

5шт.

32

16008104

BOLT

1/2" x 2-1/2" NC Cap, Gd 5

2шт.

33

NSS

NOT SOLD SEPARAT

1/2" x 3" NC Cap Screw

5шт.

34

16008134

BOLT

1/2" x 3-1/4" NC Cap Screw Gd 5

2шт.

35

16008144

BOLT

1/2" x 3-1/2" NC Cap Screw Gd 5

2шт.

36

16012104

BOLT

3/4" x 2-1/2" NC Cap Screw Gd 5

14шт.

37

16901216

CAPSCREW

3/4" x 3-3/4" Sp. Bolt

5шт.

38

413-1440

BOLT,Hex, 7/8" - 9 x 2-1/2", Gr 5

NC Cap Screw

14шт.

39

413-1448

BOLT,Hex, 7/8" - 9 x 3", Gr 5

NC Cap Screw

6шт.

40

16901419

BOLT

7/8" x 4-1/4" Sp.

5шт.

41

16902416

SPECIAL BOLT

1-1/2" x 4" Sp.

5шт.

42

NSS

NOT SOLD SEPARAT

7/16" NC Hex. Nut

5шт.

43

NSS

NOT SOLD SEPARAT

1/2" NC Hex. Nut

13шт.

44

NSS

NOT SOLD SEPARAT

3/4" NC Hex. Nut

52шт.

45

NSS

NOT SOLD SEPARAT

7/8" NC Hex. Nut

21шт.

46

14021401

NUT

7/8" NC Heavy

4шт.

47

NSS

NOT SOLD SEPARAT

1-1/2" NC Jam Nut

5шт.

48

NSS

NOT SOLD SEPARAT

7/16" Std. Flat Washer

10шт.

49

NSS

NOT SOLD SEPARAT

1/2" Std. Flat Washer

10шт.

50

NSS

NOT SOLD SEPARAT

3/4" Std. Flat Washer

18шт.

51

NSS

NOT SOLD SEPARAT

3/4" Lock Washer

10шт.

52

17414011

WASHER

7/8" Heavy

16шт.

53

17614012

GROOVED BUSHING

7/8" Mach.

5шт.

54

17632010

GROOVED BUSHING

2" Mach., 18 Ga.

4шт.

55

17632020

BUSHING

2" Mach., 10 Ga.

4шт.

56

17632030

BUSHING

2" Mach., 16 Ga.

4шт.

57

NSS

NOT SOLD SEPARAT

1/8" NPT Zerk

21шт.

58

NSS

NOT SOLD SEPARAT

1/4" - 1-1/2" Cotter Pin

8шт.

59

NSS

NOT SOLD SEPARAT

3/16" x 3" Hair Pin

1шт.

60

16012194

BOLT

3/4x" x 4-3/4" Nc Cap, Gd.5 (Not Shown)

5шт.

Выбрано товаров: 82