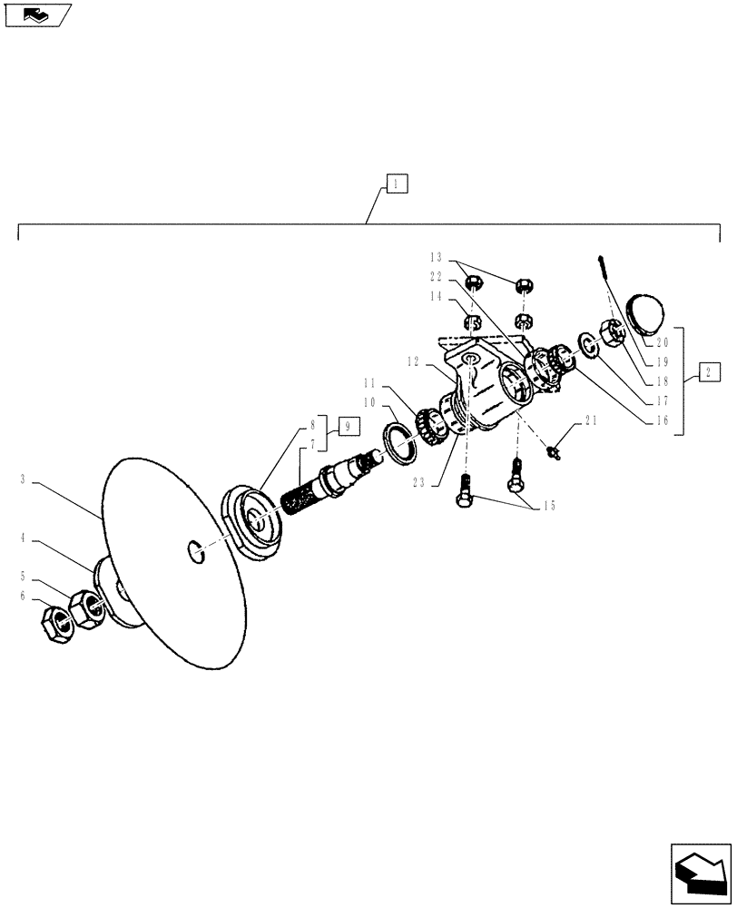
Запчасти Case IH TURBO-TIGER (44.100.05) - DISC HUB ASSEMBLY (44) - WHEELS

Схема запчастей Case IH TURBO-TIGER - (44.100.05) - DISC HUB ASSEMBLY (44) - WHEELS
18
6
14
9
23
11
home
10
20
22
1
13
8
21
7
16
2
3
15
19
17
5
12
4
FIT
1:1
100%

Артикул

Название

Примечание

Количество

1

09942000

HUB ASSY.

W/Disc Blade -LH/RH

1шт.

2

28003000

HUB ASSY.

LH/RH, Includes Ref. 9-12, 16-21

1шт.

3

443639A1

PLOW DISC

24" Blade

1шт.

4

09904020

WASHER

Outside

1шт.

5

425-1628

NUT,1 3/4"-5, G5, Hvy

1-3/4" NC Hex.

1шт.

6

14032800

LOCK NUT

1-3/4" NC Jam

1шт.

7

09904100

SPINDLE

W/Washer, Includes Ref. 11-16

1шт.

8

09904100

SPINDLE

W/Washer, Includes Ref. 11-16

1шт.

9

09904101

SPINDLE

W/Washer, Includes Ref. 7-8

1шт.

10

21932750

SEAL

2.75 ID (CR #531108)

1шт.

In An Emergency, Chicago Rawhide 27349 May Be Substituted For This Seal.

1шт.

11

3216619R91

TAPERED BEARING,55mm ID x 26mm W

2.165 ID Cone (Timken JLM506848E)

1шт.

12

28703000

HUB ASSY.

W/Cups

1шт.

13

NSS

NOT SOLD SEPARAT

7/8" NC Hex. Nut

2шт.

14

17414012

WASHER,23.83mm ID x 44.45mm OD x 6.45mm Thk

7/8" Heavy

1шт.

15

413-1440

BOLT,Hex, 7/8" - 9 x 2-1/2", Gr 5

NC Cap Screw

2шт.

16

300426R91

BEARING ASSY,45.618 mm ID x 25.4 mm

1.796 ID (Timken 25590)

1шт.

17

17421020

GROMMET

1-1/4" Special Washer

1шт.

18

NSS

NOT SOLD SEPARAT

1-1/4" NF Slotted Nut

1шт.

19

NSS

NOT SOLD SEPARAT

7/32" x 2" Cotter Pin

1шт.

20

28480320

DUST CAP

Hub

1шт.

21

NSS

NOT SOLD SEPARAT

1/8" NPT Grease Zerk

1шт.

22

130503H

BEARING CUP

3.265 OD (Timken 25520)

1шт.

23

625743C1

BEARING CUP,90mm OD x 18.5mm W

3.543 OD (Timken JLM506810)

1шт.

Выбрано товаров: 24