Запчасти Case IH 1200M-SERIES (054) - WING AXLE, WING AXLE, NEW AND OLD STYLE, RIGHT AND LEFT

Схема запчастей Case IH 1200M-SERIES - (054) - WING AXLE, WING AXLE, NEW AND OLD STYLE, RIGHT AND LEFT
27
16
21
8
13
15
20
25
29a
26
14
27
7
30
18
10
12
24
6
19
29
11
1
2
23
28
9
22
28
5
4
29
3
17
FIT
1:1
100%

Артикул

Название

Примечание

Количество

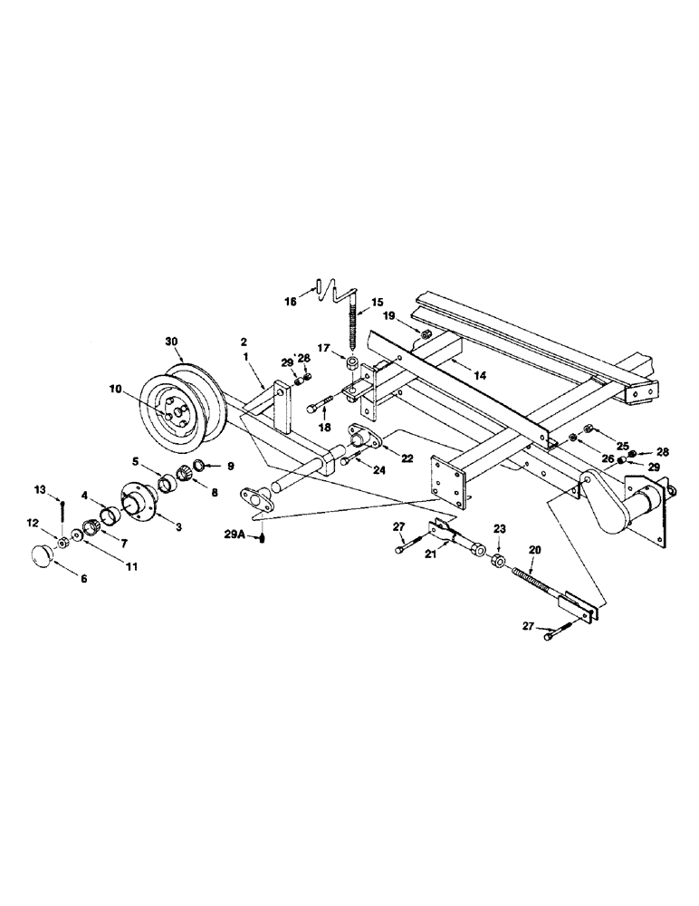
1

T52782

WING AXLE - R

1шт.

2

T52873

WING AXLE - L

1шт.

3

T26242

HUB

W/CUPS

2шт.

4

B12410

BEARING, CUP,1.782" OD

CUP - outer

2шт.

5

B12408

BEARING CUP,59.156 mm OD x 11.862 mm

CUP - inner

2шт.

6

F63222

DUST CAP,53.98mm OD x 34.92mm W

HUB CAP

2шт.

7

B12411

ROLLER BEARING,0.75" ID x 0.655"

- outer

2шт.

8

B12409

BEARING, ROLLER,31.763 mm ID x 16.84 mm

ROLLER BEARING - inner

2шт.

9

B13281

SEAL,38.1mm ID x 59.23mm OD x 10.31mm Thk

GREASE SEAL

2шт.

10

A30064

BOLT

LUG BOLT 1/2"

8шт.

11

T28976

WASHER

- special 3/4" S.A.E.

2шт.

12

25-1912

SLOTTED NUT,3/4"-16, G5, Thk

NUT, hx. cast. 3/4"

2шт.

13

132-341

COTTER PIN,5/32" x 1 1/2"

5/32" x 1 1/2"

2шт.

14

T52831

AXLE STOP, depth control, new & old style

2шт.

15

T52832

CRANK

depth control, new & old style

2шт.

16

T55173

VINYL PLASTIC CAP, depth control, new & old style

2шт.

17

129-146

NUT,Jam, 9/16"-12, G5

hx. jam 7/8", depth control, new & old style

2шт.

18

113-607

BOLT,Hex, 5/8" - 11 x 1-1/2", Gr 5, Full Thd

Depth control, new & old style Hex, 5/8"-11 x 1 1/2", G5, Full Thd

4шт.

19

230-41110

LOCK NUT,5/8"-11, GA

NUT, hx. lock 5/8", depth control, new & old style

4шт.

20

T52806

ROD

LIFT ROD, basic frame crate, new & old style

2шт.

21

T52809

BRACKET

CONTROL BRACKET, basic frame crate, new & old style

2шт.

22

T55460

BEARING

AXLE BEARING, basic frame crate, new & old style

4шт.

23

129-150

NUT,Jam, 1"-8, G5

hx. jam 1", basic frame crate, new & old style

2шт.

24

113-412

BOLT,Hex, 1/2" - 13 x 1-3/4", Gr 5

Basic frame crate, new & old style Hex, 1/2"-13 x 1 3/4", G5

8шт.

25

131-1116

LOCK NUT,1/2"-13, GB

NUT, hx. top lock 1/2", basic frame crate, new & old style

8шт.

26

192-23

LOCK WASHER,1/2"

WASHER, LOCK, , Basic frame crate, new & old style 1/2"

8шт.

27

113-668

SCREW, H.H.C. 5/8" x 2" spec. thrd., basic frame crate, new & old style Hex, 5/8"-11 x 2", G5

4шт.

28

230-41110

LOCK NUT,5/8"-11, GA

NUT, hx. lock 5/8", basic frame crate, new & old style

4шт.

29

T28975

BUSHING

27/32" LG., basic frame crate, new & old style

4шт.

29a

219-22

LUBE NIPPLE,1/8" - 27 NPTF

GREASE ZERK 1/8", basic frame crate, new & old style

4шт.

30

T53526

WHEEL

RIM 15" 4-HOLE, basic frame crate, new & old style

2шт.

Выбрано товаров: 31