Запчасти Case IH 1269 (AL-02) - INNER FRAME

Схема запчастей Case IH 1269 - (AL-02) - INNER FRAME
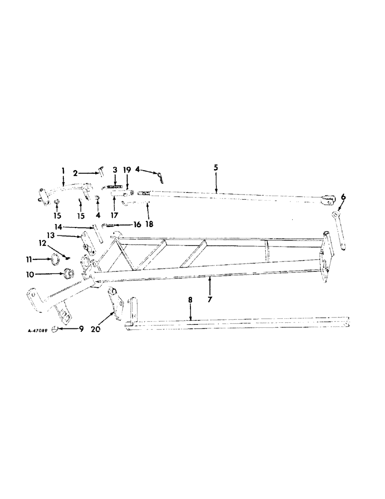
8
20
4
2
15
15
4
7
16
19
12
13
10
1
14
17
3
5
6
11
9
18
FIT
1:1
100%

Артикул

Название

Примечание

Количество

1

523365R11

BRACKET, upper truss rod, welded assembly

1шт.

13-1052

BOLT,Hex, 5/8" - 11 x 3-1/4", Gr 5

SCREW, 7/8 x 2-1/4 in. cap, Course Threads

2шт.

103327

LOCK WASHER,7/8"

WASHER, LOCK, 7/8"

2шт.

2

523367R11

PIN, W/RING, truss rod

2шт.

3

523371R1

ROD, 7/8 in. dia inner truss

1шт.

3

526905R1

ROD, 1 in. dia inner truss

1шт.

4

520175R1

CLIP

PIN, quick-attachable cotter

2шт.

5

526906R11

ROD, 1 in. dia outer truss

1шт.

5

525677R11

ROD, 7/8 in. dia outer truss

1шт.

PO20130

AXLE PIN,3/4" x 2 1/8"

PIN, 3/4 x 2-1/8 in. dld-std-hd

1шт.

20340R1

COTTER PIN,1/4" x 1 1/2"

Pin, Split (Cotter), 1/4" x 1 1/2"

1шт.

6

523375R1

PIN, frame hinge

1шт.

137323

COTTER PIN,5/16" x 2 1/2"

Pin, Split (Cotter), 5/16" x 2 1/2"

1шт.

7

523355R92

FRAME, left main

1шт.

7

523356R92

FRAME, right main

1шт.

8

523559R92

ROCKSHAFT, left lifting

1шт.

8

523560R92

ROCKSHAFT, right lifting

1шт.

8

526899R92

ROCKSHAFT, left lifting, see note

1шт.

8

526900R91

ROCKSHAFT, right lifting, see note

1шт.

9

518876R1

BLOCK

STUD, guide frame plate

1шт.

17421R1

BOLT (SPREADER)

BOLT, 7/16 x 7/8 in. mach

1шт.

103322

LOCK WASHER,7/16"

WASHER, LOCK, 7/16"

1шт.

Q5028

WASHER

15/32 x 1 in. x 11 ga

1шт.

10

523327R1

BEARING, rockshaft inner

1шт.

103425

PIN,1/4" x 2 3/4"

Split (Cotter), 1/4" x 2 3/4"

1шт.

11

451798R2

WASHER

2-17/32 x 3-1/4 in. x 16 ga, on rockshaft bearing

1шт.

12

125617

LUBE NIPPLE,3/16" x .61 lg, Drive

FITTING, 3/16 in. drive type straight lubrication, in rockshaft bearing plate

1шт.

13

523361R91

BRACKET, left attaching

1шт.

13

523362R91

BRACKET, right attaching

1шт.

17679R1

BOLT, 7/8 x 3-1/2 in. mach

4шт.

15101R1

BOLT, 1/2 x 1 in. crg

2шт.

102637

NUT,1/2"-13, G5

2шт.

14

518267R2

PIN, frame hinge

1шт.

15

523366R1

SPACER, upper truss rod bracket

1шт.

16

518952R1

BOLT

EYEBOLT, frame hinge

1шт.

425-1012

NUT,3/4"-10, G5

3/4 in.

1шт.

615168R1

WASHER

25/32 x 1-1/2 in. x 11 ga

1шт.

17

518858R1

TURNBUCKLE, 7/8 in. dia truss rod

1шт.

17

526904R1

TURNBUCKLE

1 in. dia truss rod

1шт.

18

518887R1

HANDLE, truss rod turnbuckle

1шт.

103384

COTTER PIN,1/8" x 3/4"

Pin, Split (Cotter), 1/8" x 3/4"

1шт.

19

86636814

LUBE NIPPLE,1/4"-28 x .52" lg

FITTING, 1/4 in. straight lubrication, truss rod turnbuckle

1шт.

20

523543R11

BRACKET, cylinder left attaching, 1958

1шт.

20

523544R11

BRACKET, cylinder right attaching, 1958

1шт.

17475R1

BOLT, 5/8 x 1-1/2 in. mach

2шт.

103325

LOCK WASHER,5/8"

WASHER, LOCK, 5/8"

2шт.

Выбрано товаров: 46