Запчасти Case IH 153 (AP-18) - TOOLING EQUIPMENT, FOR UNIT J, 1970 TO 1972

Схема запчастей Case IH 153 - (AP-18) - TOOLING EQUIPMENT, FOR UNIT J, 1970 TO 1972
8
13
6
7
12
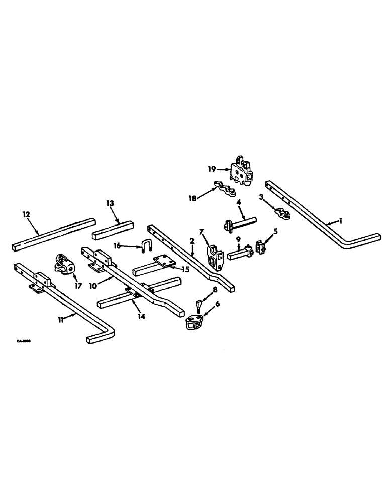
1
19
17
14
4
5
9
10
2
11
3
16
15
18
FIT
1:1
100%

Артикул

Название

Примечание

Количество

1

483258R2

TOOL BAR, outer

2шт.

2

483257R2

TOOL BAR, inner

3шт.

3

28256BB

CLAMP

CAP

2шт.

426-1040

BOLT,Hex, 5/8" - 11 x 2-1/2", Gr 8

SCREW, 5/8-11, 2-1/2 hex-hd cap

4шт.

589068R1

WASHER

21/32 x 1-1/4 x 11 ga C-Z

4шт.

4

30790BA

EXTENSION

BAR, tool extension

2шт.

5

510918R1

CLAMP

CAP, tool extension bar

8шт.

18956R1

BOLT,5/8" - 11 x 2 1/2", Gr 2

5/8 x 2-1/2 C-Z sq-hd mach

16шт.

280374

NUT,Hex, 5/8" - 11, Gr 5

5/8-11 C-Z hex.

16шт.

5

17799BB

CAP, tool extension bar

8шт.

29822B

BOLT

1/2 x 2-3/4 sq-hd mach

16шт.

120378

NUT,Hex, 1/2" - 13, Gr 5

NUT, 1/2"-13, G5

16шт.

6

522557R2

CLAMP

tool bar standard

5шт.

7

522556R1

CLAMP

tool bar extension

8шт.

8

27585BA

BOLT,Wedge, 1/2" - 13 x 4 1/2", Long

wedge

13шт.

120378

NUT,Hex, 1/2" - 13, Gr 5

NUT, 1/2"-13, G5

13шт.

9

28236BB

CLAMP

BAR, tool extension

8шт.

10

493282R1

BAR ASSY, tool

3шт.

11

493286R1

BAR ASSY, outer left

1шт.

12

493288R1

BAR, front cross

3шт.

13

493289R1

BAR, outside front

2шт.

14

493290R1

BAR ASSY, rear cross

3шт.

15

493293R1

BAR ASSY, outer rear

2шт.

16

493295R1

U-BOLT, 1/2 sq bar

10шт.

16

468689R1

U-BOLT, 1-3/8 sq bar

10шт.

280374

NUT,Hex, 5/8" - 11, Gr 5

5/8-11 C-Z hex.

40шт.

17

519475R2

CLAMP

tool bar

16шт.

137821

SET SCREW,Sq Hd, 3/4" - 10 x 2"

SCREW, 3/4-10 x 2 sq-hd dog-pt set

16шт.

280954

NUT,3/4"-10, G5

16шт.

18

542039R1

CLAMP

cap

3шт.

426-1040

BOLT,Hex, 5/8" - 11 x 2-1/2", Gr 8

5/8 x 2-1/2 znd hex-hd mach

9шт.

589068R1

WASHER

21/32 x 1-1/4 x 11 ga C-Z

9шт.

19

542040R1

CLAMP

tool bar att

5шт.

18476R1

BOLT,Hex, 1/2"-13 x 2 1/2", G2

1/2 x 2-1/2 znd hex-hd mach

10шт.

120384

WASHER,1/2"

LOCK, 1/2"

10шт.

120378

NUT,Hex, 1/2" - 13, Gr 5

NUT, 1/2"-13, G5

10шт.

Выбрано товаров: 36