Запчасти Case IH 153 (AP-19) - TOOLING EQUIPMENT, FOR UNITS C, J, P AND Q, 1972 AND SINCE

Схема запчастей Case IH 153 - (AP-19) - TOOLING EQUIPMENT, FOR UNITS C, J, P AND Q, 1972 AND SINCE
12
7
11
13
2
11
8
9
6
10
6
3
9
8
5
5
1
4
13
7
FIT
1:1
100%

Артикул

Название

Примечание

Количество

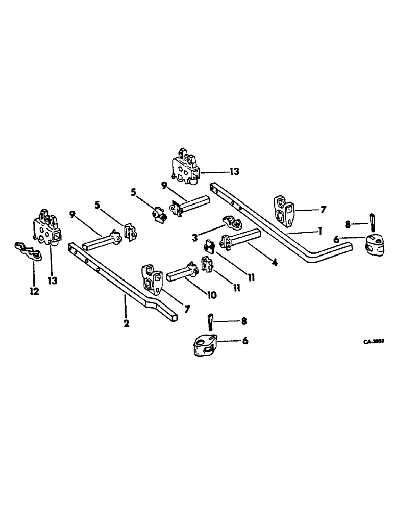
1

483258R2

TOOL BAR, outer

2шт.

2

483257R2

TOOL BAR, inner, 3 used for 4-row, 5 used for 6-row, 7 used for 8-row, 11 used for 12 row

1шт.

3

547750R1

CLAMP

cap

2шт.

426-1040

BOLT,Hex, 5/8" - 11 x 2-1/2", Gr 8

SCREW, 5/8-11, 2-1/2 znd hex-hd cap

4шт.

589068R1

WASHER

21/32 x 1-1/4 x 11 ga C-Z

4шт.

4

30790BA

EXTENSION

BAR, tool extension

2шт.

5

1779BB

CLAMP

CAP, tool extension bar, 8 used for 4-row, 12 used for 6-row, 16 used for 8-row, 24 used for 12-row

1шт.

29822B

BOLT

1/2 x 2-3/4 sq-hd mach, 2 per cap

1шт.

120378

NUT,Hex, 1/2" - 13, Gr 5

NUT, , 2 per cap 1/2"-13, G5

1шт.

6

522557R2

CLAMP

tool bar standard, 5 used for 4-row, 7 used for 6-row, 9 used for 8-row, 13 used for 12-row

1шт.

7

522556R1

CLAMP

tool bar extension, 8 used for 4-row, 12 used for 6-row, 16 used for 8-row, 24 used for 12-row

1шт.

8

27585BA

BOLT,Wedge, 1/2" - 13 x 4 1/2", Long

wedge, 13 used for 4-row, 19 used for 6-row, 25 used for 8-row, 37 used for 12-row

1шт.

120378

NUT,Hex, 1/2" - 13, Gr 5

NUT, , 1 per bolt 1/2"-13, G5

1шт.

9

524336R1

CLAMP

BAR, tool extension, 8 used for 4-row, 12 used for 6-row, 16 used for 8-row, 24 used for 12-row

1шт.

10

30927B

EXTENSION

BAR, tool extension, 6 used for 4-row, 10 used for 6-row, 14 used for 8-row, 22 used for 12-row

1шт.

11

510918R1

CLAMP

CAP, tool extension bar, 8 used for 4-row, 12 used for 6-row, 16 used for 8-row, 24 used for 12-row

1шт.

18956R1

BOLT,5/8" - 11 x 2 1/2", Gr 2

5/8 x 2-1/2 C-Z sq-hd mach, 2 per cap

1шт.

280374

NUT,Hex, 5/8" - 11, Gr 5

5/8-11 C-Z hex., 2 per cap

1шт.

12

542039R1

CLAMP

cap, 3 used for 4-row, 5 used for 6-row, 7 used for 8-row, 11 used for 12-row

1шт.

426-1040

BOLT,Hex, 5/8" - 11 x 2-1/2", Gr 8

5/8 x 2-1/2 znd hex-hd mach, 3 per clamp

1шт.

589068R1

WASHER

21/32 x 1-1/4 x 11 ga C-Z, 3 per clamp

1шт.

13

542040R1

CLAMP

tool bar att, 5 used for 4-row, 7 used for 6-row, 9 used for 8-row, 13 used for 12-row

1шт.

18476R1

BOLT,Hex, 1/2"-13 x 2 1/2", G2

1/2 x 2-1/2 znd hex-hd mach, 2 per clamp

1шт.

120384

WASHER,1/2"

LOCK, , 2 per clamp 1/2"

1шт.

120378

NUT,Hex, 1/2" - 13, Gr 5

NUT, , 2 per clamp 1/2"-13, G5

1шт.

Выбрано товаров: 25