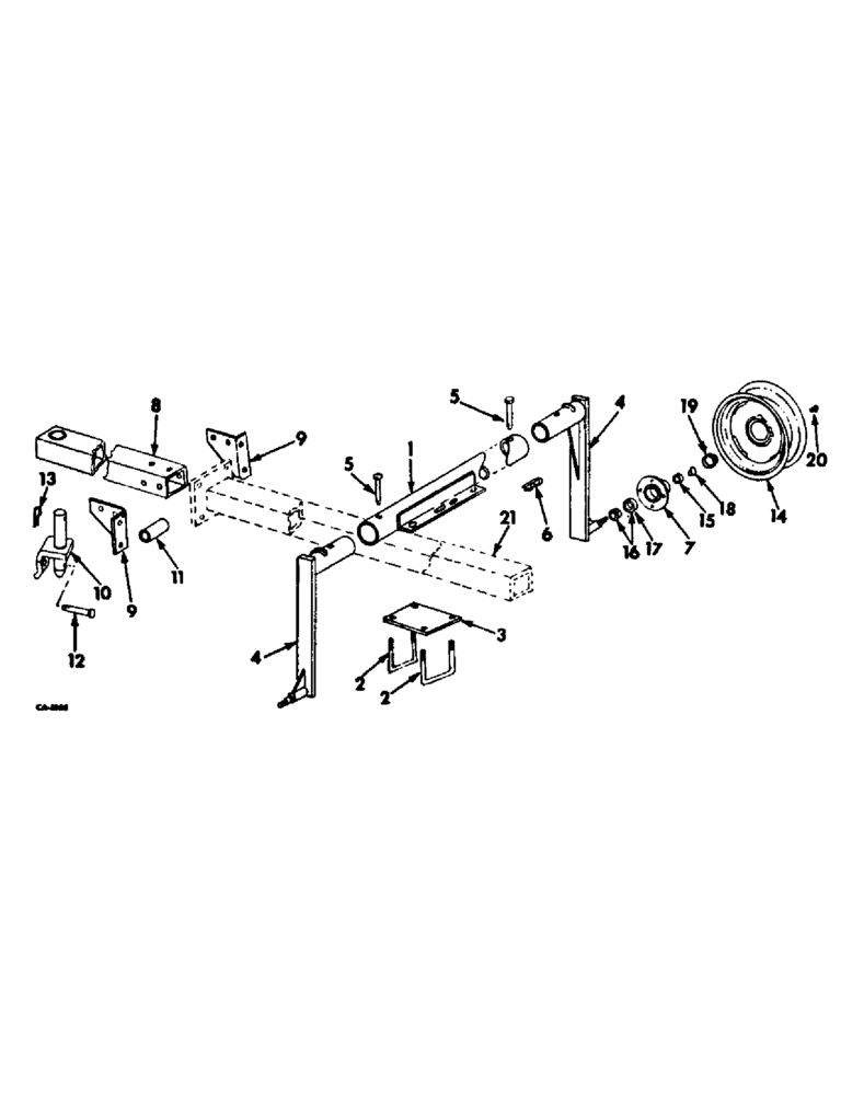
Запчасти Case IH 170 (AS-05) - TRANSPORT ATTACHMENT, FOR 6-ROW WIDE AND 8-ROW NARROW

Схема запчастей Case IH 170 - (AS-05) - TRANSPORT ATTACHMENT, FOR 6-ROW WIDE AND 8-ROW NARROW
13
14
3
2
9
7
20
4
17
4
1
18
15
19
2
8
5
21
9
10
12
5
6
16
11
FIT
1:1
100%

Артикул

Название

Примечание

Количество

1

492986R2

TUBE ASSY, transport

1шт.

2

542632R1

BOLT,U, 7/8" - 9 x 7.90"

U-BOLT, transport

2шт.

21224R1

WASHER

29/32 x 1-1/2 x 7 ga C-Z

4шт.

425-1014

NUT,7/8"-9, G5

NUT, 7/8"-9, G5

4шт.

3

542631R1

PLATE, reinforcing

1шт.

4

483579R91

AXLE ASSY, wheel

2шт.

5

486220R1

PIN

transport tube pointed

2шт.

6

517843R1

COTTER PIN

PIN, quick attachable cot.

3шт.

7

472220R21

HUB

W/FITTING, wheel

2шт.

443804

SCREW, 1/4-28 x 1/4 C-Z slt-ov-pt hdls set

2шт.

366112R1

WASHER

25/32 x 1-1/4 x 11 ga C-Z

2шт.

69442D

NUT

3/4-16 slt hex

2шт.

87395

COTTER PIN,1/8" OD x 1-1/4" OAL

PIN, SPLIT (COTTER), 1/8" x 1-1/4"

2шт.

86636814

LUBE NIPPLE,1/4"-28 x .52" lg

FITTING, 1/4-28 NF str lub

2шт.

8

542633R1

TUBE, hitch

1шт.

87403

BOLT,Hex, 3/4" - 10 x 2 1/4", Gr 5

4шт.

87340

LOCK WASHER,Helical Spring, 0.759" ID, CST, ZND

WASHER, LOCK, 3/4"

4шт.

280954

NUT,3/4"-10, G5

4шт.

9

542634R1

BRACKET, left

1шт.

9

542635R1

BRACKET, right

1шт.

20300R1

SCREW,Hex, 3/4"-10 x 6", G5

3/4-10 x 6 znd hex-hd cap

1шт.

87340

LOCK WASHER,Helical Spring, 0.759" ID, CST, ZND

WASHER, LOCK, 3/4"

1шт.

280954

NUT,3/4"-10, G5

1шт.

21719R1

WASHER

2-1/32 x 2-3/4 x 11 ga C-Z

2шт.

10

542620R1

BRACKET ASSY, pivot

1шт.

542637R1

PIN, pointed

1шт.

11

542636R1

BUSHING

1шт.

12

493990R1

PIN

pointed

1шт.

13

137323

COTTER PIN,5/16" x 2 1/2"

Pin, Split (Cotter), 5/16" x 2 1/2"

1шт.

14

463036R1

WHEEL (STEERING)

WHEEL ASSY, 14 x 5 J, recommended tire size 8.50 x 14, 8.00 x 14, 7.50 x 14 or 7.00 x 14

2шт.

15

651815R91

BEARING ASSY,7.508" ID x 17.82" OD x 6"

BEARING ASSY, outer cone

2шт.

15

651815R91GV

BEARING CONE

Value, Cone Bearing

2шт.

16

651818R91

ROLLER BEARING,31.77 mm ID x 16.08 mm

BEARING ASSY, wheel hub inner cone

2шт.

17

651817R1

BEARING CUP

BEARING, inner cup

2шт.

17

651817R1GV

BEARING CUP

Value, Bearing Cup

2шт.

18

651814R1

BEARING CUP

BEARING, outer cup

2шт.

19

651194R1

CAP

wheel brg hub

2шт.

20

351079R1

BOLT,Hex Counter Shank, 1/2" - 20 x 23/32"

conical hd

8шт.

21

TUBE ASSY, refer to frame unit

1шт.

472221R91

SEAL,39.57mm ID x 58.6mm OD x 7.37mm Thk

wheel hub oil

2шт.

472222R1

SLEEVE

oil seal wear

2шт.

Выбрано товаров: 41