Запчасти Case IH 183 (9-18) - PARALLEL LINKAGE - 5 TOOLS

Схема запчастей Case IH 183 - (9-18) - PARALLEL LINKAGE - 5 TOOLS
4
15
8
16
17
5
10
9
6
2
6
7
6
12
14
13
8
3
6
11
16
16
8
18
1
FIT
1:1
100%

Артикул

Название

Примечание

Количество

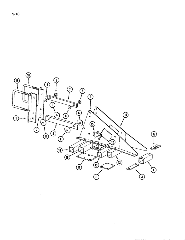
1

144869C1

ANGLE

- head bracket, left

1шт.

2

144870C1

ANGLE

- head bracket, right

1шт.

411-1044

CARRIAGE BOLT,Sq Nk, 5/8" - 11 x 2 3/4", Gr 2

BOLT - round head square neck, 5/8 x 2-3/4 inch

2шт.

131-1130

LOCK NUT,5/8"-11, GA

NUT - hex, self-locking, 5/8 inch NC

2шт.

3

141309C1

BAR

- rear tube clip

1шт.

434-820

CARRIAGE BOLT,Sht Sq Nk, 1/2" - 13 x 1 1/4", Gr 5

BOLT - round head square neck, 1/2 NC x 1-1/4 inch

2шт.

131-930

FLANGE NUT,Hex Serr, 1/2" - 13, Gr 5

- hex, flange, self-locking, 1/2 inch NC

2шт.

4

141308C1

TUBE,171 mm Length

- rear

1шт.

5

141127C1

LINK

- parallel, lower

1шт.

100291C1

CARRIAGE BOLT

BOLT - hex, 5/8 x 2-1/2 inch

2шт.

131-1130

LOCK NUT,5/8"-11, GA

NUT - hex, self-locking, 5/8 inch NC

2шт.

6

141126C2

WASHER

- plastic wear

4шт.

7

141299C1

BAR

LINK - parallel, upper

1шт.

100291C1

CARRIAGE BOLT

BOLT - hex, 5/8 x 2-1/2 inch

7шт.

131-1130

LOCK NUT,5/8"-11, GA

NUT - hex, self-locking, 5/8 inch NC

2шт.

8

145044C1

BUSHING,16.5mm ID x 38mm OD x 17.5mm L

- link, upper

4шт.

9

141278C1

PLATE

- linkage, left

1шт.

10

141277C1

PLATE

- linkage, right

1шт.

21954R1

HEADED PIN,3/4" x 2 3/8"

PIN - 3/4 x 2-3/8 inch

1шт.

432-1624

COTTER PIN,1/4" x 1 1/2"

Pin, Split (Cotter), 1/4" x 1-1/2"

1шт.

11

145102C1

BAR

CLIP - center

2шт.

411-856

CARRIAGE BOLT,Sq Nk, 1/2" - 13 x 3 1/2", Gr 2

BOLT - round head square neck, 1/2 x 3-1/2 inch

8шт.

131-930

FLANGE NUT,Hex Serr, 1/2" - 13, Gr 5

- hex, flange, self-locking, 1/2 inch NC

8шт.

12

141310C1

BAR

SUPPORT - gauge wheel

1шт.

413-816

BOLT,Hex, 1/2" - 13 x 1", Gr 5

2шт.

131-930

FLANGE NUT,Hex Serr, 1/2" - 13, Gr 5

- hex, flange, self-locking, 1/2 inch NC

2шт.

13

100296C2

TUBE,256 mm Length

- center

2шт.

14

141305C1

BAR

CLIP - front

1шт.

411-856

CARRIAGE BOLT,Sq Nk, 1/2" - 13 x 3 1/2", Gr 2

BOLT - round head square neck, 1/2 x 3-1/2 inch

6шт.

131-930

FLANGE NUT,Hex Serr, 1/2" - 13, Gr 5

- hex, flange, self-locking, 1/2 inch NC

6шт.

15

1250716C2

CLIP

- gauge wheel

1шт.

111-612

CARRIAGE BOLT,Short NK, 5/8"-11 x 2 1/2", G2

BOLT - round head square neck, 5/8 NC x 2-1/2 inch, Grade 2

2шт.

131-1130

LOCK NUT,5/8"-11, GA

NUT - hex, self-locking, 5/8 inch NC

2шт.

16

100294C2

TUBE,327 mm Length

- front, narrow row

2шт.

16

100295C2

TUBE,449 mm Length

- front, wide row

2шт.

17

147239C1

BAR

CLIP - stop, hydraulic fold only

1шт.

413-820

BOLT,Hex, 1/2" - 13 x 1-1/4", Gr 5

- hex head cap, 1/2 NC x 1-1/4 inch

2шт.

131-930

FLANGE NUT,Hex Serr, 1/2" - 13, Gr 5

- hex, flange, self-locking, 1/2 inch NC

2шт.

18

1250812C1

U-BOLT,5/8" - 11 x 182.40mm W x 160.50mm L

- frame retaining, for 5 x 7 inch frame

2шт.

18

1250813C1

U-BOLT

- frame retaining, for 7 x 7 inch frame

2шт.

425-1010

NUT,5/8"-11, G5

4шт.

Выбрано товаров: 41