Запчасти Case IH 1830 (09-024) - GROUND WORKING TOOL, VIBRA SHANK (Sep 24 2010 10:14:00.2560 AM) (00) - COMPLETE MACHINE

Схема запчастей Case IH 1830 - (09-024) - GROUND WORKING TOOL, VIBRA SHANK (Sep 24 2010 10:14:00.2560 AM) (00) - COMPLETE MACHINE
23
21
15
4
8
22
6
5
16
13
19
26
14
7
9
25
24
3
17
11
18
10
27
20
12
2
1
FIT
1:1
100%

Артикул

Название

Примечание

Количество

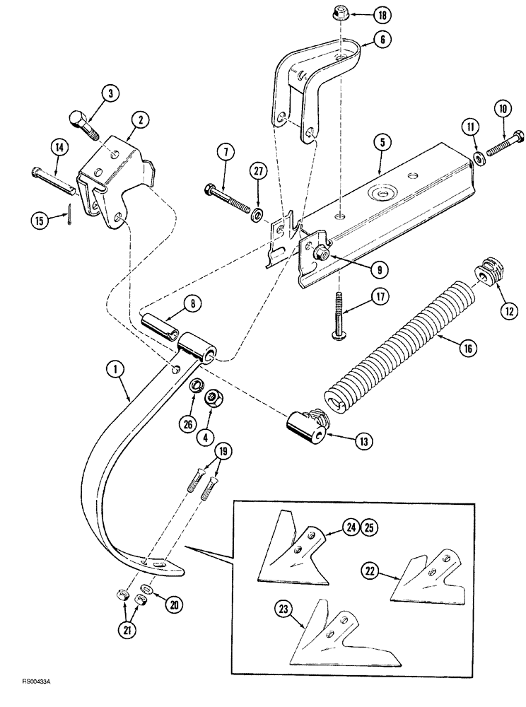
149113C92

ATTACHMENT, Vibra Shank, order from Wholegoods, Includes: Ref. 1 - 18

1шт.

1

813293C1

SHANK

ground working tool

1шт.

2

591542R1

BRACKET

CLAMP shank, lower

1шт.

3

413-824

BOLT,Hex, 1/2" - 13 x 1-1/2", Gr 5

1шт.

4

425-108

NUT,1/2" - 13, Gr 5

1шт.

5

811357C3

SUPPORT

shank

1шт.

VIBRA SHANK IMPROVEMENTS MADE.CHANGE MADE EFFECTIVE PIN JAG 0500154 FOR 1820 AND PIN JAG 0530254 FOR 1830.SEE BULLETIN NTE SB 019 95.

1шт.

6

811353C1

CLAMP

shank, upper

1шт.

7

326-856

BOLT,Hex, 1/2" - 13 x 3-1/2", Gr 8

1шт.

8

811354C3

BUSHING,13.11mm ID x 19.43mm OD x 64.3mm L

shank clamp

1шт.

9

232-5318

FLANGE NUT,Flg, 1/2"-13

1шт.

10

413-832

BOLT,Hex, 1/2" - 13 x 2", Gr 5

1шт.

11

495-11053

WASHER,1/2", SAE

(17/32" x 1-1/16" x 3/32")

1шт.

12

591547R1

PLUG

spring retaining, front

1шт.

13

591544R1

PLUG

spring, rear

1шт.

14

591545R1

PIN,13.08mm OD x 61.98mm L

1шт.

15

432-1216

COTTER PIN,3/16" x 1"

1шт.

16

591546R2

SPRING

shank return

1шт.

17

591540R2

BOLT,Spcl, 1/2" - 13 x 4", Gr 5

special, 1/2" NC x 4"

1шт.

18

232-5318

FLANGE NUT,Flg, 1/2"-13

1шт.

19

420-3724

CARRIAGE BOLT,#3, 7/16" - 14 x 1 1/2", Gr 8

plow, 7/16" NC x 1-1/2" grade 8

2шт.

20

495-81010

WASHER,.469" x 1 1/4" x .060"

flat, 15/32" x 1-1/4" x 1/16"

1шт.

21

425-107

NUT,7/16"-14, G5

2шт.

22

1547097C2

SWEEP

7.5

1шт.

23

1547098C2

SWEEP

9.0

1шт.

24

1547103C2

SWEEP

9CL

1шт.

25

1547104C2

SWEEP

9CR

1шт.

26

80679

LOCK WASHER,1/20.507 CST ZND

1шт.

27

496-21053

WASHER,17/32" x 1 1/16" x .134"

Hardened

1шт.

Выбрано товаров: 29