Запчасти Case IH 365 (D-16) - MULCHER, 2 BAR COIL TINE (09) - CHASSIS

Схема запчастей Case IH 365 - (D-16) - MULCHER, 2 BAR COIL TINE (09) - CHASSIS
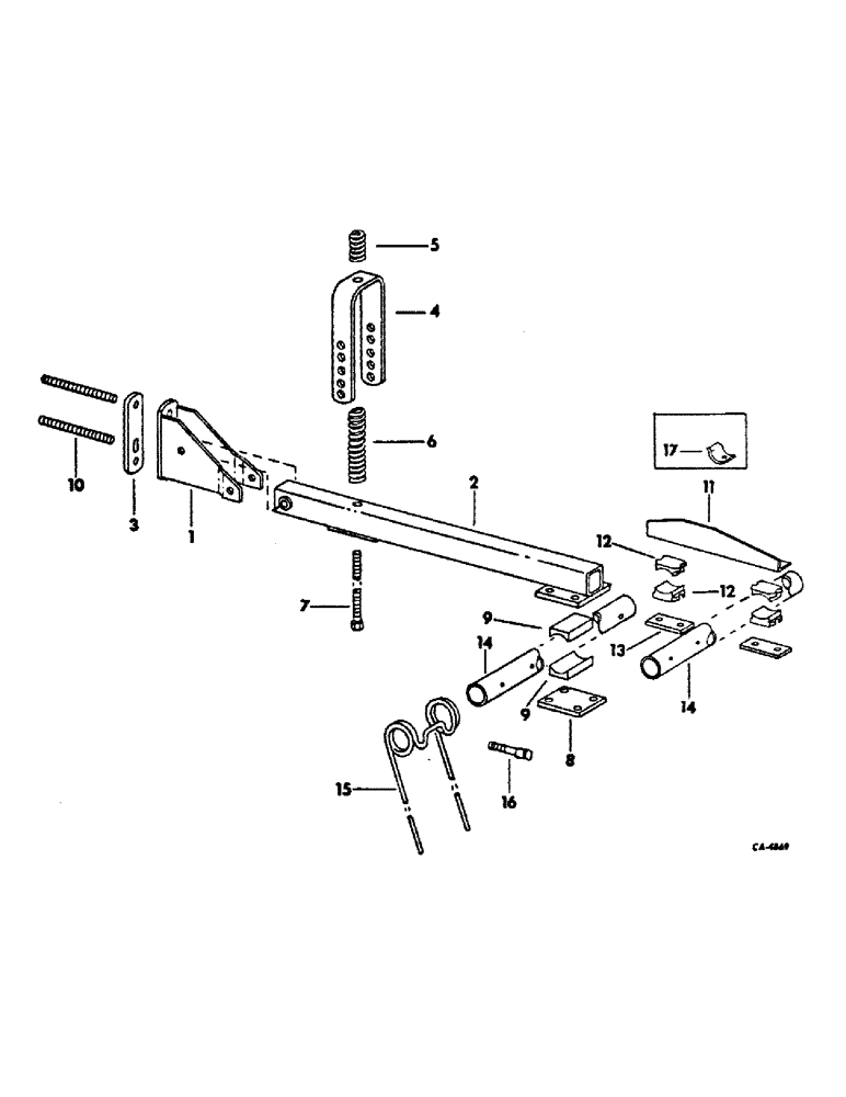
12
1
5
9
14
4
6
7
16
11
13
8
9
15
12
2
14
10
17
3
FIT
1:1
100%

Артикул

Название

Примечание

Количество

1

63238C1

BRACKET

ASSY, mounting, 3 for 13ft 8in. size, 6 for 16ft 4in., 19ft 8in., 22ft 8in., 25ft 8in. size

1шт.

17452R1

BOLT,Hex, 1/2"-13 x 1 1/4", G2

1/2 x 1-1/4 type 1, 2 per bracket

2шт.

18812R1

BOLT,Hex, 1/2" - 13 x 3", Gr 2

1/2 x 3 type 1, 1 per bracket

1шт.

9413967

LOCK NUT,1/2"-13, GB

NUT, 1/2 cad p/t lock type 5, 1 per bolt

1шт.

2

63239C1

ARM

ASSY, carrier, 3 for 13ft 8in. size, 6 for 16ft 4in., 19ft 8in., 22ft 8in., 25ft 8in. size

1шт.

3

63252C1

BAR

CLAMP, flat, 1 per arm

1шт.

4

63253C1

ANCHOR

spring, 1 per arm

1шт.

5

63254C1

SPRING

compression, 1 per arm

1шт.

6

63255C1

SPRING

compression, 1 per arm

1шт.

7

63256C1

BOLT

ROD, compression, 1 per arm

1шт.

120238

JAM NUT,Jam, 1/2"-13, G5

1/2 jam type 5, 2 per rod

2шт.

8

63257C1

BAR

PLATE, 1 per arm

1шт.

9

547853R1

CLAMP

casting, 2 per arm

2шт.

18804R1

BOLT,Hex, 7/16"-14 x 4", G2

7/16 x 4 type 1, 2 per clamp

2шт.

120383

LOCK WASHER,Helical Spring, 7/16"

WASHER, LOCK, , 2 per clamp 7/16"

2шт.

NLS

NO LONGER SERVICED

NUT, 7/16 type 5, 2 per clamp

2шт.

10

63258C1

STUD

2 per bracket

2шт.

495-11053

WASHER,1/2", SAE

.531 x 1.062 x .074, 2 per bracket

2шт.

120384

WASHER,1/2"

LOCK, , 2 per bracket 1/2"

2шт.

120378

NUT,Hex, 1/2" - 13, Gr 5

NUT, , 2 per bracket 1/2"-13, G5

2шт.

11

63228C1

SUPPORT

FRAME, connecting, 4 for 13ft 6in size, 7 for 16ft 6in. 19 ft 6in. 22ft 6in. and 25ft 6in size

1шт.

12

63222C1

CLAMP

casting, 4 per frame

4шт.

18804R1

BOLT,Hex, 7/16"-14 x 4", G2

7/16 x 4 type 1, 1 per clamp

1шт.

120383

LOCK WASHER,Helical Spring, 7/16"

WASHER, LOCK, , 1 per clamp 7/16"

1шт.

271501

SOCKET

NUT, 7/16 type 5, 1 per clamp

1шт.

13

63223C1

PLATE

clamp, 4 per frame

4шт.

14

63262C1

TUBE

TOOTH BAR, 14ft 6in., 2 for 13ft 8in. size

1шт.

14

63430C1

TOOTH

BAR, 3 ft 6in., 4 for 16ft 4in. size

1шт.

14

63260C1

TUBE

TOOTH BAR, 11ft 6in., 2 for 16ft 8in., 19ft 8in. 22ft 8in., 25ft 8in. size

1шт.

14

63229C1

TUBE

TOOTH BAR, 4ft 6in., 4 for 19ft 8in. size

1шт.

14

63230C1

TUBE

TOOTH BAR, 5 ft 6in., 4 for 22ft 8in. size

1шт.

14

63232C1

TUBE

TOOTH BAR, 7ft 6in., 4 for 25ft 8in. size

1шт.

15

63235C2

TOOTH

6 in. spacing, 30 for 13ft 8in. size, 40 for 16ft 4in. size, 44 for 19ft 8in. size, 48 for 22ft 8in. size, 56 for 25ft 8in. size

1шт.

16

487082R1

BOLT,Hex, 3/8" - 16 x 2 3/4"

shoulder, 2 per tooth

2шт.

9411655

LOCK NUT,3/8"-16, GB

NUT, 3/8 cad p/t lock type 5, 2 per tooth

2шт.

17

(Not used)

1шт.

Выбрано товаров: 36