Запчасти Case IH 45 (D-52) - REMOTE CTRL HYD CYL, RECOMMENDED HYD FOR TRAC W/ HYD SYSTEMS RATED UP TO 2500 PSI

Схема запчастей Case IH 45 - (D-52) - REMOTE CTRL HYD CYL, RECOMMENDED HYD FOR TRAC W/ HYD SYSTEMS RATED UP TO 2500 PSI
FIT
1:1
100%

Артикул

Название

Примечание

Количество

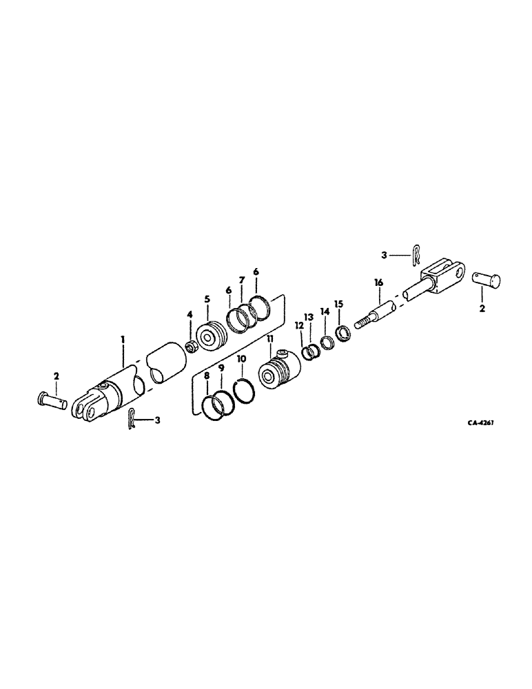
546719R91

CYLINDER

CYL ASSY, 3.5 x 8 DA hyd, machines built 1970 - 1974 order cylinder assy, 61105C91

1шт.

1

547711R1

BODY ASSY, hydraulic cylinder

1шт.

2

61571C1

PIN

cylinder pivot, replaces pin, 547659R1 by also ordering pin, 520175R1

1шт.

3

520175R1

CLIP

PIN, quick-attachable cot, replaces retainer, 547660R1 by also ordering pin, 61571C1

2шт.

4

9413974

LOCK NUT,7/8"-14, GB

NUT, 7/8-14 hex lock

1шт.

5

547724R1

PISTON

cylinder

1шт.

6

375936R1

BACK-UP RING

WASHER, back-up

2шт.

7

378827R1

O-RING,0.21" Thk x 3.1" ID, -338, Cl 6, 90 Duro

3-1/8 x 3-1/2 x 3/16, piston seal

1шт.

8

343940R1

O-RING,3.234" ID x 0.139" Width

3-1/4 x 3-1/2 x 1/8, front head

1шт.

9

404015R1

BACK-UP RING

WASHER, back-up

1шт.

10

405002R1

RING

RETAINER, front head

1шт.

11

547722R1

HEAD

front

1шт.

12

386422R1

O-RING,0.139" Thk x 1.234" ID, -218, Cl 6, 90 Duro

1-1/4, 1-1/2 x 1/8, piston rod seal

1шт.

13

546279R1

WASHER

back-up

1шт.

14

386421R1

WASHER

WIPER, piston rod

1шт.

15

386423R1

WASHER,33.27mm ID x 41.38mm OD x 0.76mm Thk

RETAINER, piston rod

1шт.

16

547719R1

ROD

ASSY, piston

1шт.

547725R91

SEAL KIT

PACKAGE, hyd cyl seal service, consists of ref nos. 4, 6, 7-10

1шт.

Выбрано товаров: 0