Запчасти Case IH 45 (F-02[A]) - ROD WEEDER BOOT DRIVE

Схема запчастей Case IH 45 - (F-02[A]) - ROD WEEDER BOOT DRIVE
FIT
1:1
100%

Артикул

Название

Примечание

Количество

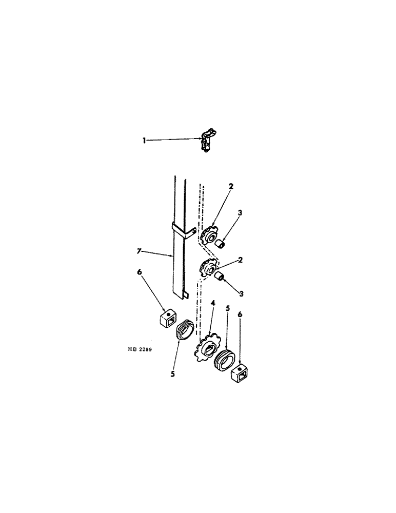
1

CHAIN ASSY, boot drive, for service order 1-569089R91, 10 foot roll of chain, reduce to 53 links, add 1-456929R91, offset link and 1-456980R91, connecting link

1шт.

2

602453R2

SPROCKET ASSY.

SPROCKET, idler 7T

2шт.

3

605252R1

BUSHING

SPACER, sprocket

2шт.

180183

BOLT,Hex, 1/2" - 13 x 2 1/4", Gr 5

1/2-13 x 2-1/4 hex-hd

2шт.

120378

NUT,Hex, 1/2" - 13, Gr 5

NUT, 1/2"-13, G5

2шт.

120384

WASHER,1/2"

LOCK, 1/2"

2шт.

178374R1

WASHER

.531 x 1.250 x .054

2шт.

4

607455R2

SPROCKET ASSY.

SPROCKET, boot driven 11T

1шт.

5

607456R1

BUSHING

sprocket

2шт.

6

607453R21

COLLAR ASSY, weeder rod, includes 2-102593, screw

2шт.

102593

SET SCREW,Hex Skt, 3/8" - 16 x 1/2"

SCREW, 3/8-16 x 1/2 hex-skt cup-PT set

4шт.

7

812050C1

SHIELD ASSY, drive chain rear August, 1970 season and since

1шт.

Выбрано товаров: 0