Качественные детали и логистика
Оригинальные и аналоговые запчасти с доставкой по России, Казахстану и Беларуси
©2022 PartSell ООО "Система" ИНН 2463123282 ОГРН 1212400004838
Центральный офис: г. Красноярск, Академика Киренского, д.87, пом.4
Телефон: 8 (800) 777-65-74 Email: zakaz@partsell.ru
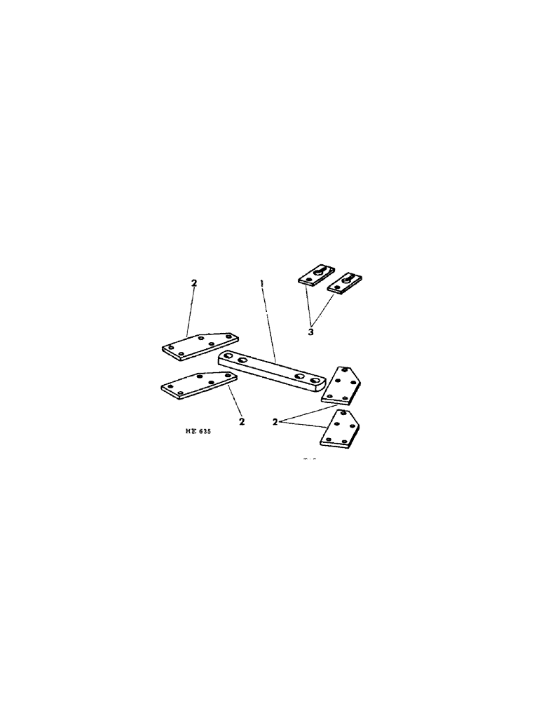
(C-13) - DUPLEXING BAR REQUIRED TO DUPLEX 86" MODEL W/101 SQUADRON HITCH USE ON MACHINES PRIOR TO OCT. 1971
№
Артикул
Название
Примечание
Количество
1
465432R1
BAR, rear harrow tie
1шт.
Q3795
HEADED PIN,3/4" x 4"
PIN, 3/4 x 4 std-hd-dld
2шт.
520175R1
CLIP
PIN, quick-attachable cotter
2
465433R1
BAR, tie connecting
4шт.
271733
BODY,Hex, 5/8" - 11 x 4 1/2", Gr 5
5/8-11 x 4-1/2 hex-hd
8шт.
280374
NUT,Hex, 5/8" - 11, Gr 5
5/8-11 hex
492-11062
BEARING WASHER,5/8"
WASHER, LOCK, 5/8"
3
465431R1
BRACKET, hobble chain
180181
BOLT,Hex, 1/2" - 13 x 2", Gr 5
1/2-13 x 2 hex-hd
120378
NUT,Hex, 1/2" - 13, Gr 5
NUT, 1/2"-13, G5
120384
WASHER,1/2"
LOCK, 1/2"
Выбрано товаров: 0