Запчасти Case IH 461 (U-25[A]) - ADAPTING PARTS FOR SINGLE ACTING HYDRAULIC CYLINDERS

Схема запчастей Case IH 461 - (U-25[A]) - ADAPTING PARTS FOR SINGLE ACTING HYDRAULIC CYLINDERS
15
19
8
11
13
9
6
18
12
1
17
5
4
2
10
3
14
7
16
FIT
1:1
100%

Артикул

Название

Примечание

Количество

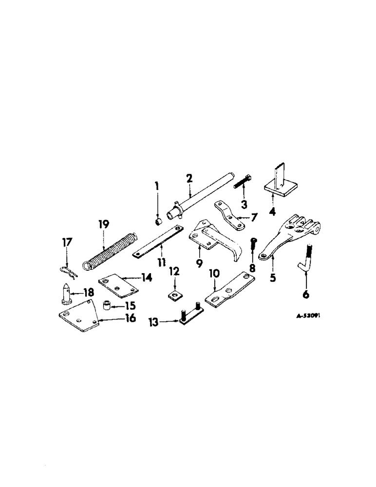
1

518857R1

PLUG, cylinder guide sleeve

1шт.

2

524140R11

SLEEVE, guide, welded assembly

1шт.

3

524141R1

BOLT, cylinder guide sleeve adjusting

1шт.

4

525461R11

PLATE, spacer

1шт.

5

518260R1

BRACKET, hinge, Farmall H and Super M tractors

1шт.

5

518261R1

BRACKET, hinge, Farmall MD and Super MD tractors

1шт.

6

525458R1

BOLT, frame hook

1шт.

280954

NUT,3/4"-10, G5

1шт.

7

524130R1

STRAP, cylinder attaching

1шт.

8

18454R1

BOLT, self-locking automotive, 5/8 x 1-1/2 in.

1шт.

9

524133R11

PLATE, left attaching

1шт.

9

524134R11

PLATE, right attaching

1шт.

17452R1

BOLT,Hex, 1/2"-13 x 1 1/4", G2

1/2 x 1-1/4 type 1

2шт.

18823R1

BOLT,Hex, 5/8"-11 x 2", G2

5/8 x 2 type 1

2шт.

120378

NUT,Hex, 1/2" - 13, Gr 5

NUT, 1/2"-13, G5

2шт.

492-11062

BEARING WASHER,5/8"

WASHER, LOCK, 5/8"

2шт.

10

525463R1

PLATE, guide stud mounting

1шт.

467657R1

BOLT,Short NK, 5/8"-11 x 1 1/2", G5, Full Thd

5/8 x 1-1/2 crg type 5

1шт.

492-11062

BEARING WASHER,5/8"

WASHER, LOCK, 5/8"

1шт.

11

524139R1

LINK, spring

1шт.

12

525459R1

WASHER

1шт.

13

525460R11

CLIP, attaching stud, welded assembly

1шт.

120378

NUT,Hex, 1/2" - 13, Gr 5

NUT, 1/2"-13, G5

2шт.

551177R1

WASHER

21/32 x 1-1/4 in. x 16 ga

1шт.

14

524137R1

CLIP, cylinder anchor

1шт.

15

524129R1

BUSHING, cylinder anchor

1шт.

16

524138R1

PLATE, cylinder anchor

1шт.

18809R1

BOLT,Hex, 1/2"-13 x 2", G2

1/2 x 2 type 1

1шт.

18619R1

BOLT,Hex, 5/8" - 11 x 2 1/4", Gr 2

5/8 x 2-1/4 type 1

1шт.

120384

WASHER,1/2"

LOCK, 1/2"

1шт.

492-11062

BEARING WASHER,5/8"

WASHER, LOCK, 5/8"

1шт.

17

517843R1

COTTER PIN

PIN, quick-attachable cotter

1шт.

18

PO24134

PIN, cylinder attaching

1шт.

19

PO27

SPRING

hold-down

1шт.

Выбрано товаров: 34