Запчасти Case IH 465A (W-09) - FIFTH AND SIXTH GANG PARALLEL LINKAGE

Схема запчастей Case IH 465A - (W-09) - FIFTH AND SIXTH GANG PARALLEL LINKAGE
12
26
4
8
27
6
5
18
17
12
28
3
7
22
23
10
16
18
21
19
9
10
11
2
25
1
13
14
15
24
20
FIT
1:1
100%

Артикул

Название

Примечание

Количество

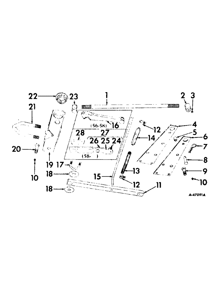
523329R1

ROD, upper parallel

1шт.

2

522510R1

BAR

SWIVEL, upper parallel link rear, RH thd

1шт.

19289R1

BOLT, 1/2 x 3/4 in. cd-pltd mach

1шт.

3

522591R1

PLUG

CUSHION, upper parallel link locking bushing fibre

1шт.

4

523376R1

PLATE, tool bar outer attaching, not tapped

1шт.

523060R1

BOLT, 1/2 x 2-1/4 in. heat-treated crg

1шт.

18810R1

BOLT,Hex, 1/2" - 13 x 2 1/4", Gr 2

1/2 x 2-1/4 in. C-Z mach

1шт.

120378

NUT,Hex, 1/2" - 13, Gr 5

NUT, 1/2"-13, G5

2шт.

120384

WASHER,1/2"

LOCK, 1/2"

2шт.

5

522537R1

SPACER

tool bar attaching plate

1шт.

6

523377R1

PLATE, tool bar outer attaching, tapped

1шт.

7

520175R1

CLIP

PIN, quick-attachable cotter

1шт.

8

512654R1

PIN

transport, 5/8 x 2-3/8 in. pointed

1шт.

9

522544R2

BOLT

lower parallel link rear pivot

1шт.

426897

JAM NUT,Jam, 3/4"-10, G5

3/4 in. C-Z jam

1шт.

87340

LOCK WASHER,Helical Spring, 0.759" ID, CST, ZND

WASHER, LOCK, 3/4"

1шт.

10

86636814

LUBE NIPPLE,1/4"-28 x .52" lg

FITTING, 1/4 in. straight lubrication, Lower parallel link pivot bolt

1шт.

11

523374R1

LINK, lower parallel

1шт.

12

516595R11

COLLAR,16.67mm ID x 28.5mm OD x 19mm L

COLLAR W/SET SCREW, lift rod

1шт.

85-15010

SET SCREW,Sq Hd, 1/2"-13 x 5/8"

SCREW, 1/2 x 5/8 in. cup-pt sq-hd set

1шт.

13

518926R1

SPRING

outside lift rod cushion

1шт.

14

PO3A

SPRING

inner and outer lift rod cushion

1шт.

15

523052R1

ROD

lift

1шт.

432-1216

COTTER PIN,3/16" x 1"

Pin, Split (Cotter), 3/16" x 1"

1шт.

523061R1

WASHER

21/32 x 1-3/8 in. x 11 ga case hardened

1шт.

16

ARM, long lift (56), discontinued for service

58шт.

17

523378R1

BOLT,U, 1/2" - 13 x 3 1/4"

U-BOLT, lift arm

1шт.

102637

NUT,1/2"-13, G5

2шт.

18

522532R1

RETAINER

WASHER, lower parallel link bearing

1шт.

19

BRACKET, head, also rockshaft support, discontinued for service

1шт.

20

522543R2

BOLT,Hex, 3/4" - 10 x 2 3/4"

lower parallel link front pivot

1шт.

426897

JAM NUT,Jam, 3/4"-10, G5

3/4 in. C-Z jam

1шт.

87340

LOCK WASHER,Helical Spring, 0.759" ID, CST, ZND

WASHER, LOCK, 3/4"

1шт.

21

522498R1

BOLT,U, 3/4" - 10 x 6 5/16"

U-BOLT, head bracket

1шт.

220081

NUT

3/4 in.

2шт.

22

523328R1

BEARING ASSY,2.8125" OD x 1"

rockshaft outer

1шт.

23

522509R1

BAR

SWIVEL, upper parallel link front, LH thd

1шт.

24

468022R1

TRUNNION

lift arm

1шт.

25

ARM, left long lift (58), order 525666R91

60шт.

26

ARM, right long lift (58), order 525666R91

60шт.

NLS

NO LONGER SERVICED

3/8 x 1 in. rd-hd

1шт.

27

525666R91

ARM ASSEMBLY, long lift

1шт.

28

525687R1

CHANNEL

CLIP, lift arm

1шт.

Выбрано товаров: 43