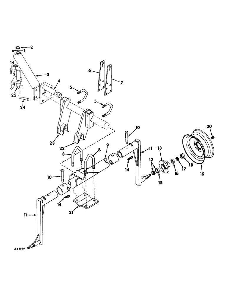
Запчасти Case IH 53 (F-07) - TRANSPORT ATTACHMENT AND ADAPTER PARTS

Схема запчастей Case IH 53 - (F-07) - TRANSPORT ATTACHMENT AND ADAPTER PARTS
16
3
23
18
19
24
25
11
12
5
9
10
20
2
14
14
5
10
11
8
17
6
21
8
4
15
1
14
22
7
13
2
FIT
1:1
100%

Артикул

Название

Примечание

Количество

1

66584D

FITTING

3/16 in. drive type straight lubrication

1шт.

2

483587R1

WASHER

pivot

1шт.

3

483583R91

TUBE ASSY, hitch

1шт.

220081

NUT

3/4 in.

4шт.

271612

BOLT,Hex, 3/4" - 10 x 2 1/4", Gr 5

SCREW, 3/4 x 2-1/4 in. hex-hd cap

4шт.

103326

LOCK WASHER,3/4"

WASHER, LOCK, 3/4"

4шт.

4

(Not used in this application)

1шт.

5

(Not used in this application)

1шт.

6

(Not used in this application)

1шт.

7

(Not used in this application)

1шт.

8

462402R1

BOLT

U-BOLT

1шт.

425-1014

NUT,7/8"-9, G5

NUT, 7/8"-9, G5

2шт.

103327

LOCK WASHER,7/8"

WASHER, LOCK, 7/8"

2шт.

9

483574R91

TUBE ASSY, transport

1шт.

10

486220R1

PIN

transport tube pointed

1шт.

11

483579R91

AXLE ASSY, wheel

1шт.

12

651818R91

ROLLER BEARING,31.77 mm ID x 16.08 mm

BEARING ASSY, inner cone

1шт.

13

472220R21

HUB

W/FITTING, wheel

1шт.

443804

SCREW, 1/4 x 1/4 in. C-Z pltd slt-or-pt hdls set

1шт.

14

507843R1

PIN, quick-attachable cotter

1шт.

15

651817R1

BEARING CUP

CUP, inner bearing

1шт.

16

651815R91

BEARING ASSY,7.508" ID x 17.82" OD x 6"

CONE ASSY, outer bearing

1шт.

16

651815R91GV

BEARING CONE

Value, Cone Bearing

1шт.

17

651814R1

BEARING CUP

CUP, outer bearing

1шт.

18

651194R1

CAP

wheel bearing hub

1шт.

19

463036R1

WHEEL (STEERING)

WHEEL ASSY, 14 x 5J, recommended tire size 8.50 x 14, 8.00 x 14, 7.50 x 14 or 7.00 x 14

1шт.

20

351079R1

BOLT,Hex Counter Shank, 1/2" - 20 x 23/32"

conical head

4шт.

69442D

NUT

slt-hex

1шт.

103386

COTTER PIN,1/8" x 1 1/4"

Pin, Split (Cotter), 1/8" x 1 1/4"

1шт.

575813R1

WASHER

25/32 x 1-1/4 x 11 ga

1шт.

21

483578R1

SECTION, bracket

1шт.

22

(Not used in this application)

1шт.

23

(Not used in this application)

1шт.

24

651866R1

PIN, pointed

1шт.

25

483588R91

BRACKET ASSY, pivot

1шт.

137323

COTTER PIN,5/16" x 2 1/2"

Pin, Split (Cotter), 5/16" x 2 1/2"

1шт.

472221R91

SEAL,39.57mm ID x 58.6mm OD x 7.37mm Thk

wheel hub oil

2шт.

472222R1

SLEEVE

oil seal wear

2шт.

Выбрано товаров: 38