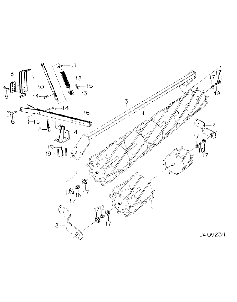
Запчасти Case IH 568 (B-23) - ROLLING BASKET MULCHER

Схема запчастей Case IH 568 - (B-23) - ROLLING BASKET MULCHER
17
18
17
3
1
15
10
17
17
17
8
17
11
17
18
9
18
13
14
1
4
17
6
15
5
19
2
12
7
16
18
2
14
19
FIT
1:1
100%

Артикул

Название

Примечание

Количество

1

1256740C1

BASKET, 3 ft, 4 used 6 row, 5 used 8 row

1шт.

1

1256478C1

CONTROL

BASKET, 4 ft, 3 used 4 row, 2 used 8 row

1шт.

1

1256480C1

CONTROL

BASKET, 5 ft, 6 row

1шт.

88725

BOLT,Hex, 3/4" - 10 x 1 3/4", Gr 5, Full Thd

2шт.

87340

LOCK WASHER,Helical Spring, 0.759" ID, CST, ZND

WASHER, LOCK, 3/4"

2шт.

2

1256485C1

BRACKET

6 used 4 row, 10 used 6 row, 14 used 8 row

1шт.

180147

SCREW,Hex, 7/16" - 14 x 1 1/4", Gr 5

BOLT, 7/16 x 1-1/4 type 5

3шт.

120383

LOCK WASHER,Helical Spring, 7/16"

WASHER, LOCK, 7/16"

3шт.

271501

SOCKET

NUT, 7/16 type 5

3шт.

3

1265740C1

CONTAINER

FRAME, basket carrier 3 ft, 4 used 6 row, 5 used 8 row

1шт.

3

1256477C1

CARRIER

FRAME, basket carrier 4 ft, 3 used 4 row, 2 used 8 row

1шт.

3

1256479C1

CARRIER

FRAME, basket carrier 5 ft, 6 row

1шт.

4

95618C1

BRACKET

PIVOT, adjustable, 3 used 4 row, 5 used 6 row, 7 used 8 row

1шт.

5

95619C1

ADJUSTMENT SCREW

SCREW, adjustable, 3 used 4 row, 5 used 6 row, 7 used 8 row

1шт.

120371

NUT,1/2"-20, G5

2шт.

6

95620C1

PIN

3 used 4 row, 5 used 6 row, 7 used 8 row

1шт.

130999

WASHER,5/8"

.688 x 1.750 x .108

1шт.

432-1220

COTTER PIN,3/16" x 1 1/4"

Pin, Split (Cotter), 3/16" x 1 1/4"

1шт.

7

81117C1

BRACKET

mounting, 3 used 4 row, 5 used 6 row, 7 used 8 row

1шт.

8

81116C1

CLAMP

BAR, flat clamp, 3 used 4 row, 5 used 6 row, 7 used 8 row

1шт.

9

461723R1

BOLT,5/8" - 11 x 6", Grade 5

5/8 NC x 6 special, 2 per clamp

1шт.

492-11062

BEARING WASHER,5/8"

WASHER, LOCK, 5/8"

1шт.

280374

NUT,Hex, 5/8" - 11, Gr 5

5/8 type 5

1шт.

10

81118C1

GUIDE

spring, 3 used 4 row, 5 used 6 row, 7 used 8 row

1шт.

11

80057C1

CAP

spring, upper, 3 used 4 row, 5 used 6 row, 7 used 8 row

1шт.

12

1256472C1

SPRING

3 used 4 row, 5 used 6 row, 7 used 8 row

1шт.

13

1256471C1

CAP

spring, lower, 3 used 4 row, 5 used 6 row, 7 used 8 row

1шт.

14

80056C1

PIN

6 used 4 row, 10 used 6 row, 14 used 8 row

1шт.

15

480523R1

HAIR PIN COTTER

quick attachable, 1 per pin

1шт.

16

81119C1

ARM

3 used 4 row, 5 used 6 row, 7 used 8 row

1шт.

181705

1/2-NF x 2 type 5

2шт.

120384

WASHER,1/2"

LOCK, 1/2"

2шт.

120371

NUT,1/2"-20, G5

2шт.

17

455961R1

BEARING HOUSING,3.5625" OD x 0.3125"

FLANGE, bearing, 4 per basket

1шт.

15007R1

CARRIAGE BOLT,Sq Nk, 5/16" - 18 x 1", Gr 2

BOLT, CARRIAGE, Short NK, 5/16"-18 x 1", G2

3шт.

80681

LOCK WASHER,5/16"

WASHER, LOCK, 5/16"

3шт.

120376

NUT,5/16"-18, G5

3шт.

18

455957R92

BEARING ASSY,19.05mm ID x 47mm OD x 14mm W

basket, 2 per basket

1шт.

19

1256475C2

U-BOLT,7/16" - 14 x 2.03" W x 3" L

2 per adj pivot

1шт.

120383

LOCK WASHER,Helical Spring, 7/16"

WASHER, LOCK, 7/16"

2шт.

NLS

NO LONGER SERVICED

NUT, 7/16 type 5

2шт.

Выбрано товаров: 41