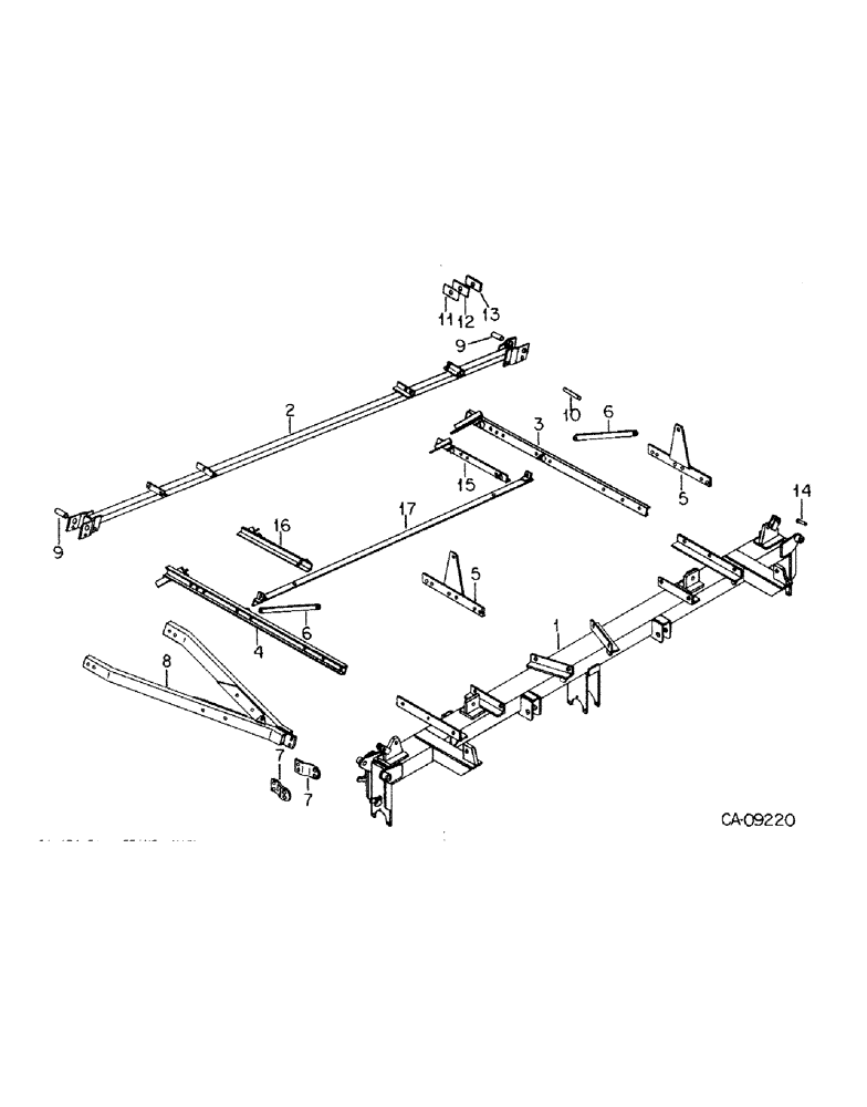
Запчасти Case IH 568 (B-05) - MAIN FRAME, 8 ROW FOLDING

Схема запчастей Case IH 568 - (B-05) - MAIN FRAME, 8 ROW FOLDING
5
13
7
1
16
14
9
8
15
11
5
12
3
17
2
7
10
6
4
6
9
FIT
1:1
100%

Артикул

Название

Примечание

Количество

1

81154C1

FRAME

main

1шт.

2

81155C1

FRAME

BAR, rear

1шт.

3

62563C3

FRAME

ASSY, side RH

1шт.

88725

BOLT,Hex, 3/4" - 10 x 1 3/4", Gr 5, Full Thd

1шт.

271779

STRIP,Hex, 3/4" - 10 x 4", Gr 5

3/4 x 4 type 5

1шт.

87340

LOCK WASHER,Helical Spring, 0.759" ID, CST, ZND

WASHER, LOCK, 3/4"

1шт.

280954

NUT,3/4"-10, G5

1шт.

4

62562C3

FRAME

ASSY, side LH

1шт.

88725

BOLT,Hex, 3/4" - 10 x 1 3/4", Gr 5, Full Thd

1шт.

271779

STRIP,Hex, 3/4" - 10 x 4", Gr 5

3/4 x 4 type 5

1шт.

87340

LOCK WASHER,Helical Spring, 0.759" ID, CST, ZND

WASHER, LOCK, 3/4"

1шт.

280954

NUT,3/4"-10, G5

1шт.

5

81109C91

SUPPORT

MAST W/PRODUCT GRAPHICS

2шт.

81142C1

PRODUCT GRAPHIC

warning

2шт.

81143C1

PRODUCT GRAPHIC

warning

2шт.

6

62564C1

BRACE

rear bar

2шт.

88725

BOLT,Hex, 3/4" - 10 x 1 3/4", Gr 5, Full Thd

2шт.

87340

LOCK WASHER,Helical Spring, 0.759" ID, CST, ZND

WASHER, LOCK, 3/4"

2шт.

280954

NUT,3/4"-10, G5

2шт.

7

81144C1

BRACKET

offset

2шт.

87337

BOLT,Hex, 3/4" - 10 x 3", Gr 5

2шт.

87340

LOCK WASHER,Helical Spring, 0.759" ID, CST, ZND

WASHER, LOCK, 3/4"

2шт.

280954

NUT,3/4"-10, G5

2шт.

8

81135C1

FRAME

A

1шт.

9

145686C1

BUSHING

rear hinge

2шт.

17294R1

BOLT,Hex, 1" - 8 x 6", Gr 5

1 x 6 type 5

2шт.

131019

SWEEP

1.062 x 2.000 x .108

2шт.

24567R1

LOCK NUT,1"-8, GB

NUT, 1 CAD p/t lock type 5

2шт.

10

62573C1

PIN

rear bar

2шт.

432-1628

COTTER PIN,1/4" x 1 3/4"

Pin, Split (Cotter), 1/4" x 1 3/4"

4шт.

11

62570C1

SHIM

16 ga

1шт.

12

62569C1

SHIM

11 ga

1шт.

13

101186C1

BAR

stop

2шт.

426-1040

BOLT,Hex, 5/8" - 11 x 2-1/2", Gr 8

5/8 x 2-1/2 type 5

1шт.

492-11062

BEARING WASHER,5/8"

WASHER, LOCK, 5/8"

1шт.

280374

NUT,Hex, 5/8" - 11, Gr 5

5/8 type 5

1шт.

14

22929R1

HEADED PIN,19.05mm OD x 66.67mm L

PIN, HEADED, 3/4" x 2 5/8"

2шт.

432-1628

COTTER PIN,1/4" x 1 3/4"

Pin, Split (Cotter), 1/4" x 1 3/4"

4шт.

15

62566C3

CARRIER

harrow LH

1шт.

88725

BOLT,Hex, 3/4" - 10 x 1 3/4", Gr 5, Full Thd

4шт.

280954

NUT,3/4"-10, G5

4шт.

16

62567C3

CARRIER

harrow RH

1шт.

88725

BOLT,Hex, 3/4" - 10 x 1 3/4", Gr 5, Full Thd

4шт.

280954

NUT,3/4"-10, G5

4шт.

17

62565C1

BRACE

rear cross

1шт.

Выбрано товаров: 0