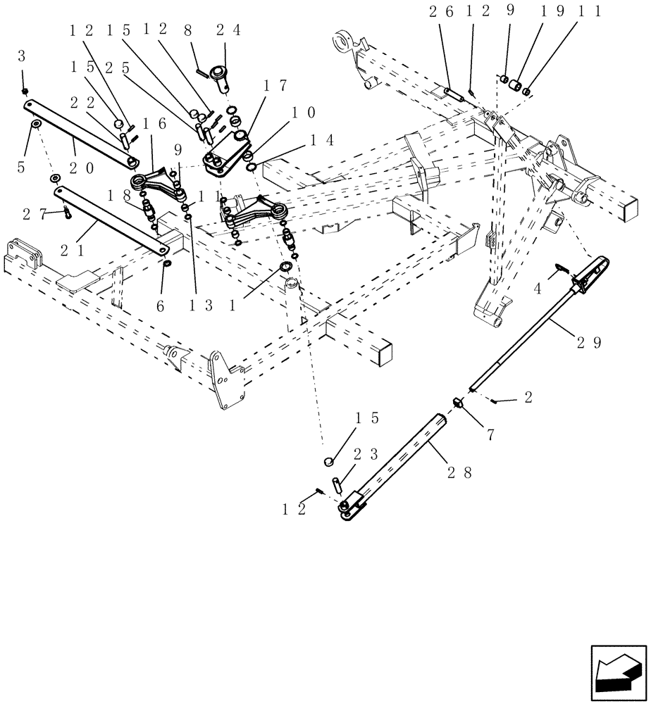
Запчасти Case IH 600 (39.100.15) - DEPTH CONTROL (OUTER WING) ASSEMBLY (39) - FRAMES AND BALLASTING

Схема запчастей Case IH 600 - (39.100.15) - DEPTH CONTROL (OUTER WING) ASSEMBLY (39) - FRAMES AND BALLASTING
28
3
4
11
19
20
12
25
29
11
9
21
14
10
8
17
15
22
2
5
23
6
18
13
24
27
1
26
12
12
16
12
7
15
9
15
FIT
1:1
100%

Артикул

Название

Примечание

Количество

1

87325446

WASHER,1.75" ID x 2.5" OD x 0.07" Thk

1 3/4" id 2 1/2" x 14 ga

1шт.

2

300868

ROLL PIN,6mm OD x 36mm L, Slotted

1шт.

3

85700693

NUT,5/8" - 11, Gr C

1шт.

4

136-251

HAIR PIN COTTER,Int, 7/16" x .177"

1шт.

5

86511191

WASHER,0.81" ID x 2" OD x 0.15" Thk

2шт.

6

86624170

WASHER,1.03" ID x 1.5" OD x 0.12" Thk

1шт.

7

3579

SQUARE NUT

square 1"-8

1шт.

8

4770

ROLL PIN

1/2" x 3"

1шт.

9

87420246

BUSHING,25.5mm ID x 31.84mm OD x 25.4mm L

Garmax MGL composite 1 1/4" x 1" x 1"

2шт.

10

6637

BUSHING

composite 2" x 1 3/4" x 1"

2шт.

11

87500592

BUSHING,25.5mm ID x 31.84mm OD x 19.05mm L

composite 1 1/4" x 1" x 3/4"

6шт.

12

425291A1

ROLL PIN

3/8" x 1 1/2" spiral

8шт.

13

121189

OIL SEAL

1 1/4" od x 1/8" thick

8шт.

14

8059

SEAL,0.139" Thk x 1.734" ID, -224, Cl 5, 75 Duro

2" od x 1/8" thick

2шт.

15

8060

CAP

vinyl 1 1/2" x 3/4"

4шт.

16

NW-332

ROCKER

depth crank with bushings

2шт.

Includes 6635 and 7995

1шт.

17

NW-333

CRANK

depth with bushings

1шт.

Includes two of 6637

1шт.

18

NW-334

ARM

weeble with bushing

2шт.

Includes two of 7995

1шт.

19

NW-355

SPOOL

wheel standard - upper

1шт.

Includes 7995 and 6635

1шт.

20

NW-367

LINK

depth for 6' wing c/w pin lock

1шт.

Shown

1шт.

20

NW-399

LINK

depth for 9' wing c/w pin lock

1шт.

Not Shown

1шт.

20

NW-344

LINK

depth for 12' wing c/w pin lock

1шт.

Not Shown

1шт.

21

NW-368

LINK

depth for 6' wing

1шт.

Shown

1шт.

21

NW-398

LINK

depth for 9' wing

1шт.

Not Shown

1шт.

21

NW-328

LINK

depth for 12' wing

1шт.

Not Shown

1шт.

22

NW-451

PIN

1" x 4 1/16"

1шт.

23

NW-453

PIN

1" x 3 7/8"

1шт.

24

NW-464

PIN

1 3/4" x 5 5/8"

1шт.

25

NW-467

PIN

1" x 4 1/4"

2шт.

26

NW-482

PIN

1" x 4 3/4"

1шт.

27

NW-492

BOLT

5/8" x 2" fedalloy

1шт.

28

NW-703

LOWER LINK

adjuster

1шт.

29

NW-704

ROD

top link assembly

1шт.

Выбрано товаров: 43