Запчасти Case IH 63-SERIES (G-07[A]) - THREE-POINT HITCH

Схема запчастей Case IH 63-SERIES - (G-07[A]) - THREE-POINT HITCH
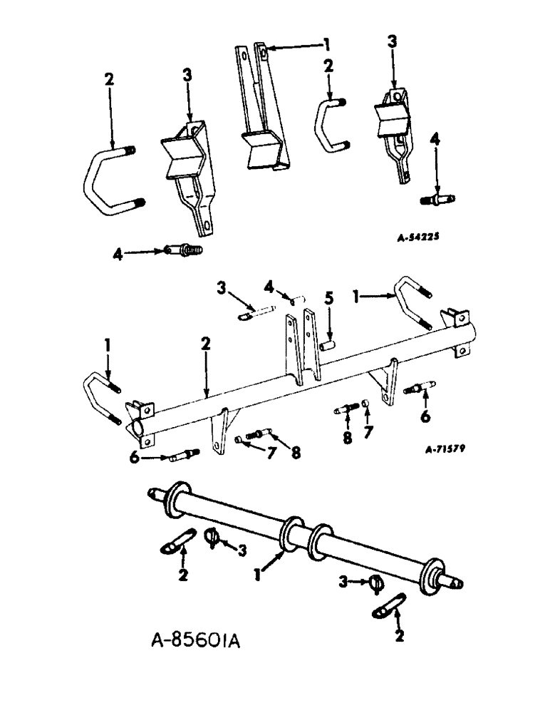
1
2
3
1
2
2
4
8
7
3
6
4
2
4
8
5
3
1
6
3
1
2
7
3
FIT
1:1
100%

Артикул

Название

Примечание

Количество

1

525635R91

BRACKET, upper pivot

1шт.

280954

NUT,3/4"-10, G5

2шт.

519417R1

HEADED PIN,3/4" x 3 11/16"

PIN, 3/4 x 3-11/16 in. heat-treated headed

1шт.

520175R1

CLIP

PIN, quick-attachable cotter

1шт.

20252R1

BOLT,Hex, 3/4" - 10 x 10", Gr 5

3/4 x 10 type 5

2шт.

87340

LOCK WASHER,Helical Spring, 0.759" ID, CST, ZND

WASHER, LOCK, 3/4"

2шт.

2

525626R1

BOLT,U, 7/8" - 9 x 8 3/8"

U-BOLT, lower pivot bracket

1шт.

425-1014

NUT,7/8"-9, G5

NUT, 7/8"-9, G5

2шт.

103327

LOCK WASHER,7/8"

WASHER, LOCK, 7/8"

2шт.

3

525633R91

BRACKET, lower pivot

1шт.

4

525896R1

STUD

lower

1шт.

426767

NUT,7/8"-14, G5

7/8-NF type 5

1шт.

131047

WASHER,7/8"

7/8"

1шт.

1

525626R1

BOLT,U, 7/8" - 9 x 8 3/8"

U-BOLT

1шт.

425-1014

NUT,7/8"-9, G5

NUT, 7/8"-9, G5

2шт.

103327

LOCK WASHER,7/8"

WASHER, LOCK, 7/8"

2шт.

2

467100R92

BRACKET

hitch

1шт.

3

380580R91

PIN

upper link

1шт.

4

380582R1

BUSHING

upper link

1шт.

5

462425R1

SPACER

mast

1шт.

18841R1

BOLT,Hex, 3/4"-10 x 4", G2

3/4 x 4 type 1

1шт.

87340

LOCK WASHER,Helical Spring, 0.759" ID, CST, ZND

WASHER, LOCK, 3/4"

1шт.

280954

NUT,3/4"-10, G5

1шт.

6

472790R2

STUD

lower, also order attaching parts, for category 2

1шт.

427359

NUT,1 1/8"-12, G5

1-1/8UNF C-Z pltd

2шт.

492-11112

LOCK WASHER,1 1/8"

1-1/8 lock C-Z pltd

2шт.

7

467105R1

BUSHING, lower stud, for category 1, used only with stud, 525896R1

2шт.

8

525896R1

STUD

lower, for category 1 (61-63)

2шт.

8

470511R1

STUD

lower, for category 1 (63)

2шт.

426767

NUT,7/8"-14, G5

7/8-NF type 5

2шт.

NLS

NO LONGER SERVICED

7/8"

2шт.

478258R1

WASHER

1-5/32 x 1-3/4 in. x 11 ga C-Z pltd

2шт.

1

483572R91

SPINDLE

ASSY, spreader

1шт.

2

517853R21

PIN

ASSY, ball

2шт.

3

373025R91

PIN ASSY.

PIN ASSY, quick attachable snap

2шт.

Выбрано товаров: 35