Запчасти Case IH 669 (AG-02) - FRONT FRAME

Схема запчастей Case IH 669 - (AG-02) - FRONT FRAME
8
7
10
10
6
1
9
4
5
3
13
2
12
14
11
FIT
1:1
100%

Артикул

Название

Примечание

Количество

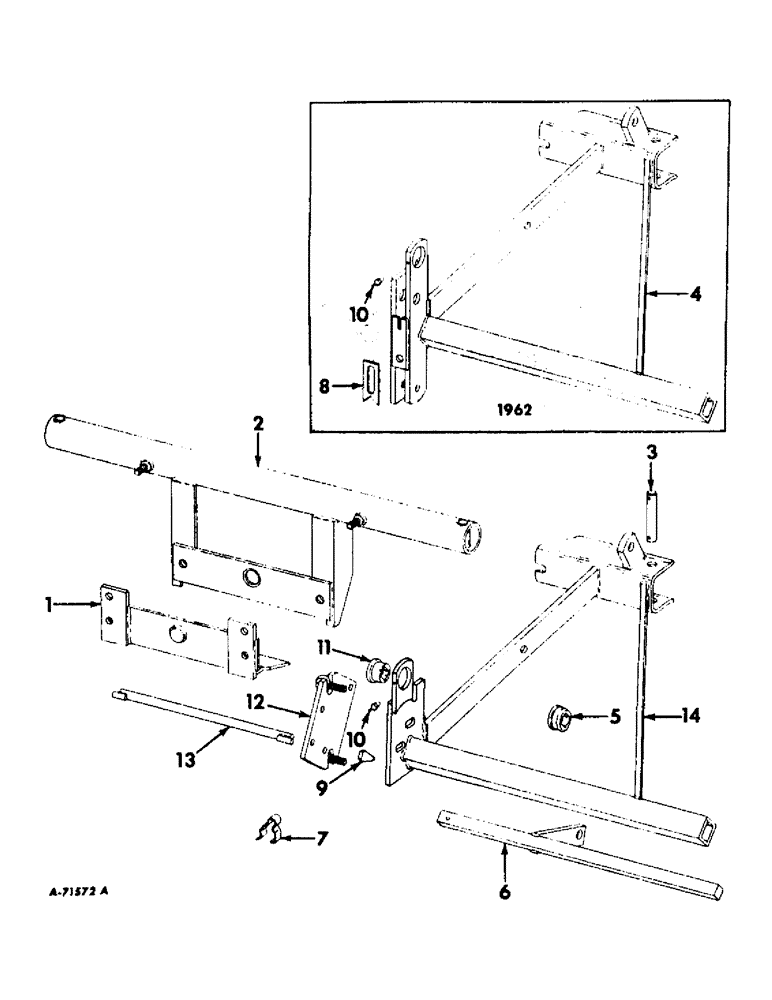
1

467618R91

PICK-UP ASSEMBLY, frame

1шт.

80280173

BOLT,Hex, 3/4" - 10 x 2 3/4", Gr 5

3/4 x 2-3/4 type 5

2шт.

467750R1

WASHER

25/32 x 1-1/2 in. x 11 ga C-Z pltd

2шт.

2

467600R91

FRAME ASSEMBLY, attaching

1шт.

280954

NUT,3/4"-10, G5

2шт.

467750R1

WASHER

25/32 x 1-1/2 in. x 11 ga C-Z pltd

2шт.

3

467617R1

PIN

main frame hinge

2шт.

20340R1

COTTER PIN,1/4" x 1 1/2"

Pin, Split (Cotter), 1/4" x 1 1/2"

4шт.

4

467678R91

FRAME ASSEMBLY, main LH, 1962

1шт.

4

467679R91

FRAME ASSEMBLY, main RH, 1962

1шт.

5

522496R1

BUSHING

BEARING, rockshaft outer

2шт.

6

467687R91

ROCKSHAFT, LH, 1962

1шт.

6

472655R91

ROCKSHAFT, LH, 1963

1шт.

PIN, 1/4 x 2-3/4 in. cotter

1шт.

Q3493

WASHER, 2-9/32 x 3 in. x 14 ga

1шт.

6

467688R91

ROCKSHAFT, RH, 1962

1шт.

6

472656R91

ROCKSHAFT, RH, 1963

1шт.

103425

PIN,1/4" x 2 3/4"

Split (Cotter), 1/4" x 2 3/4"

1шт.

Q3493

WASHER, 2-9/32 x 3 in. x 16 ga

1шт.

7

467804R1

CLAMP, hydraulic hose

2шт.

8

525670R2

BAR

LOCK, frame, 1962

2шт.

18836R1

BOLT,Hex, 3/4"-10 x 1 1/2", G2

3/4 x 1-1/2 type 1

2шт.

280954

NUT,3/4"-10, G5

2шт.

615168R1

WASHER

25/32 x 1-1/2 in. x 11 ga

2шт.

9

467658R1

NUT

main frame quick, on special coverage bolt

2шт.

10

125617

LUBE NIPPLE,3/16" x .61 lg, Drive

FITTING, 3/16 drive type lubrication

2шт.

11

467636R1

HUB

BEARING, rockshaft inner

2шт.

12

467653R92

PLATE ASSEMBLY, adapter LH

1шт.

12

467654R92

PLATE ASSEMBLY, adapter RH

1шт.

467657R1

BOLT,Short NK, 5/8"-11 x 1 1/2", G5, Full Thd

5/8 x 1-1/2 in. C-Z pltd crg, special

2шт.

280374

NUT,Hex, 5/8" - 11, Gr 5

5/8 type 5

4шт.

280954

NUT,3/4"-10, G5

4шт.

271548

BOLT (SPREADER),Hex, 5/8" - 11 x 1 3/4", Gr 5

BOLT, 5/8 x 1-3/4 type 5

2шт.

589068R1

WASHER

21/32 x 1-1/4 in. x 11 ga C-Z pltd

4шт.

23471S

WASHER

25/32 x 1-1/2 in. x 7 ga

4шт.

13

467659R91

BRACE ASSEMBLY

1шт.

14

472659R91

FRAME ASSEMBLY, main LH, 1963

1шт.

14

472660R91

FRAME ASSEMBLY, main RH, 1963

1шт.

Выбрано товаров: 38