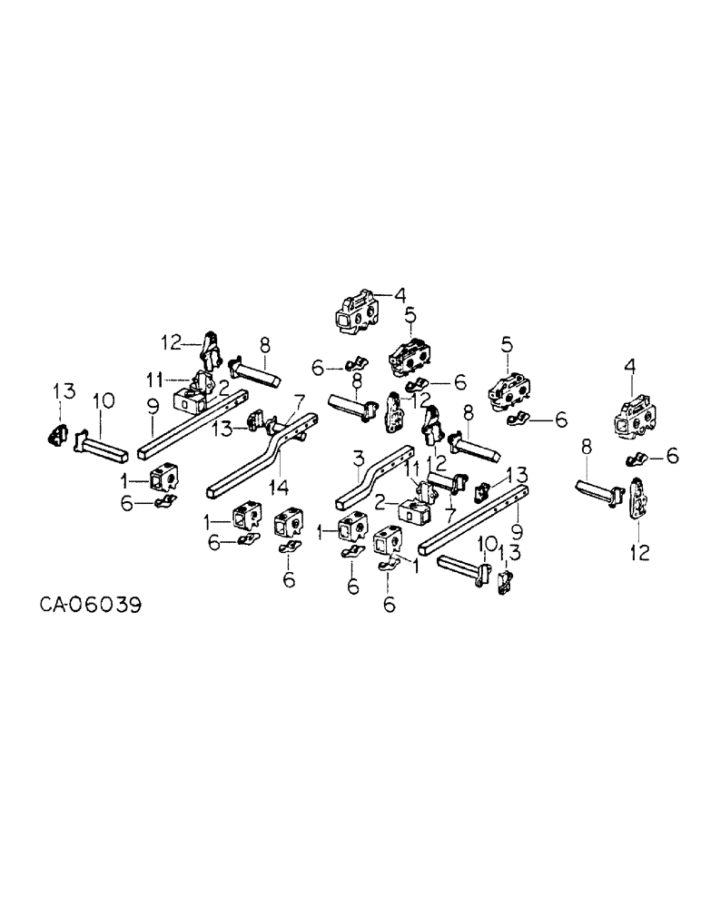
Запчасти Case IH 78 (AM-12) - SQUARE BARS, EXTENSIONS AND CLAMPS, 1116 TOOLING EQUIPMENT, FOR TWO-ROW CULTIVATORS

Схема запчастей Case IH 78 - (AM-12) - SQUARE BARS, EXTENSIONS AND CLAMPS, 1116 TOOLING EQUIPMENT, FOR TWO-ROW CULTIVATORS
8
6
7
5
12
9
8
6
5
11
2
6
8
1
1
13
6
11
12
4
6
12
14
8
6
7
12
2
9
6
6
13
10
4
1
6
10
13
13
3
1
FIT
1:1
100%

Артикул

Название

Примечание

Количество

1

542995R1

CLAMP

tool bar extension

5шт.

413-1048

BOLT,Hex, 5/8" - 11 x 3", Gr 5

SCREW, 5/8 x 3 znd hex-hd cap

10шт.

589068R1

WASHER

21/32 x 1-1/4 x 11 ga C-Z

10шт.

280374

NUT,Hex, 5/8" - 11, Gr 5

5/8-11 znd hex.

10шт.

26143R1

SCREW, 3/4-10 x 1-1/4 znd sq-hd dog-pt set

5шт.

2

544221R1

CLAMP

sq-tool bar standard

2шт.

3

489646R1

BAR, tool short offset no. 1 RH

1шт.

4

542040R1

CLAMP

outer linkage tool bar attaching

2шт.

18476R1

BOLT,Hex, 1/2"-13 x 2 1/2", G2

1/2 x 2-1/2 C-Z hex-hd mach

4шт.

120384

WASHER,1/2"

LOCK, 1/2"

4шт.

120378

NUT,Hex, 1/2" - 13, Gr 5

NUT, 1/2"-13, G5

4шт.

589068R1

WASHER

21/32 x 1-1/4 x 11 ga C-Z

4шт.

271725

SNAP RING,Hex, 5/8" - 11 x 2 1/2", Gr 5

SCREW, 5/8-11 x 2-1/2 znd hex-hd cap

4шт.

5

489640R1

CLAMP, inner linkage tool bar attaching

2шт.

17433R1

HARDWARE,Hex, 1/2" - 13 x 1", Gr 2

BOLT, 1/2 x 1 C-Z hex-hd mach

2шт.

18476R1

BOLT,Hex, 1/2"-13 x 2 1/2", G2

1/2 x 2-1/2 C-Z hex-hd mach

4шт.

120384

WASHER,1/2"

LOCK, 1/2"

4шт.

120378

NUT,Hex, 1/2" - 13, Gr 5

NUT, 1/2"-13, G5

4шт.

589068R1

WASHER

21/32 x 1-1/4 x 11 ga C-Z

4шт.

426-1040

BOLT,Hex, 5/8" - 11 x 2-1/2", Gr 8

SCREW, 5/8-11 x 2-1/2 znd hex-hd cap

4шт.

6

547750R1

CLAMP

cap

9шт.

7

489644R1

extension, 6-1/2 x 1-3/8 sq tool bar

2шт.

8

30790BA

EXTENSION

8-5/8 x 1-3/8 sq tool bar

4шт.

9

489647R1

BAR

tool no. 2

2шт.

10

511992R2

EXTENSION

10-1/4 x 1-3/8 tool bar

2шт.

11

544222R1

CAP

round standard

2шт.

18824R1

BOLT,Hex, 5/8"-11 x 2 1/2", G2

5/8 x 2-1/2 znd hex-hd mach

4шт.

280374

NUT,Hex, 5/8" - 11, Gr 5

5/8-11 znd hex.

4шт.

26143R1

SCREW, 3/4-10 x 1-1/4 znd sq-hd dog-pt set

2шт.

12

483255R1

CAP

1-3/8 sq extension w/sq for shield

4шт.

17433R1

HARDWARE,Hex, 1/2" - 13 x 1", Gr 2

BOLT, 1/2 x 1 C-Z hex-hd mach

4шт.

18956R1

BOLT,5/8" - 11 x 2 1/2", Gr 2

5/8 x 2-1/2 C-Z sq-hd mach

4шт.

280374

NUT,Hex, 5/8" - 11, Gr 5

5/8-11 C-Z hex.

4шт.

13

510918R1

CLAMP

CAP, 1-3/8 sq extension

6шт.

18956R1

BOLT,5/8" - 11 x 2 1/2", Gr 2

5/8 x 2-1/2 znd sq-hd mach

12шт.

280374

NUT,Hex, 5/8" - 11, Gr 5

5/8-11 znd hex.

12шт.

14

489652R1

BAR, no. 1 LH long offset

1шт.

Выбрано товаров: 37