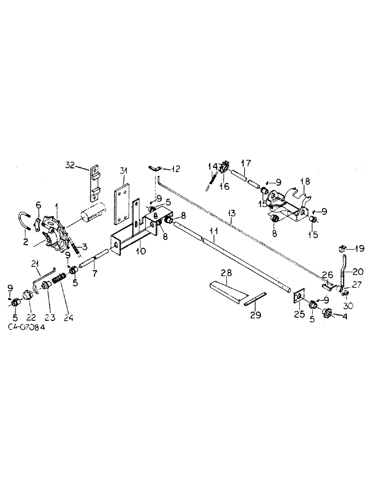
Запчасти Case IH 80 (B-06) - FERTILIZER DRIVE AND CONNECTIONS, SERIAL NO. 652 AND ABOVE (09) - CHASSIS

Схема запчастей Case IH 80 - (B-06) - FERTILIZER DRIVE AND CONNECTIONS, SERIAL NO. 652 AND ABOVE (09) - CHASSIS
11
8
17
31
22
30
9
9
25
24
1
8
21
28
8
13
9
9
10
5
14
6
5
3
18
4
32
5
23
27
7
26
20
12
9
5
16
2
15
9
15
29
19
FIT
1:1
100%

Артикул

Название

Примечание

Количество

1

PO2646

SPROCKET ASSY.

SPROCKET, tractor axle, 24 teeth

2шт.

2

PO18662

BOLT

U-BOLT, sprocket

2шт.

120384

WASHER,1/2"

LOCK, 1/2"

4шт.

120378

NUT,Hex, 1/2" - 13, Gr 5

NUT, 1/2"-13, G5

4шт.

3

CHAIN, fertilizer drive, use 29 links from a 10 ft roll marked CS 32

2шт.

4

PO2754

DRIVE SPROCKET

SPROCKET, countershaft driven, 9 teeth

2шт.

21761R1

WASHER

.906 x 1.500 x .054

2шт.

12235R1

1/8" x 5/8" 1/8" x 5/8"

2шт.

5

512806R2

BEARING, shaft

8шт.

18481R1

COTTER PIN,3/16" x 1"

PIN, SPLIT (COTTER), 3/16" x 1"

8шт.

6

PO2141

TOOTH

removable sprocket

2шт.

9635884

BOLT,Hex, 5/16" - 18 1", Full Thd, Gr 5

5/16 x t type 5

4шт.

80681

LOCK WASHER,5/16"

WASHER, LOCK, 5/16"

4шт.

120376

NUT,5/16"-18, G5

4шт.

7

1250986C1

SHAFT

rear cross

2шт.

8

513998R1

PINION

drive, 13 teeth

6шт.

21761R1

WASHER

.906 x 1.500 x .054

6шт.

12235R1

1/8" x 5/8" 1/8" x 5/8"

6шт.

9

80711

LUBE NIPPLE,65 Degree, 1/8" NPT x 7/8" lg

FITTING, 1/8-27 x 65 deg angle lub

14шт.

10

1250978C1

BRACKET

ASSY, RH cross shaft support

1шт.

10

1250979C1

BRACKET

ASSY, LH cross shaft support

1шт.

11

1250987C1

SHAFT

front drive

2шт.

12

PO27788

LEVER, bellcrank

2шт.

13

1250985C1

ROD

bellcrank throw-out

2шт.

14

CHAIN, hopper drive, use 45 links from A 10 ft roll marked, CS 32

2шт.

15

PO1818

BUSHING

BEARING, hopper drive shaft

4шт.

16

PO2639BX

SPROCKET ASSY.

SPROCKET W/SET SCREW, 21228R1, hopper drive shaft

2шт.

21228R1

SCREW, 7/16 x 3/4 znp sq-hd cup-pt

2шт.

21761R1

WASHER

.906 x 1.500 x .054

2шт.

12235R1

1/8" x 5/8" 1/8" x 5/8"

2шт.

17

PO28476

ROLLER

SHAFT, hopper drive

2шт.

13095R1

PIN,1/4" x 1 1/4"

Split (Cotter), 1/4" x 1 1/4"

4шт.

21758R1

WASHER

.781 x 1.250 x .067

4шт.

18

513999R3

BRACKET

hopper

2шт.

12686R1

CARRIAGE BOLT,Sq Nk, 1/2" - 13 x 1/2", Gr 2, Full Thd

BOLT, CARRIAGE, Short NK, 1/2"-13 x 1 1/2", G2, Full Thd

4шт.

120378

NUT,Hex, 1/2" - 13, Gr 5

NUT, 1/2"-13, G5

4шт.

120384

WASHER,1/2"

LOCK, 1/2"

4шт.

23930R1

WASHER, 17/32 x 1-1/4 x 16 ga znd

4шт.

19

138516C1

SUPPORT

clutch throw-out mounting

2шт.

20

138505C1

SUPPORT

clutch throw-out linkage

2шт.

21

138518C1

ROD

clutch throw-out linkage

2шт.

22

512162R1

SPROCKET ASSY.

SPROCKET, clutch RH, 7 teeth

2шт.

23

PO1933A

CLUTCH

SPROCKET, clutch LH

2шт.

24

PO156

SPRING

drive clutch, 1-1/32 in. OD x 4-1/2 in. long, 14-1/2 cols

2шт.

25

1250988C1

PLATE

forward bearing

2шт.

26

138504C1

ARM

clutch throw-out linkage

2шт.

27

PO2437

PIVOT

TRUNNION, rod

2шт.

103383

COTTER PIN,1/8" x 1/2"

Pin, Split (Cotter), 1/8" x 1/2"

2шт.

28

138512C1

SUPPORT

RH drive shaft guard

1шт.

28

138513C1

SUPPORT

LH drive shaft guard

1шт.

29

138514C1

ANGLE

RH drive shaft guard

1шт.

29

138515C1

ANGLE

LH drive shaft guard

1шт.

30

514547R11

COLLAR CLAMP

COLLAR W/SET SCREW, 142671, rod

2шт.

485-1318

SET SCREW,Sq Hd, 5/16"-18 x 1/2"

SCREW, 5/16 x 1/2 znp sq/hd c/pt set

2шт.

31

1250995C1

BAR

ASSY, frame mount, RH

1шт.

31

1250980C1

BAR

ASSY, frame mount, LH

1шт.

32

1250983C1

BAR

ASSY, clutch mount

2шт.

Выбрано товаров: 57