Запчасти Case IH 80 (B-08) - FERTILIZER DRIVE AND CONNECTIONS, SERIAL NO. 651 AND BELOW (09) - CHASSIS

Схема запчастей Case IH 80 - (B-08) - FERTILIZER DRIVE AND CONNECTIONS, SERIAL NO. 651 AND BELOW (09) - CHASSIS
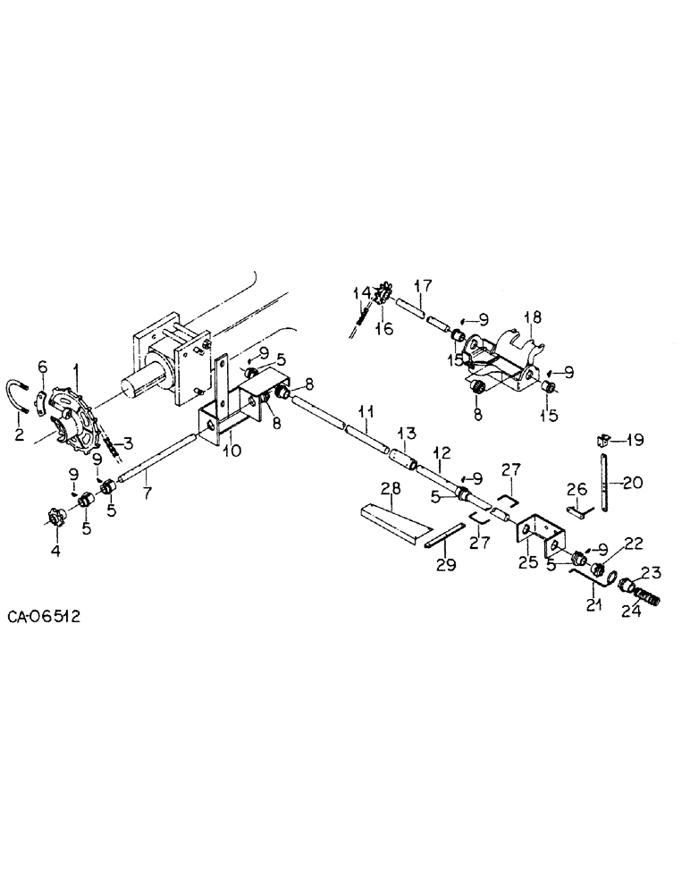
9
17
8
16
10
14
5
12
5
5
9
6
1
2
18
5
21
28
25
8
13
4
11
22
3
7
26
19
27
24
27
9
5
29
9
9
9
9
15
23
20
15
8
FIT
1:1
100%

Артикул

Название

Примечание

Количество

1

PO2646

SPROCKET ASSY.

SPROCKET, tractor axle, 24 teeth

2шт.

2

PO18662

BOLT

U-BOLT, sprocket

2шт.

120384

WASHER,1/2"

LOCK, 1/2"

4шт.

120378

NUT,Hex, 1/2" - 13, Gr 5

NUT, 1/2"-13, G5

4шт.

3

CHAIN, fertilizer drive, use 29 links from a 10 ft roll marked CS 32

2шт.

4

PO2754

DRIVE SPROCKET

SPROCKET, countershaft driven, 9 teeth

2шт.

21761R1

WASHER

PIN, 1/4 x 1-9/16 znd dld-std-hd

2шт.

12235R1

1/8" x 5/8" 1/8" x 5/8"

2шт.

5

512806R1

SLEEVE

BEARING, shaft

10шт.

18481R1

COTTER PIN,3/16" x 1"

PIN, SPLIT (COTTER), 3/16" x 1"

10шт.

6

PO2141

TOOTH

removable sprocket

2шт.

9635884

BOLT,Hex, 5/16" - 18 1", Full Thd, Gr 5

5/16-18 x 1 znd hex-hd cap

1шт.

80681

LOCK WASHER,5/16"

WASHER, LOCK, , 18 znd hex 5/16"

4шт.

7

138509C1

ROD

SHAFT, fertilizer drive

2шт.

8

513998R1

PINION

drive, 13 teeth

6шт.

21761R1

WASHER

PIN, 1/4 x 1-9/16 znd dld-std-hd

6шт.

12235R1

1/8" x 5/8" 1/8" x 5/8"

6шт.

9

80711

LUBE NIPPLE,65 Degree, 1/8" NPT x 7/8" lg

FITTING, 1/8-27 x 65 deg angle lub

14шт.

10

138510C1

BRACKET

RH cross shaft support

1шт.

10

138511C1

BRACKET, LH cross shaft support

1шт.

11

138508C1

ROD

SHAFT, fertilizer drive to axle rear

2шт.

12

138506C1

ROD

SHAFT, fertilizer drive to axle front

2шт.

13

138507C1

SPACER

COUPLING, drive shaft connecting

2шт.

21761R1

WASHER

PIN, 1/4 x 1-9/16 znd dld-std-hd

4шт.

12235R1

1/8" x 5/8" 1/8" x 5/8"

4шт.

14

CHAIN, hopper drive, use 45 links from a 10 ft roll marked CS 32

2шт.

15

PO1818

BUSHING

BEARING, hopper drive shaft

4шт.

16

PO2639BX

SPROCKET ASSY.

SPROCKET W/SET SCREW, 21228R1, hopper drive shaft

2шт.

21228R1

SCREW, 7/16-14 znd sq-hd cup point set

2шт.

21761R1

WASHER

PIN, 1/4 x 1-9/16 znd dld-std-hd

2шт.

12235R1

1/8" x 5/8" 1/8" x 5/8"

2шт.

17

PO28476

ROLLER

SHAFT, hopper drive

2шт.

13095R1

PIN,1/4" x 1 1/4"

Split (Cotter), 1/4" x 1 1/4"

4шт.

21758R1

WASHER

25/32 x 1-1/4 x 16 ga znd

4шт.

18

513999R3

BRACKET

hopper

2шт.

12686R1

CARRIAGE BOLT,Sq Nk, 1/2" - 13 x 1/2", Gr 2, Full Thd

BOLT, CARRIAGE, Short NK, 1/2"-13 x 1 1/2", G2, Full Thd

4шт.

120378

NUT,Hex, 1/2" - 13, Gr 5

NUT, 1/2"-13, G5

4шт.

120384

WASHER,1/2"

LOCK, 1/2"

4шт.

23930R1

WASHER, 17/32 x 1-1/4 x 16 ga znd

4шт.

19

138516C1

SUPPORT

clutch throw-out mounting

2шт.

20

138505C1

SUPPORT

clutch throw-out linkage

2шт.

21

138518C1

ROD

clutch throw-out linkage

2шт.

22

512162R1

SPROCKET ASSY.

SPROCKET, clutch RH, 7 teeth

2шт.

23

PO1933A

CLUTCH

SPROCKET, clutch LH

2шт.

24

PO156

SPRING

drive clutch, 1-1/32 in. OD x 4-1/2 in. long, 14-1/2 coils

2шт.

25

138502C1

CHANNEL, RH front bearing

1шт.

25

138503C1

CHANNEL

LH front bearing

1шт.

26

138504C1

ARM

clutch throw-out linkage

2шт.

27

PO23196

KEY

clutch

4шт.

28

138512C1

SUPPORT

RH drive shaft guard

1шт.

28

138513C1

SUPPORT

LH drive shaft guard

1шт.

29

138514C1

ANGLE

RH drive shaft guard

1шт.

29

138515C1

ANGLE

LH drive shaft guard

1шт.

Выбрано товаров: 53