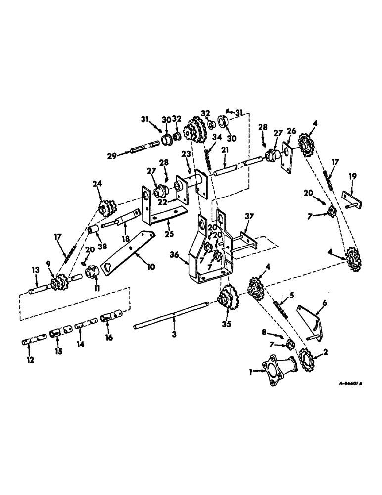
Запчасти Case IH 80 (A-10) - FERTILIZER DRIVE, PLANTER DRIVE & RELATED PARTS, 4 ROW WIDE, 6 ROW NARROW

Схема запчастей Case IH 80 - (A-10) - FERTILIZER DRIVE, PLANTER DRIVE & RELATED PARTS, 4 ROW WIDE, 6 ROW NARROW
FIT
1:1
100%

Артикул

Название

Примечание

Количество

1

480257R1

HUB

sprocket

2шт.

2

480258R1

SPROCKET ASSY.

SPROCKET, 16 tooth hub

2шт.

18474R1

BOLT,Hex, 5/16" - 18 x 1", Gr 2

5/16-18 x 1 c-z hex-hd mach, 3 per sprocket

1шт.

80681

LOCK WASHER,5/16"

WASHER, LOCK, , 3 per sprocket 5/16"

1шт.

120376

NUT,5/16"-18, G5

3 per sprocket 5/16"-18, G5

1шт.

181705

SCREW, 1/2-20 x 2 c-z hex-hd cap, 4 per sprocket

1шт.

3

484148R1

PIN, wheel pivot counter

2шт.

4

480260R1

SPROCKET ASSY.

SPROCKET, 16 tooth pin

6шт.

22067R1

PIN

1/4 x 2-1/16 c-z std-hd

6шт.

21628R1

PIN

1/8 x 3/4 c-z self-opening cot.

6шт.

5

CHAIN, gauge wheel, Use 67 links of 1 in. extended pitch agricultural roller chain from a 10 ft roll marked, 569088R91 and one connecting link, 457113R91.

1шт.

6

520436R91

SUPPORT

TIGHTENER ASSY, chain LH

1шт.

6

520437R91

SUPPORT

TIGHTENER ASSY, chain RH

1шт.

21632R1

COTTER PIN

PIN, 3/16 x 1 c-z self-opening cot.

2шт.

18813R1

BOLT,Hex, 1/2" - 13 x 4", Gr 2

1/2-13 x 4 c-z hex-hd mach

2шт.

18712R1

BOLT,Short NK, 1/2"-13 x 4", G2

1/2-13 x 4 c-z sq-nk crg

2шт.

120378

NUT,Hex, 1/2" - 13, Gr 5

NUT, 1/2"-13, G5

4шт.

120384

WASHER,1/2"

LOCK, 1/2"

4шт.

7

472344R2

DRIVE SPROCKET

SPROCKET, 6 tooth idler

8шт.

8

80722

LUBE NIPPLE,3/16" x .55" lg, Drive

FITTING, 3/16 drive type str lub, Used only w/gray iron sprocket, 472344R1

8шт.

9

484098R1

SPROCKET ASSY.

SPROCKET, 7, 8 & 9 tooth 3/4 in. shaft

2шт.

22211R1

SCREW

3/8-18 x 1/2 c-z sq-hd cup-pt set

4шт.

10

484099R1

SUPPORT, hopper drive rod, 2 used on 6 row narrow

1шт.

18779R1

BOLT,Hex, 3/8"-16 x 1 1/2", Gr 2

3/8-16 x 1-1/2 c-z hex-hd mach

4шт.

120382

LOCK WASHER,Helical Spring, 3/8"

WASHER, LOCK, 3/8"

4шт.

120377

NUT,3/8" - 16, Gr 5

4шт.

11

512806R1

SLEEVE

BEARING, feed rod, 2 for 6 row narrow

1шт.

21633R1

PIN, 3/16 x 1-1/4 c-z self-opening cot.

2шт.

12

484724R1

ROD, inner shaft, 2 used on 4 row narrow

1шт.

12

484726R1

ROD, inner shaft, 2 used on 6 row narrow

1шт.

21961R1

PIN, 1/4 x 1-9/16 c-z std-hd

2шт.

21628R1

PIN

1/8 x 3/4 c-z self-opening cot.

2шт.

13

484725R1

ROD, outer shaft, 2 used on 4 row narrow

1шт.

13

484728R1

ROD, outer shaft, 2 used on6 row narrow

1шт.

21961R1

PIN, 1/4 x 1-9/16 c-z std-hd

2шт.

21628R1

PIN

1/8 x 3/4 c-z self-opening cot.

2шт.

14

484727R1

ROD, center shaft, 2 used on 6 row narow

1шт.

15

520456R1

COUPLER

2шт.

33405A

WASHER

WASHER, 25/32 x 1-1/8 x 22 ga

12шт.

21636R1

PIN, 1/4 x 1-1/2 c-z self-opening cot.

4шт.

16

484729R1

SPACER, feed shaft coupler, 2 used on 6 row narrow

1шт.

33405A

WASHER

WASHER, 25/32 x 1-1/8 x 22 ga

18шт.

21636R1

PIN, 1/4 x 1-1/2 c-z self-opening cot.

8шт.

17

CHAIN, hopper and main drive, Use 39 links of 1 in. extended pitch agricultural roller chain from a 10 ft. roll marked, 569088R91, one connecting link, 457113R91 & two offset links, 457114R91

2шт.

18

484104R91

ARM ASSY, chain tightener, Used on 4 row wide

1шт.

18

484122R91

ARM ASSY, chain tightener, Used on 6 row narrow

1шт.

21982R1

PIN, 3/16 x 1-1/2 c-z self-opening cot.

4шт.

18496R1

BOLT,Hex, 1/2"-13 x 1 1/2", G2

1/2-13 x 1-1/2 c-z hex-hd mach

2шт.

120378

NUT,Hex, 1/2" - 13, Gr 5

NUT, 1/2"-13, G5

2шт.

120384

WASHER,1/2"

LOCK, 1/2"

2шт.

178374R1

WASHER

17/32 x 1-1/4 x 16 ga c-z

2шт.

19

484106R91

BAR ASSY, idler

2шт.

21632R1

COTTER PIN

PIN, 3/16 x 1 c-z self-opening cot.

2шт.

18836R1

BOLT,Hex, 3/4"-10 x 1 1/2", G2

3/4-10 x 1-1/2 c-z hex-hd mach

2шт.

280954

NUT,3/4"-10, G5

2шт.

87340

LOCK WASHER,Helical Spring, 0.759" ID, CST, ZND

WASHER, LOCK, 3/4"

2шт.

20

125617

LUBE NIPPLE,3/16" x .61 lg, Drive

FITTING, 3/16 drive lub

2шт.

21

484108R1

ROD, drive shaft, 2 for 4 row wide

1шт.

21

484111R1

ROD, drive shaft, 2 for 6 row narrow

1шт.

609836R1

WASHER

1-1/32 x 1-3/4 x 16 ga c-z

4шт.

217973

COTTER PIN,1/4" x 1 1/4"

Pin, Split (Cotter), 1/4" x 1-1/4"

4шт.

22

484109R91

SUPPORT ASSY, main drive, 2 used on 6 row narrow

1шт.

18495R1

BOLT,Hex, 3/8" - 16 x 1 1/4", Gr 2

3/8-16 x 1-1/4 c-z hex-hd mach.

4шт.

120377

NUT,3/8" - 16, Gr 5

4шт.

120382

LOCK WASHER,Helical Spring, 3/8"

WASHER, LOCK, 3/8"

4шт.

23

271432

LUBE NIPPLE,1/4" x .47 lg, Drive

FITTING, 1/4 str drive lub

2шт.

24

484112R1

SPROCKET ASSY.

SPROCKET, 7, 8 and 9 T

2шт.

22211R1

SCREW

3/8-18 x 1/2 c-z sq-hd cup-pt set

4шт.

25

484117R91

SUPPORT ASSY, bearing LH, Used on 4 row wide

1шт.

25

484118R91

SUPPORT ASSY, bearing LH, Used on 4 row wide

1шт.

26

484121R1

SUPPORT, countershaft brg, 2 used on 4 row wide

1шт.

18495R1

BOLT,Hex, 3/8" - 16 x 1 1/4", Gr 2

3/8-16 x 1-1/4 c-z hex-hd mach

4шт.

120377

NUT,3/8" - 16, Gr 5

4шт.

120382

LOCK WASHER,Helical Spring, 3/8"

WASHER, LOCK, 3/8"

4шт.

27

513089R1

HUB

BEARING, 4 used on 4 row wide

1шт.

28

109461

LUBE NIPPLE,1/8"-27 x .66 lg

NIPPLE, LUBE, , PTF, 4 used on 4 row machines, 2 used on 6 row machines 1/8"-27 x .66 lg

1шт.

29

484127R1

ROD, fertilizer drive

2шт.

30

472431R1

COLLAR

BEARING, drive shaft

4шт.

31

86636814

LUBE NIPPLE,1/4"-28 x .52" lg

FITTING, 1/4 str lub

4шт.

32

472432R1

BUSHING

drive shaft

4шт.

33

472435R1

SPROCKET ASSY.

SPROCKET, 8 T, 9 T, 15 T and 18 T

2шт.

22212R1

SCREW

3/8-16 x 5/8 c-z sq-hd cup-pt set 2

1шт.

34

CHAIN, fertilizer drive, Use 41 links of 1 in. extended pitch agriculture roller chain from a 10 ft roll marked, 569088R91 & one connecting link, 457113R91

1шт.

35

484138R1

SPROCKET ASSY.

SPROCKET, 17 T, 12 T and 8 T

2шт.

22212R1

SCREW

3/8-16 x 5/8 c-z sq-hd cup-pt set

4шт.

36

484139R91

SUPPORT ASSY, fertilizer drive LH

1шт.

36

484140R91

SUPPORT ASSY, fertilizer drive RH

1шт.

37

484144R91

ARM

ASSY, fertilizer drive chain tightener

2шт.

18481R1

COTTER PIN,3/16" x 1"

PIN, SPLIT (COTTER), 3/16" x 1"

4шт.

17140R1

CARRIAGE BOLT,Short Nk, 1/2" - 13 x 1 1/4", Gr 2, Full Thd

BOLT, 1/2-13 x 1-1/4 c-z sq-nk crg

2шт.

120378

NUT,Hex, 1/2" - 13, Gr 5

NUT, 1/2"-13, G5

2шт.

120384

WASHER,1/2"

LOCK, 1/2"

2шт.

38

468417R1

ROLLER

2шт.

22190R1

WASHER

23/32 x 1-1/2 x 16 ga c-z

4шт.

Выбрано товаров: 94