Запчасти Case IH 80 (A-25) - SHOVEL COVERING ATTACHMENT, PIN BREAK, ONE PER ROW

Схема запчастей Case IH 80 - (A-25) - SHOVEL COVERING ATTACHMENT, PIN BREAK, ONE PER ROW
FIT
1:1
100%

Артикул

Название

Примечание

Количество

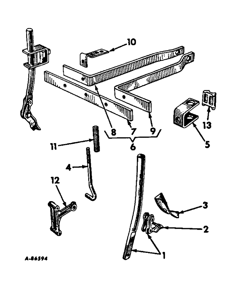
1

PO17780

SUPPORT

SHANK ASSY, shovel

2шт.

18779R1

BOLT,Hex, 3/8"-16 x 1 1/2", Gr 2

3/8-16 x 1-1/2 c-z hex-hd mach

2шт.

120377

NUT,3/8" - 16, Gr 5

2шт.

Z207

PIN, break wood

2шт.

2

BREAK-OFF, Not serviced separately, Order shank assy, PO17780

1шт.

3

26013B

SHOVEL

2шт.

16237BX

BOLT,Plow, #3 Hd, 3/8" - 16 x 2", Gr 5, W/ Nut & Wshr

ASSY, shovel

2шт.

120377

NUT,3/8" - 16, Gr 5

2шт.

619856R1

WASHER

13/32 x 1 x 16 ga c-z

2шт.

4

PO18465

ROD, pressure spring, For use w/o press wheel

1шт.

4

484780R1

ROD

pressure spring

1шт.

120378

NUT,Hex, 1/2" - 13, Gr 5

NUT, 1/2"-13, G5

1шт.

178373R1

WASHER

17/32 x 1 x 16 ga c-z

1шт.

21632R1

COTTER PIN

PIN, 3/16 x 1 c-z self-opening cot.

2шт.

5

PO12856

CLAMP

covering frame shank

2шт.

517033R1

SQUARE NUT

clamp block

2шт.

22219R1

SET SCREW

5/8-11 x 1-1/2 c-z sq-hd cup-pt set

2шт.

6

517943R91

FRAME ASSY, covering

1шт.

7

PO12855

BAR, frame

1шт.

8

517941R1

RAIL, left

1шт.

9

517942R1

RAIL, right

1шт.

104197

RIVET,Csk, 3/8" x 1"

3/8 x 1 csk-hd

2шт.

104114

RIVET,But Hd, 3/8" x 1 1/8"

3/8 x 1-1/8 rd-hd

2шт.

10

PO18466

BRACKET

pressure spring, For use w/o press wheel

1шт.

10

484779R1

SUPPORT

BRACKET, pressure spring

1шт.

18495R1

BOLT,Hex, 3/8" - 16 x 1 1/4", Gr 2

3/8-16 x 1-1/4 c-z hex-hd mach

1шт.

120377

NUT,3/8" - 16, Gr 5

1шт.

120382

LOCK WASHER,Helical Spring, 3/8"

WASHER, LOCK, 3/8"

1шт.

11

PO104

VALVE SPRING

SPRING, pressure rod

1шт.

12

NLS

NO LONGER SERVICED

ARM, pressure spring

1шт.

13

PO960

BLOCK

clamp

2шт.

Выбрано товаров: 0