Запчасти Case IH 82-SERIES (B-33) - BALANCE SPRINGS AND RELATED PARTS

Схема запчастей Case IH 82-SERIES - (B-33) - BALANCE SPRINGS AND RELATED PARTS
FIT
1:1
100%

Артикул

Название

Примечание

Количество

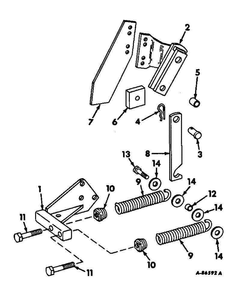
1

478860R91

BRACKET ASSY, spring RH

1шт.

1

478859R91

BRACKET ASSY, spring LH

1шт.

NLS

NO LONGER SERVICED

SCREW, 5/8-11 x 1-3/4 hex-hd cap

6шт.

492-11062

BEARING WASHER,5/8"

WASHER, LOCK, 5/8"

6шт.

2

480329R91

ARM ASSY, rockshaft RH, Used only w/three pt hitch

1шт.

2

480335R91

ARM ASSY, rockshaft RH, Used only w/two point fast hitch

1шт.

2

480328R91

ARM ASSY, rockshaft LH, Used only w/three point hitch

1шт.

2

480334R91

ARM ASSY, rockshaft LH, Used only w/two point fast hitch

1шт.

3

22100R1

PIN, 3/4 x 2 znd std-hd

1шт.

4

520175R1

CLIP

PIN, 3/16 quick attachable cot.

1шт.

5

495133R1

SPACER, rockshaft arm upper

2шт.

6

480332R1

BLOCK, spacer, Used w/short hitch rockshaft

2шт.

21217R1

BOLT,Hex, 5/8" - 11 x 4 1/2", Gr 8

SCREW, 5/8-11 x 4-1/2 c-z hex-hd cap

1шт.

22228R1

BOLT,Hex, 5/8" - 11 x 3 1/2", Gr 8

SCREW, 5/8-11 x 3-1/2 c-z hex-hd cap

1шт.

7

480333R2

STOP, rockshaft arm, Used only w/three point hitch

2шт.

271724

PIN,Hex, 5/8" - 11 x 2 1/4", Gr 5

SCREW, 5/8-11 x 2-1/4 znd hex-hd cap

1шт.

492-11062

BEARING WASHER,5/8"

WASHER, LOCK, 5/8"

4шт.

7

480336R2

STOP, rockshaft arm, Used only w/two point fast hitch

2шт.

124589

BALL STUD,Hex, 5/8" - 11 x 2", Gr 5

5/8-11 c-z hex.

4шт.

271725

SNAP RING,Hex, 5/8" - 11 x 2 1/2", Gr 5

SCREW, 5/8-11 x 2-1/2 znd hex-hd cap

1шт.

492-11062

BEARING WASHER,5/8"

WASHER, LOCK, 5/8"

4шт.

8

478868R1

BAR, spring

2шт.

9

PO199A

SPRING

extension

4шт.

10

520201R1

PLUG, spring

4шт.

11

413-1052

BOLT,Hex, 5/8" - 11 x 3-1/4", Gr 5

SCREW, 5/8-11 x 3-1/4 c-z hex-hd cap

4шт.

12

652416R1

SPACER, spring

2шт.

13

426-1040

BOLT,Hex, 5/8" - 11 x 2-1/2", Gr 8

SCREW, 5/8-11 x 2-1/2 c-z hex-hd cap

2шт.

492-11062

BEARING WASHER,5/8"

WASHER, LOCK, 5/8"

2шт.

280374

NUT,Hex, 5/8" - 11, Gr 5

5/8-11 hex.

2шт.

14

464623R1

WASHER

21/32 x 1-1/2 x 11 ga c-z

8шт.

Выбрано товаров: 30